时间:2025-03-24 10:25
人气:
作者:admin
INA310x-Q1 是一款超精密电流检测放大器,可不依赖于电源电压和集成式比较器,在 -4V 至 110V 的宽共模范围内测量分流电阻上的压降。该器件在 20µV(最大值)的低失调电压、0.15%(最大值)的小增益误差和 160dB(典型值)的高直流 CMRR 等特性的综合作用下,可实现高精度电流测量。 INA310x-Q1 具有 1.3MHz 的高信号带宽,专为高电压直流电流测量和快速过流保护等高速应用而设计。
数据手册:*附件:INA310A-Q1 具有比较器和基准、符合AEC-Q100标准的-4V 至110V、1.3MHz超精密电流检测放大器技术手册.pdf
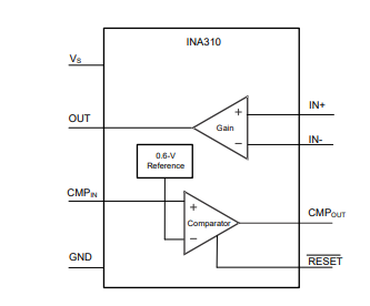
INA310x-Q1 包含一个开漏比较器,并提供 0.6V 阈值的内部基准。一个外部电阻分压器设定电流跳变点。比较器具有锁存功能,可通过将 RESET 引脚接地(或置于开路)进入透明状态。
INA310x-Q1 由 2.7V 至 20V 的单电源供电,消耗 1.6mA 的电源电流。 INA310x-Q1 有五个增益方案:20V/V、50V/V、100V/V、200V/V 和 500V/V。这些增益选项可以满足宽动态范围电流检测应用。
特性
• 符合面向汽车应用的 AEC-Q100 标准:
– 温度等级 1:-40°C 至 +125°C,TA
• 功能安全型
– 可帮助进行功能安全系统设计的文档
• 宽共模电压:
– 工作电压:−4V 至 +110V
– 可承受电压:-20 V 至 +120 V
• 高信号带宽:1.3 MHz
• 压摆率:2.5 V/µs
• 出色的共模抑制比 (CMRR):160 dB
• 精度
– 增益误差(最大值)
• 版本 A:0.15%,10ppm/°C 漂移
• 版本 B:0.5%,20ppm/°C 漂移
– 失调电压(最大值)
• 版本 A:±20µV,±0.25µV/°C 温漂
• 版本 B:±150µV,±1µV/°C 温漂
• 板载开漏比较器
• 内部比较器电压基准:0.6V
• 传播延迟时间:1 µs
• 比较器锁存功能
• 可用增益:
– INA310A1-Q1、INA310B1-Q1:20V/V
– INA310A2-Q1、INA310B2-Q1:50V/V
– INA310A3-Q1、INA310B3-Q1:100V/V
– INA310A4-Q1、INA310B4-Q1:200V/V
– INA310A5-Q1、INA310B5-Q1:500V/V
• 封装选项:VSSOP-8
引脚配置和功能
典型特性
功能方框图
应用
• 电子涡轮/增压器
• 电动助力转向 (EPS)
• 起动机/发电机
• 再生制动
• 制动系统
典型应用
INA310x-Q1 是一款单向电流检测放大器,能够通过分流共模电压为 -4V 至 +110V 的电阻分流器来测量电流。
龙腾半导体SGT MOSFET LSGT085R018在智慧农业无