时间:2025-02-24 09:41
人气:
作者:admin
中微爱芯推出七款CB3Q系列模拟开关:
AiP74CB3Q3125是一款带电荷泵的4路总线开关电路
AiP74CB3Q3244是一款带电荷泵以及每4路带输出使能的8路总线开关
AiP74CB3Q3245是一款带电荷泵和输出使能的8路总线开关
AiP74CB3Q3251是一款带电荷泵的八选一模拟开关电路
AiP74CB3Q3253是一款带电荷泵的2路四选一模拟开关电路
AiP74CB3Q3257是一款带电荷泵的4路二选一模拟开关电路
AiP74CB3Q3384是一款带电荷泵以及每5路带输出使能的10路总线开关
主要特点
工作电压范围:2.3V~3.6V
过压传输特性:
VCC=2.5V,Vsw=0~5.5V
VCC=3.3V,Vsw=0~5.5V
导通电阻2.8Ω(VCC=3.3V),有利于减小信号衰减与降低功耗
掉电(VCC=0V)防倒灌功能,可有效防止电流倒灌导致的后级电路损坏
工作温度范围-40℃~125℃,保证恶劣环境工况下的稳定运行
静态功耗=0.5mA
开关态漏电<1uA
传输延时<0.11ns
封装形式

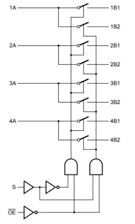
功能框图

AiP74CB3Q3125

AiP74CB3Q3244

AiP74CB3Q3245

AiP74CB3Q3251

AiP74CB3Q3253

AiP74CB3Q3257

AiP74CB3Q3384
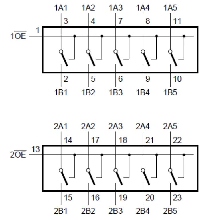
Pin arrangement diagram
引脚排列图

AiP74CB3Q3125

AiP74CB3Q3244

AiP74CB3Q3245

AiP74CB3Q3251

AiP74CB3Q3253

AiP74CB3Q3257

AiP74CB3Q3384
Application field
应用领域
在计算机、移动设备、工控设备、医疗电子等领域可适用于以下场景:
1、信号路由与切换,如在多个外设或模块间动态切换信号路径;
2、总线复用与共享,如实现多路数据总线共享;
3、高速接口扩展,如扩展高速接口的信号通道数量;
4、高精度数据采集,如管理高速ADCDAC的信号。
结语
中微爱芯新推出的CBTLVD系列、CBTLV系列与CB3Q系列模拟开关均是高速、低功耗信号管理的理想选择,与传统模拟开关相比,在带宽、导通电阻、功耗等方面均有较大性能优势,其应用覆盖计算机、移动设备、工控设备、医疗电子等领域,尤其适合需要高速信号、信号多路复用、信号路由管理的场景。
如需了解更多产品资讯,请联系我司授权代理商或销售工程师。
爱芯CBTLVLVDCB3Q电路家族选型表:
CBTLV为轨到轨信号传输
CBTLVD为非轨到轨信号传输
CB3Q为轨到轨信号传输,且能在VCC=3.3V时传输5.5V信号

关于中微爱芯
无锡中微爱芯电子有限公司成立于2004年,是一家以集成电路设计、测试、方案开发、销售和服务为主的高新技术企业,是工信部认定的集成电路设计企业,是国家鼓励的重点集成电路设计企业。产品已形成MCU、LCD显示、LED显示、通用逻辑、信号链、马达&栅驱动、功率器件、电源、音响、遥控器、通信、配套等多个系列几千款产品,覆盖消费电子、网通产品、工业设备、新能源、汽车电子等多个领域。
龙腾半导体SGT MOSFET LSGT085R018在智慧农业无