时间:2025-02-24 13:55
人气:
作者:admin
简介
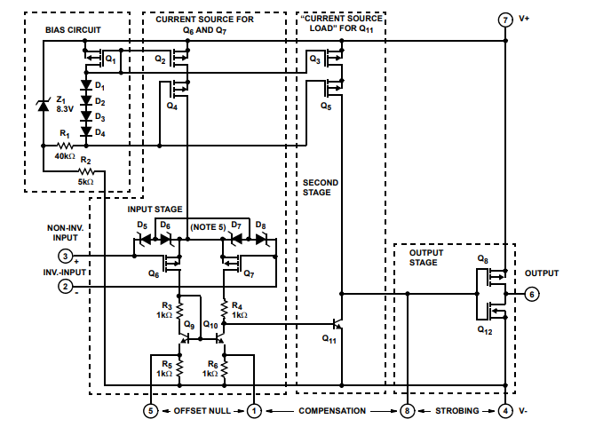
CA3130A 和 CA3130 是结合了 CMOS 和双极晶体管优点的运算放大器。输入电路中使用了栅极保护的 P 沟道 MOSFET (PMOS) 晶体管,以提供非常高的输入阻抗、非常低的输入电流和出色的速度性能。在输入级中使用 PMOS 晶体管,使共模输入电压能力低至 0。负电源端子下方 5V,这是单电源应用中的一个重要属性。CMOS晶体管对,能够将输出电压摆幅到任一电源电压端子的10mV以内(在非常高的负载阻抗值下),用作输出电路。CA3130 系列电路可在 5V 至 16V(±2.5V 至 plusmn8V)的电源电压范围内工作。它们可以通过单个外部电容器进行相位补偿,并具有用于调整偏移电压的端子,适用于需要偏移零点能力的应用。还进行了端子规定,以允许输出级的选通。该CA3130A具有优于 CA3130 的输入特性。
下载:*附件:CA3130A 15MHz、BiMOS运算放大器应用笔记.pdf
特性
插脚引线图
应用

龙腾半导体SGT MOSFET LSGT085R018在智慧农业无