时间:2025-02-25 18:15
人气:
作者:admin
概述
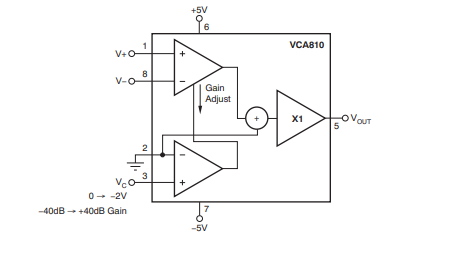
VCA810是一个直流耦合、宽带、连续可变、压控增益放大器。该设备提供差分输入到单端输出的转换,具有高阻抗增益控制输入,用于在-40 dB至40
dB范围内以dB/V为单位线性改变增益。
数据表:*附件:VCA810高增益可调范围、宽带压控放大器应用笔记.pdf
主要特性
高增益调节范围:±40dB,允许在宽范围内精确调整增益。
微分/单端输出:提供差分输入到单端输出的转换功能。
低输入噪声电压:2.4nV/√Hz,确保在最高增益设置时也能获得良好的输出信噪比。
恒定带宽与增益:在35MHz的带宽内,增益保持稳定。
高dB/V增益线性度:±0.3dB(高档为±0.9dB),确保增益控制的准确性。
增益控制带宽:25MHz,支持高速信号放大。
低输出直流误差:《±40mV,减小输出信号的直流偏移。
高输出电流:±60mA,能够驱动各种负载,包括双端接50Ω线或被动后过滤阶段。
低电源电流:24.8mA(在-40°C至+85°C的温度范围内),降低功耗。
电气特性
电源电压:±5V
增益控制电压:0V至-2V(对应-40dB至+40dB的增益范围)
输入阻抗:高阻抗,允许灵活的输入阻抗匹配。
输出阻抗:低阻抗,简化阻抗匹配。
功能方框图

引脚图

典型应用
VCA810广泛应用于各种需要精确增益控制的场合,包括但不限于:
光接收器时间增益控制:用于补偿光信号在传输过程中的衰减。
声纳系统:在水下探测和定位中,提供精确的增益调整。
电压可调有源滤波器:通过调整增益来改变滤波器的特性。
对数放大器:实现信号的对数放大,用于某些特定的信号处理应用。
脉冲振幅补偿:在脉冲信号处理中,用于补偿不同信道的损耗。
带有RSSI的AGC接收机:在自动增益控制(AGC)系统中,与RSSI(接收信号强度指示器)配合使用,实现精确的增益调整。
使用注意事项
ESD防护:该集成电路可被ESD(静电放电)损坏,因此在使用过程中需要采取适当的防护措施。
电源旁路:每个电源引脚上应连接两个电容进行旁路,包括一个大的电解电容(2.2μF至6.8μF)用于低频去耦,和一个小的陶瓷电容(0.1μF)用于高频去耦。
输入匹配:为了确保最小的输入失调电压误差,每个输入端应连接一个适当的电阻到地面,以匹配直流源阻抗。
龙腾半导体SGT MOSFET LSGT085R018在智慧农业无