时间:2024-02-18 18:22
人气:
作者:admin
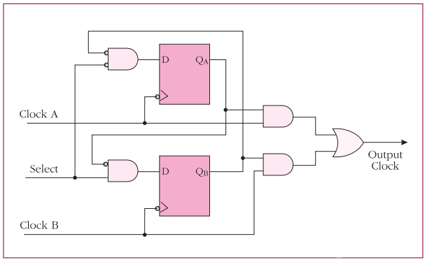
刚入行时最早看到的时钟切换电路出自下面这篇文献,第20页,Trouble-Free Switching Between Clocks。 这篇极短的小文章可能是 Xilinx 元老 Peter Alfke 写的。 Peter 是我非常敬重的前辈,读过几篇他写的数字电路小文章,非常实用,受益匪浅。
这个电路虽然概念上是对的,但有明显瑕疵。如果Select相对于Clock A, Clock B是完全异步asynchronous,电路中的两个flip flop在Select变化时会有亚稳态metastability的可能性。克服这个瑕疵的fix很简单,把图中的单个flip flop换成两级flip flop组成的同步器synchronizer就可以了。

Xilinx这个电路的基本思想是SR latch。去掉图中两个flip flop,最前端的两个AND组成一个类似SR latch的电路,只不过SR Latch的S,R输入换成了Select和Select inverted。为了使SR Latch的输出能与所需控制的时钟同步,加上了一级flip flop同步一下。当然,两级flip flop同步会更好。Xilinx这个电路里有一个非常重要的小细节,牵涉到时钟切换的一条重要原则---先关断当前选择的时钟,再使能新选择的时钟。QB反馈到Clock A那边经过一个反向再和Select反向AND,QA反馈到Clock B那边经过一个反向再和Select AND,保证了先关断再使能这个重要原则。
Xilinx这个电路里还有个非常重要的小细节,也是该电路的精妙之处。这两个flip flop的时钟输入端有个小泡泡,意思是时钟下降沿触发。这是一个重要的设计思想。如果要gate off掉一个时钟,在该时钟低电平时gate off是最安全的。如果是在高电平时做切换,很容易造成高电平被切掉一段变成一个毛刺,这可是大大的危害。搞笑的是网上随便搜一下“glitchless clock switching”,会出来一大堆文章,虽然都是基于Xilinx这个电路,但大部分漏掉了低电平触发这个细节。没有完全理解就胡乱抄胡乱吹牛,比较符合南亚某大国的国民性格。嘴上吹得天花乱坠,做事毛毛躁躁。做出来的电路有时工作有时不工作。玩具上用用倒也没大问题。这种态度用到飞机上就是737 MAX。
下面是改进的电路,一级flip flop换成了两级flip flop同步而已。

电路启动波形

切换波形– fast to slow

切换波形– slow to fast

这个改进电路依然有一些可以变化的地方。譬如电路中的AND换成ICG貌似更好一些,对后端的工具更友好一些,实际上ICG在初始状态有一个额外要求,不见得是好的选择,见补充2。
以上是一个比较经典的时钟切换电路。根据实际使用场景的不同,时钟切换有很多不同的实现方法,都可以做得非常经典。时钟,复位,是数字设计里最最基本的电路,稍有不慎,就会毁了整个设计,一定要谨慎再谨慎。
顺便讲一下,在芯片设计里,这种特殊电路都应该是例化instantiate的。例化的好处是便于在后端流程里找到这些门。例如,这里的AND可以用一个bbox_and模块。bbox_and里例化instantiate库里的CKAND2门。时钟切换电路里例化bbox_and模块,给个u_bbox_and_1 这样的instance name。在后端设计里,就可以很方便找到u_clkgen/u_bbox_and_1/bbox_and_0,加约束就会很方便。使用bbox模块也是数字设计中一个重要技巧,以后有时间再讨论了。
小结一下。
1)时钟切换的重要原则---先关断当前选择的时钟,再使能新选择的时钟。
2)当前时钟低电平时切换是比较安全的做法。
补充一下。 上面的电路只是概念上的示意图。 实际设计中要考虑 DFT, 要加 DFT clock mux, DFT reset mux,会复杂一些。
补充2
前面讲了可以考虑把AND换成ICG。一位网友指出,换成ICG后如果时钟的初始值时高电平,电路可能会出问题。首先感谢这位网友,谢谢指出这个与ICG特性有关的重要问题。
下面是改用ICG后的时钟切换电路。

下面是在clk1, clk2初始值都为高的场景下该电路启动时的仿真波形。在这个特殊场景下,由于clk1, clk2初始为高,使得对应的ICG输出clk_slow_gated, clk_fast_gated初始值为X,造成切换电路输出在初始时也为X!造成这个现象的是ICG的一个重要“缺陷”–未被初始化uninitialized ICG。

解释这个现象,首先要先看一下这个电路里用到的ICG的内部构造。这里SE(scan mode ICG enable),E(functional mode ICG enable)是latch的数据输入。Latch的gate信号为CK的反向。
CK为0时latch打开,(E | SE)通过latch,ICG的输出=(E|SE)& CK。因为此时CK为0,ICG的输出也为0。
CK为1时latch关闭并保持以前的状态(latch_old_state)。假设CK变为1前E=1,latch_old_state =1,ICG的输出=latch_old_state & CK= CK;假设CK变为1前E=0,latch_old_state =0,ICG的输出=0 & CK= 0。

如果初始时CLK为1,ICG内部的latch是关闭的,E无法通过,而且因为之前latch从来没有打开过,没锁存过任何确定的值,latch_old_state不确定(仿真中显示为X)。在这个场景下ICG输出= latch_old_state & CK= X& CK= X,即ICG输出为X。下面就是这个场景的波形。
如果初始时CLK为0,ICG内部的latch是打开的,ICG的输出为(E & CLK) = 0,ICG输出为确定值,ICG被成功初始化。下面是这个场景下的仿真波形。

综上所述,为了避免上述ICG未初始化引起的问题,使用ICG搭时钟切换电路时,系统设计中要考虑加一个时钟初始为0的要求。
补充3
基于补充2的电路,还有一种变化,就是把falling edge DFF换成rising edge DFF。这时要特别小心两个时钟周期相差很大的情况。例如一路时钟为clk_slow (slow clock),另一路为clk_fast (fast clock),选择信号sel由0变1 (clk_slow to clk_fast switch)。当clk_slow上升沿到来,当clk_slow这一路第二级DFF的输出(sel_sync_slow)变为0时,并不意味着clk_slow对应的ICG输出立刻变0,而是要等到clk_slow下降沿到来。也就是说此时clk_sw的输出仍旧clk_slow的高电平。这时如果clk_slow第二级DFF输出(sel_sync_slow)被直接送到clk_fast的选择输入逻辑,如果clk_fast非常快,就会出现clk_slow ICG尚未关断,clk_fast ICG已经打开,造成切换后的输出clk_sw出现毛刺。

为了避免这样的情况,必须引入第三级DFF。ICG E仍旧用第二级DFF输出,第三级DFF输出送到另一路选择逻辑。整体来看这样的电路有点浪费资源。
补充4
上面几种电路都只能在时钟正常跑起来的情况下完成切换。如果当前选中的时钟停了,选择信号无法通过由当前时钟驱动的两级DFF,也就无法实现切换了。
时钟停止属于系统级错误,需要在系统设计找到解决方案,这里就不赘述了。
审核编辑:黄飞
上一篇:关于SSB信号的解调仿真
龙腾半导体SGT MOSFET LSGT085R018在智慧农业无