时间:2024-02-19 17:09
人气:
作者:admin
有多种方法可以实现减法电路,一种就是使用上面的差分放大器,将四个电阻取值为:R 1 =R 2 =R 3 =R4时,上面的输出电压就变为了:

因此,上面的差分放大器又被称为减法器,我们重画差分减法器如下:

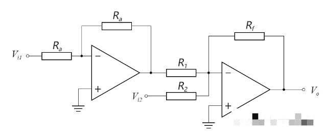
另一种实现减法运算的方法,就是利用前面的反相放大器和加法器级联,先将要做减法的量用反相放大器做反相,然后再将这个结果作为加法器的一个输入,与另一个输入相加,如下图所示:

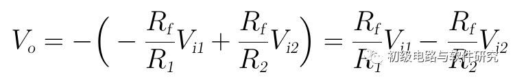
输入信号Vi1经过反相放大器后,变为-V i1 ,然后再将其与Vi2做加法运算,输出电压Vo表达式为:

如此,即实现了Vi1和Vi2的比例减法运算。
龙腾半导体SGT MOSFET LSGT085R018在智慧农业无