时间:2024-02-03 10:52
人气:
作者:admin
OR(或)门是常用的逻辑门之一,它是一个具有两个或多个输入和一个输出的电路。OR门的输出值取决于输入值。
对于具有两个输入A和B的2输入OR门,当任一输入为1时,输出为1;只有当两个输入都为0时,输出为0。OR门可以使用晶体管、电子器件或其他适当的元件来实现。它可用于数字电路中的逻辑运算、信号传输和数据处理等方面。多个OR门可以组合成更复杂的逻辑功能电路,如加法器、多路复用器、编码器等。
或门(OR)电路称为逻辑或门电路。
或门(OR)电路可以看作一个输入任何信号时都会输出的电路。
和上一页一样,我们以开灯泡来举例说明。
与门(AND)电路是串联的,但或门(OR)电路是并联的。
换言之,如果A或B中的任何一个为“ON”时,灯泡都会亮。
如真值表所示,向A或B输入1时,输出Y都为1。
原理图可用MIL符号表示,如图所示。

在逻辑符号中,OR门通常用加号(+)表示,也可以使用圆圈箭头(⊕)表示。
总而言之,OR门是一种逻辑门,用于将两个或多个输入的逻辑状态进行逻辑运算,并给出相应的输出。它是数字电路中常见且重要的组件之一。

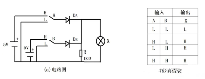
应用电路图如上图(a)所示:是用普通二极管构成的OR电路。输入电压均是5伏。在此,5伏为高电平H,0伏为低电平L。当开关A和开关B与L相连接时,电阻上没有电流流动,X电压为0,即输出为L。
当开关B的二极管导通,电阻上有电流流动。此时,电阻两端的电压为5伏,即输出为H,反之,当开关A与H相连,开关B与L相连时,输出状态与上述相同。当开关A和开关B中,都与H相连,电阻上有电流通过,X上的输出电压就是5伏,即输出为H。
OR门电路的原理是什么
OR门电路的原理是基于布尔逻辑。当一个或多个输入为高电平(逻辑1)时,输出也为高电平(逻辑1)。只有当所有输入都为低电平(逻辑0)时,输出才为低电平(逻辑0)。
具体来说,OR门电路由晶体管组成,其工作原理基于晶体管的开关行为。当输入信号为高电平时,晶体管处于导通状态,输出电压被传输到输出端。而当输入信号为低电平时,晶体管处于截止状态,输出端没有电压传输。因此,当输入中至少有一个为高电平时,输出电压就为高电平;只有当所有输入都为低电平时,输出电压才为低电平。
审核编辑:黄飞
上一篇:逻辑或运算——OR电路介绍
下一篇:逻辑非运算——NOT电路分析
龙腾半导体SGT MOSFET LSGT085R018在智慧农业无