时间:2024-02-11 10:41
人气:
作者:admin
二极管电桥是用于将交流电 (AC) 转换为直流电 (DC) 的简单电路。在本指南中,您将了解它是如何工作的、它的用途以及如何构建自己的。

整流二极管
二极管桥电路是一个非常简单的电路,仅由四个以方形连接的整流二极管组成。二极管只允许电流沿一个方向流动(从阳极到阴极),这使得它非常适合从交流电转换为直流电。

您可以在下面看到通过二极管连接时交流电压波形是如何转换的。交流信号在正值和负值之间交替。当该交流信号通过二极管时,只剩下正半周期。

上面的电路也称为半波整流器,在深入研究二极管桥(全波整流器)之前,这是一个需要掌握的关键概念。
二极管电桥电路
二极管电桥由四个二极管组成,它们连接成一个正方形:

您可以看到 D1 和 D4 共享同一阴极,而 D2 和 D3 通过阳极连接。这两点构成了输出。
您还可以看到 D3 的阴极连接到 D1 的阳极,D2 的阴极连接到 D4 的阳极。这两点构成了输入。
当您将交流输入施加到该电路时,您将获得如下所示的整流输出:

上一节的半波整流器只使用了正半周期,浪费了负半周期。
作为桥式整流器连接的四个二极管通过让正半周期流动,同时将负半周期转换为正半周期来解决这个问题。从而利用整个交流波形。
工作原理:正半周期内的电流
在电源的正半周期内,二极管 D1 和 D2 可以导通,而二极管 D3 和 D4
则不能导通,因为它们是反向偏置的。通过这种布置,正半周期为您提供流过电路的电流,如下所示:

工作原理:负半周期内的电流
在负半周期内,二极管 D3 和 D4 导通,而二极管 D1 和 D2
不导通。尽管电路现在接收到负半周期,但您可以在下图中看到电流如何以与以前相同的方向流过负载(输出)。这就是该电路如何将负半周期变成正周期的方式。

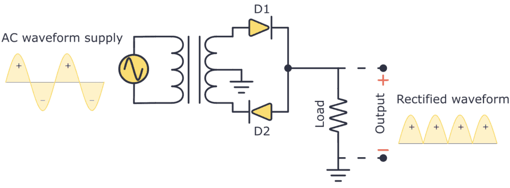
二极管电桥与中心抽头电桥整流器
二极管电桥不是唯一的全波整流器,还有另一种称为“中心抽头电桥”的通用电路。它允许交流信号的正半周期流动,并将负半周期转换为正信号。
如下图所示,中心抽头整流器仅使用两个二极管和一个中心抽头变压器即可实现全波整流。

与二极管电桥相比,中心抽头电桥由于其特殊配置而表现出更低的效率、有限的额定电压、更多的元件数量、更大的尺寸、更高的成本以及更低的灵活性。
应用
二极管电桥最常见的应用是直流电源。以下是 5V 直流线性电源电路的示例:

审核编辑:陈陈
龙腾半导体SGT MOSFET LSGT085R018在智慧农业无