时间:2023-11-27 14:16
人气:
作者:admin
IGBT的静态特性其实并非难以理解的东西,即便是对于外行人而言。
刚接触那会儿,看到转移特性、输出特性之类的就想溜之大吉,加之网上查询的资料一概笼统简单,只描述特性曲线所表示的关系结果,却并不解释曲线为何这里弯曲、那里平直,于是更加烦恼。
但是,像我这样的心态,迟早被生活按在地上摩擦!所以最终还是安安心心去啃书整合资料了。为了让即将走上和我一样道路的小伙伴能更高效快速地搞懂IGBT的静态特性,接下来我将用最简单的语言为大家解释其中原理。
小伙伴们在网上查询“IGBT静态特性”时,总会出现图1所示的两种曲线:其中左侧用于表示I C -VGE关系的曲线叫做转移特性曲线,右侧表示I C -VCE关系的曲线叫做输出特性曲线。

图1.IGBT的转移特性曲线及输出特性曲线
先从简单的入手,我们来解释转移特性曲线。
转移特性(Transfer Characteristic)
IGBT的转移特性曲线是指输出集电极电流IC与栅极-发射极电压VGE之间的关系曲线。
通过对IGBT内部结构的基本了解,我们知道IGBT可以理解为由MOSFET和PNP晶体管组成的复合晶体管,它的转移特性与MOSFET十分类似。为了便于理解,这里我们可通过分析MOSFET来理解IGBT的转移特性。

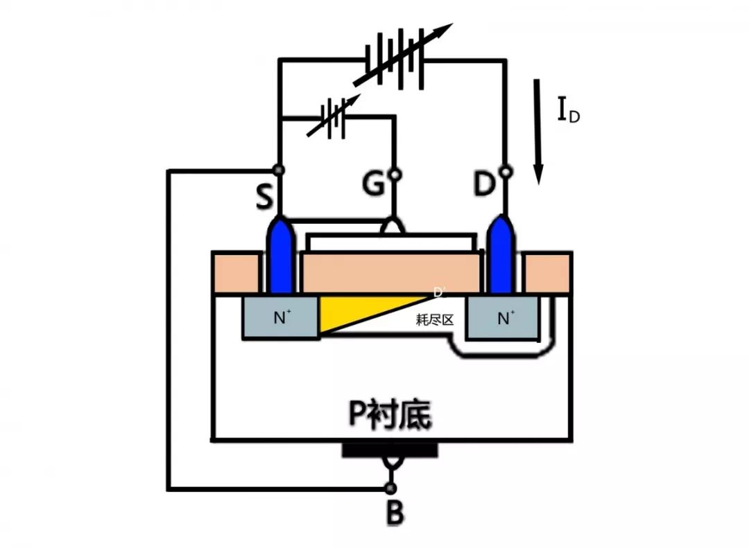
图2.MOSFET截面示意图
当MOSFET的栅极-源极电压V GS =0V时 ,源极S和漏极D之间相当于存在两个背靠背的pn结,因此不论漏极-源极电压VDS之间加多大或什么极性的电压,总有一个pn结处于反偏状态,漏、源极间没有导电沟道,器件无法导通,漏极电流ID为N ^+^ PN ^+^ 管的漏电流,接近于0。
当0GS GS(th) 时 ,栅极电压增加,栅极G和衬底p间的绝缘层中产生电场,使得少量电子聚集在栅氧下表面,但由于数量有限,沟道电阻仍然很大,无法形成有效沟道,漏极电流ID仍然约为0。
当V GS ≥V GS(th) 时 ,栅极G和衬底p间电场增强,可吸引更多的电子,使得衬底P区反型,沟道形成,漏极和源极之间电阻大大降低。此时,如果漏源之间施加一偏置电压,MOSFET会进入导通状态。在大部分漏极电流范围内ID与VGS成线性关系,如图3所示。

图3.MOSFET转移特性曲线
这里MOSFET的栅源电压VGS类似于IGBT的栅射电压V GE ,漏极电流ID类似于IGBT的集电极电流I C 。IGBT中,当V GE ≥V GE(th) 时,IGBT表面形成沟道,器件导通。
输出特性(Output Characteristic)
IGBT的输出特性通常表示的是以栅极-发射极电压VGE为参变量时,漏极电流IC和集电极-发射极电压VCE之间的关系曲线。
由于IGBT可等效理解为MOSFET和PNP的复合结构,它的输出特性曲线与MOSFET强相关,因此这里我们依旧以MOSFET为例来讲解其输出特性。

图4.MOSFET的输出特性曲线
由于研究输出特性时,我们通常以栅源电压VGS为参变量,因此这里假设VGS为某一固定值且V GS >V GS(th) 。
在漏极电流ID达到饱和之前,V DS >0 V且较小,此时,V GD >0V且接近于V GS ,整个沟道存在大量的电子,等效于电阻,因此从输出特性曲线上看,该部分呈线性变化,如图4可变电阻区所示。此时沟道呈图5所示。

图5.V GD >0V时MOSFET剖面图
随着VDS继续增大,VGD逐渐降低,因此漏极附近的反型层电荷密度逐渐减小,漏、源之间的电阻逐渐增加,I D -VDS的斜率也逐渐减小。
当V GD =0时,漏极附近的反型层电荷密度减小为0,I D -VDS的斜率减小为0,沟道开始夹断(称之为预夹断),此时漏极电流ID趋于饱和,不再随VDS的增加而增大,此时沟道呈图6所示。

图6.V GD =0 V时MOSFET剖面图
当V GD <0 V时,漏极附近的沟道区开始耗尽,增加的VDS主要由耗尽区承担,VD'S基本保持不变,此后漏极电流饱和,如图4恒流区所示。此时沟道如图7所示。

图7.V GD <0 V时MOSFET剖面图
当VDS继续增加,漏极N ^+^ 区与衬底P区之间的PN结两端的电压降达到雪崩击穿电压,该PN结发生雪崩击穿,ID迅速增大,如图4击穿区所示。
以上三个过程用曲线表现的结果如图4所示。
其中当V DS >0且较小时,ID随着VDS的增大而增大,这部分区域在MOSFET中称为可变电阻区,在IGBT中称为非饱和区;当VDS继续增大,I D -VDS的斜率逐渐减小为0时,该部分区域在MOSFET中称为恒流区,在IGBT中称为饱和区;当VDS增加到雪崩击穿时,该区域在MOSFET和IGBT中都称为击穿区。
IGBT的栅极-发射极电压VGE类似于MOSFET的栅极-源极电压V GS ,集电极电流IC类似于漏极电流I D ,集电极-发射极电压VCE类似于漏源电压V DS 。
细心的童鞋们从图4和图1右的输出特性曲线可以看出,在线性区它们之间存在差异(没注意到的小伙伴也可以直接看下图中红框所标位置)。

这主要是由于IGBT在导通初期,发射极P ^+^ /N ^-^ 结需要约为0.7V的电压降使得该结从零偏转变为正偏所导致的。
至此,IGBT静态特性的曲线就分析完啦。
龙腾半导体SGT MOSFET LSGT085R018在智慧农业无