时间:2023-12-01 10:02
人气:
作者:admin
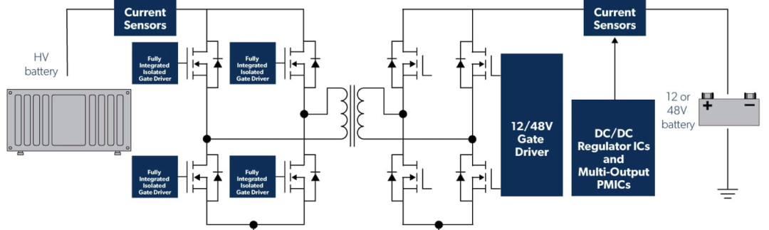
DCDC转换器是一种临时储存电能的设备,作用是将直流电从一个电压水平转换为另一个电压水平。
尤其在汽车应用里可将动力电池输出的高压直流电转换为低压直流电,给车内动力转向、水泵、车灯、空调等低压用电系统供电。
DCDC转换器产品图

电流传感器是电路安全稳定运行的卫兵,可以测量DCDC转换器回路的电流,从而实现电力监测功能。
我司推荐国产电流传感器芯片,电流量程2.5A~1200A,隔离耐压100V~5kV。抗磁/电源干扰,温度稳定性好,阶跃响应快,体积小。产品已广泛应用于汽车电子、光伏储能、工业自动化等领域。
除了电流传感器芯片,我司在DCDC转换器中还可提供碳化硅MOS、数字隔离器、驱动、通用MOS管、通用运放、TVS等国产器件的选型匹配。
审核编辑:刘清
上一篇:一文了解IGBT的极限值
龙腾半导体SGT MOSFET LSGT085R018在智慧农业无