时间:2023-11-09 15:27
人气:
作者:admin
1、T型三电平拓扑的开关状态:图1为T字型-三电平电路单相拓扑,拓扑中共有4个IGBT,4个二极管,还有电容组C1和C2; 假设正负母线电压均等,都是Vdc。将T1,T2,T3,T4的状态用1和0分别表示,1表示开通,0表示关断。

图1 T型三电平逆变器拓扑结构
将T1、T2、T3、T4状态组成的二级制数用16进制表示开关状态,如T1、T2、T3、T4分别为1、1、0、0,则将该开关状态的二进制数1100用十六进制数表示为C。
稳定模态有3种:C,6,3; 即当T1、T2、T3、T4分别为1、1、0、0时,输出电压为Vdc; 即当T1、T2、T3、T4分别为0、1、1、0时,输出电压为0; 即当T1、T2、T3、T4分别为0、0、1、1时,输出电压为-Vdc。
考虑死区后,还存在另外两种状态,分别为4,2。则T型三电平逆变器输出电压由Vdc → 0 → - Vdc → 0→Vdc的切换过程中,T型三电平具有如下图的切换状态,其中死区状态的切换用黄色部分表示,稳态状态用蓝色表示。

图2 T字型-三电平电路状态表
2、T型三电平逆变器的换流过程
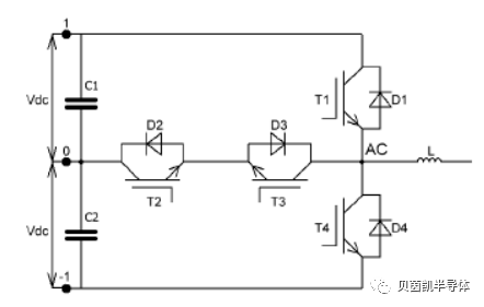
(1)开关状态为C时(T1、T2、T3、T4分别为1、1、0、0),开关状态,IGBT的C-E电压与输出电压的关系及电流路径如下图所示:

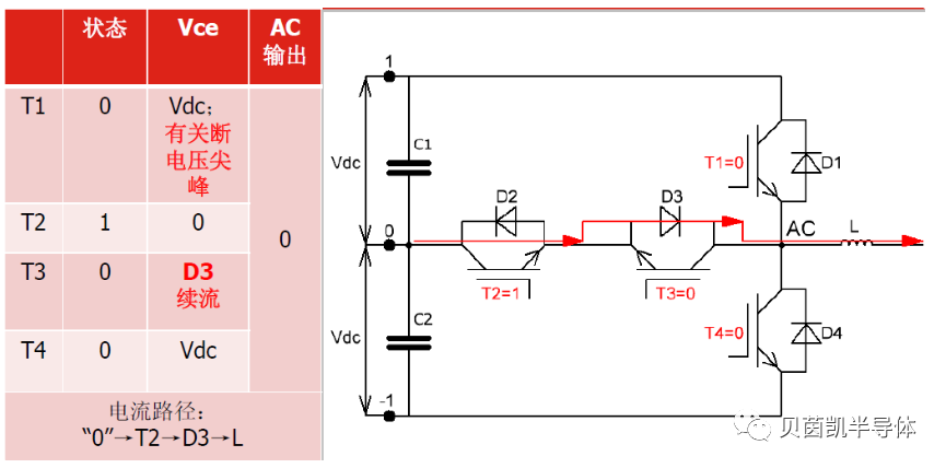
(2)开关状态由C(1100)到开关状态4(0100)的过程中,IGBT的C-E电压与输出电压的关系及电流路径如下图所示:

(3)开关状态由4(0100)到开关状态6(0110)的过程中,IGBT的C-E电压与输出电压的关系及电流路径如下图所示:

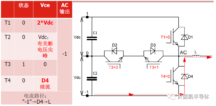
(4)开关状态由6(0110)到开关状态2(0010)的过程中,IGBT的C-E电压与输出电压的关系及电流路径如下图所示:

(5)开关状态由2(0010)到开关状态3(0011)的过程中,IGBT的C-E电压与输出电压的关系及电流路径如下图所示:

(6)开关状态由3(0011)到开关状态2(0010)的过程中,IGBT的C-E电压与输出电压的关系及电流路径如下图所示:

(7)开关状态由2(0010)到开关状态6(0110)的过程中,IGBT的C-E电压与输出电压的关系及电流路径如下图所示:

(8)开关状态由6(0110)到开关状态4(0100)的过程中,IGBT的C-E电压与输出电压的关系及电流路径如下图所示:

(9)开关状态由4(0100)到开关状态C(1100)的过程中,IGBT的C-E电压与输出电压的关系及电流路径如下图所示:

—— 小结 ——
经过以上对三电平拓扑中每个切换过程的分析,可以得出如下结论:
IGBT部分:1)电流朝外流时:T1(C-->4),T2(6-->2)在关断时会有电压尖峰。2)电流朝内流时:T3(6-->4),T4(3-->2)在关断时会有电压尖峰。3)T1~T4在关断时产生的电压尖峰,都是基于半个母线电压Vdc。但是由于T1管和T4管的阻断电压高,所以T1管和T4管的关断电压应力风险相对较低; 而T2管和T3管是低压管,所以T2管和T3管的关断电压应力相对较大,这点需要特别注意。
二极管部分:
1)电流朝外流时:D3,D4有续流。D3(4-->C),D4(2-->6)反向恢复。电流朝内流时:D1,D2有续流。D1(4-->6),D2(2-->3)反向恢复。3)高阻断电压D1管和D4管在反向恢复时,是基于半个母线电压Vdc,所以产生的峰值功率也相对较小; 但是D2管和D3管由于阻断电压较低,在基于半个母线电压Vdc反向恢复时,产生的峰值功率会相对较大,这点需要特别注意。
龙腾半导体SGT MOSFET LSGT085R018在智慧农业无