时间:2023-11-09 17:36
人气:
作者:admin
为什么要进行****IGBT寿命估算?
器件的寿命是对于不同场景使用而言的,不同环境下每个器件的寿命有所差别。影响器件使用时间的首先是器件本身的性能,其次是它的工作环境。我们评判一个器件“好”还是“坏”都是在一定框架条件下的。
在电力电子领域,IGBT的稳定性和可靠性直接影响整个系统的性能。为此,我们为您带来了这款专业的IGBT寿命估算工具,它不仅能够帮助您掌握IGBT在特定工况下的预期寿命,更将为您节省宝贵的时间和成本。
IGBT****寿命估算工具能为您做什么?
1.** 深入了解IGBT的工况表现-多种电路场景供选择**
您是否遇到过为选择哪种IGBT型号而困惑的情况?在如单相逆变器、三相二电平逆变器中,您希望了解IGBT的性能如何?我们的工具是您的答案。不用设计出具体的电路,也可以先行了解IGBT在特定场景下的可靠性。
工具中包含的电路拓扑包括:
①单相逆变器

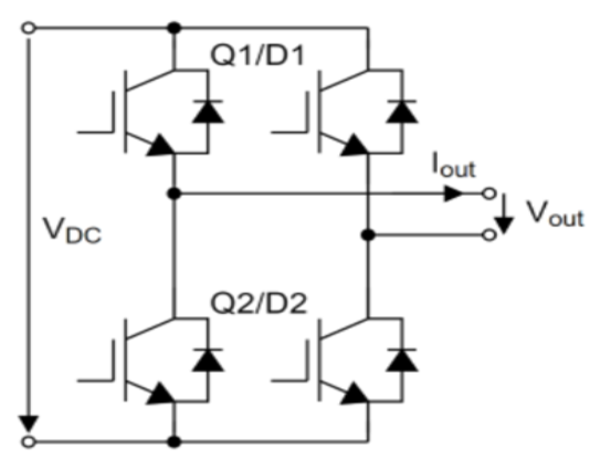
②三相二电平电压源逆变器

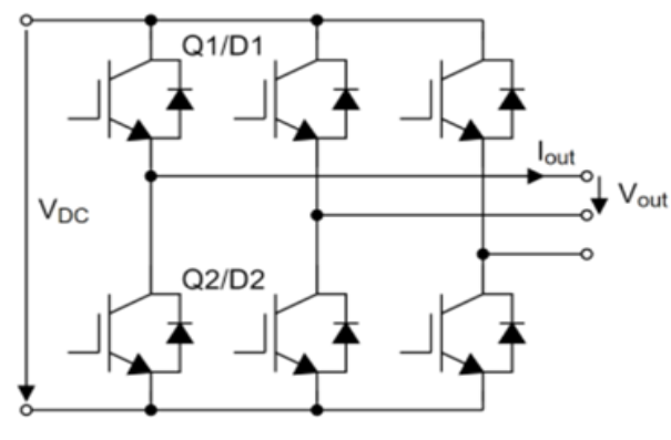
③三相三电平T-型逆变器

④NPC-I型三相三电平逆变器

这些电路拓扑作为IGBT通用的使用电路,覆盖能源发电、空调、UPS、变频器、汽车电机控制器、铁路、伺服电机等使用场景。
2.快速精准预测工作最高结温
输入器件型号和电路工况等信息,一键获取最高结温数据。为您的设计决策提供实时的关键信息。
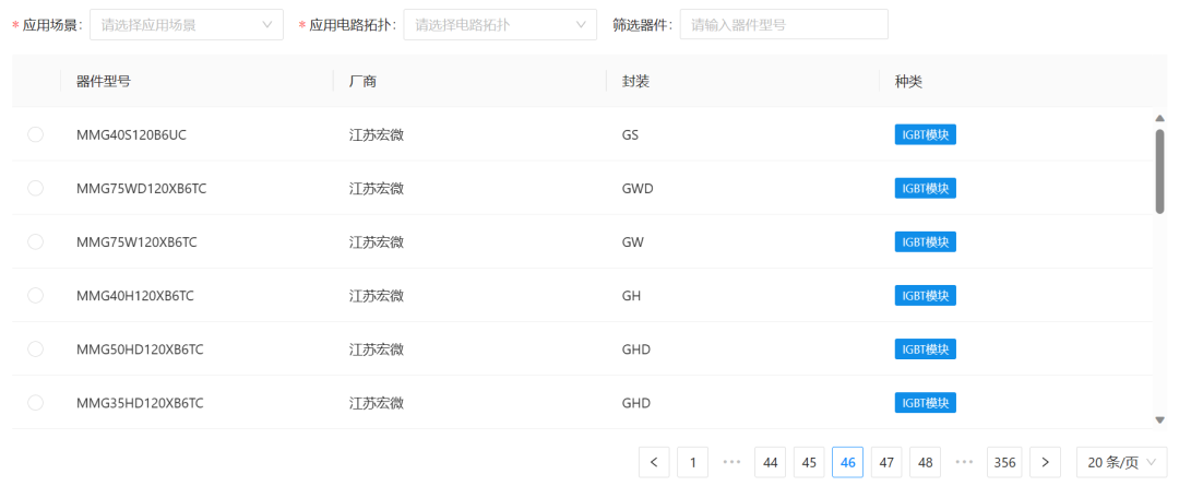
数据库中收录了部分具有公开信息数据的IGBT器件,您只要输入IGBT型号、IGBT所使用电路的工况、散热器散热条件,即可快速获得在这样的工况条件下一直工作最终能到达的最高结温,这个结温表征这器件工作状态下的结温极限。

图:数据库中部分器件
影响器件工作结温主要有两个因素,一是器件的使用的电路工况,二是器件的散热条件。对于同一电路工况,您可以调整散热条件评估器件最高结温的大小是否符合您的需求,方便在系统设计时有合适的散热参数,不至于花太多的成本且保证系统的持续完好运行。
若电路工况和散热条件已经确定,想寻找合适的器件,可以换一种器件在同样条件下运行,选择出更合适的器件。
从单相逆变器到NPC逆变器,都能为您进行快速准确估算。


图:稳态结温预测
3.蒙特卡洛仿真:专业预测IGBT寿命
针对某个具体的IGBT器件,简单输入稳定电路工况剖面,经过仿真计算之后为您呈现出IGBT的预期寿命。
在实际的电路中,电路参数可能存在波动,需要输入您觉得可能的电路参数波动的范围,据此进行蒙特卡洛仿真,最后得到寿命的分布,为您提供更为全面的寿命数据参考,助您更准确地进行风险评估和决策。

图:填写电路运行工况和散热信息


图:蒙特卡洛仿真计算结果
如果您希望得到更为全面的寿命视角,选择此仿真,探索寿命结果的全景分布,确保每个决策都建立在坚实的数据基础上。

图:蒙特卡洛计算后拟合的生存曲线案例
可靠度为0.9时该IGBT寿命约为1.055年。

图:IGBT寿命分布曲线案例
4.独家数据库:一站式查询与比较
无需四处搜索,我们为您整合了大量丰富的器件型号在不同工况和散热条件下的寿命数据。我们总结了四个电路场景共30种不同的电路工况进行计算。
您若不想填入复杂的信息而大致了解器件不同场景下的寿命,可以直接点击查询数据库。您可以方便地查询不同型号在不同情况下的寿命表现。快速检索已收录的型号寿命数据,实时对比不同型号,确保您每次都做出最佳选择。

图:寿命数据库部分展示

图:蒙特卡洛仿真数据库展示

图:蒙特卡洛仿真数据库(续上图)
龙腾半导体SGT MOSFET LSGT085R018在智慧农业无