时间:2023-11-01 09:08
人气:
作者:admin
这个数码管模块有意思的地方不是中间有两个小点,而是它的控制方式:只需要两个引脚就能够控制,通信方式与IIC很像。
TM1637的通信比IIC要简单些,可以作为IIC入门的学习,还是有一定帮助的。
模块简介
先说明一下,TM1637是天微电子的一款驱动芯片,数码管是普通的共阳数码管,模块是连接了驱动芯片和数码管的板子,模块的功能不完全代表芯片的功能。
相比于直接使用数码管,这一模块有这些优点:
此外,TM1637还有按键扫描功能,可以接8*2bit的矩阵键盘,可惜这模块并没有引出相应的引脚。
相比于IIC的通信方式,TM1637没有设备地址,直接发送数据,且传输数据时是按从低位到高位的顺序。
通信内容
简单介绍完毕,因为这模块只有数码管显示功能,下面就只以控制数码管显示为例,说说怎么玩这个模块。

TM1637芯片引脚图
TM1637的数据指令只有3种,以最高两位比特位B7、B6进行区别:

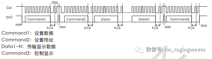
一个完整数据指令包含四个部分(按传输顺序排列):
1、开始与结束命令
当CLK在高电平时,DIO从高变为低为开始命令,从低变为高为结束命令。
除了开始与结束命令外,在传输其他数据时DIO都不能在CLK为高电平时发生变化,否则会影响数据的传输。
如果在指令或数据传输时发送了结束命令,那么当前传输的指令或数据无效(之前传输的会保留),通信会被初始化。
2、应答信号
当传输数据正确时,TM1637会在第八个时钟的下降沿,产生一个应答信号ACK将DIO拉低,在第九个时钟结束之后释放DIO。

翻译一下就是,每过了8个时钟,在第9个时钟DIO会变为低电平,第10个时钟才可以开始发送下一部分数据。
判断应答信号可以知道数据是否正确传输:先将DIO置高电平,若DIO不被拉低,则数据没有正确传输。
3、数据指令
数据指令有三种:数据命令设置、地址命令与显示数据、显示控制。

3.1、数据命令设置
数据命令设置包含三部分:数据读写模式设置、地址增加模式设置、测试模式设置。

在控制数码管时,数据读写模式设置、测试模式设置都是固定的,地址增加模式设置可以根据情况进行调整:
自动地址增加模式:
在设置了地址后,每传输完一个显示数据,地址会自动加一,当出现结束命令时停止。

举例:该模式下,假设进行位选选中第二个数码管后发送段选数据,当段选数据完成后,位选会自动选中第三个数码管。
固定地址模式:
在设置了地址后,后面只有一个显示数据,之后发送结束命令。

举例:该模式下,对每位数码管发送段选数据后位选不会自动加一,只能控制一位数码管;若需要控制多位,在发送完一次段选数据后需要再发送下一位数码管的位选数据。
3.2、地址命令设置
这一步开始就是真正的数码管控制了,和直接控制数码管的步骤一样,TM1637先处理地址命令(位选),随后处理显示数据(段选)。
位选:

该模块一共有4位共阳数码管(芯片最多能控制6个),地址从00H到03H,中间的小点由第二位数码管的小数点控制
段选:

显示数据一共8个比特位,从低位到高位对应着数码管的8个段(就是段选,一样一样的),需要注意数码管共阳与共阴的数据是相反的。
例如,需要控制第2位数码管显示数字2,需要发送以下数据(以固定地址模式为例):

3.3、显示命令设置
TM1637可以调节8级占空比:

需要注意,B3控制显示的开关,只有为1时数码管才会进行显示。
编程流程
下面结合一个例子,说说TM1637的通信流程。
假设需要控制第一位数码管显示2,第二位数码管显示3,模式为固定地址模式,亮度为最大亮度。
大致流程:
第一步:发送设置数据

第二步:发送数码管显示数据
(和上面那个例子一样,看过上面的这里跳过就行了)

第三步:发送亮度数据

这里就完成了数码管的显示控制,流程不多,也比较简单。
再进一步,可以写一下计数程序:

前面提到过,TM1637有显存功能,当不对其进行控制时,会一直显示之前显示的数据。
假设之前显示的是1234,然后按上面的例子只对第一、第二位数码管发送了数据,那么显示的的就是2334。
如果不能正常显示,可以检查一下是否没设置亮度,以及数据传输是否按照要求。
这里推荐一个小东西:逻辑分析仪,20多元的、像U盘的那种就够了,这东西在我之前舵机的那篇文章中出现过,但它正真的作用是分析通信的时序,在检查数据传输时非常有用。
最后
兜兜转转最后还是在玩灯哈哈
像上面说的,这芯片的通信方式与IIC类似,正在学习IIC的同学可以尝试一下玩玩这个。
这里只是简单讲了下这一芯片的控制,要想了解这块芯片的更多玩法可以去看官方的数据手册。
下一篇:二极管的反向恢复过程
龙腾半导体SGT MOSFET LSGT085R018在智慧农业无