时间:2023-10-11 09:56
人气:
作者:admin
一、单管无线话筒
电路原理
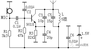
电路图见图22-11。电路用一只高频三极管组成电容式振荡电路,用驻极式话筒将声音变成模拟电信号,控制三极管的基极,从而改变振荡频率,输出按照声音规律而变化的高频振荡信号,再由天线发射出去。高频振荡频率在调频广播波段,所以可以使用调频收音机作为接收器。为了小型化,电路采用一节5号电池供电。电路输出功率很小,工作半径约为十几米。

图22-11
制作要点
由于电路工作在100MHz,所以电路应使用环氧树脂的印刷板。如果使用普通绝缘纸印刷电路板,则电路不易起振。由于电路比较简单,所以印刷电路板的设计也很容易。
学习、实验与思考
1.三极管放大电路
三极管具有放大功能,在这个电路中,这个放大功能主要用来产生高频振荡。其工作原理简单说是这样的,对于高频信号而言,基极接地,组成了共基极放大电路;从集电极输出的高频信号,通过电容分压电路,反馈到发射极,再由共基极电路进行放大,从而维持高频振荡。
对于直流电压和音频信号而言,三极管组成了共发射极电路。这种电路具有电流放大倍数高的特点。在基极输入很小的电流,就可以在集电极上获得较大的电流输出。这样,改变基极电阻的阻值,就可以调整三极管的输出电流大小,进而改变其工作点。电路工作时,由驻极体话筒输出的音频信号由三极管进行放大,在集电极上获得较大的电流变化。由于三极管的集电极与发射极之间存在一定的电容,并且这个电容的大小可以根据集电极的电压变化而变化,所以,当基极电流根据声音信号产生变化时,其集电极电容也产生相应的变化;这个电容是并联在振荡回路上的,从而振荡的频率也会随着声音信号的变化而改变。这样,由天线发射出去的高频信号是被声音信号调制的变频信号。这种调制方式叫做调频。
2.共发射极电路工作点调整实验
所谓三极管的工作点是指其集电极静态电流的大小,它决定了三极管的工作状态。它的大小可以改变了三极管的放大倍数、输入阻抗和频率特性。在本电路中,集电极电流一般在0.5~3mA之间为宜。
调整工作点的实验可以用一个串联在基极电阻的电位器,也可以用逐次改变基极电阻的方法来进行。电流表应串联在电源电路中进行测量,这样得到的数据虽然不是集电极电流,但是也能够基本反映出集电极电流的大小。为什么电流表不宜串联在集电极电路中呢?因为这样做电流表会影响到振荡回路的性质。
每次实验要做好记录,记录下基极电阻的大小,对应的基极电流,及在这个电流下,无线话筒的使用状况,包括音质、发射有效距离等。
实验的主要目的是了解基极电阻与三极管工作点的关系,三极管工作点与其放大倍数的关系等,从而对共发射极电路有比较深刻的认识和理解。
3.频率稳定性实验
所谓频率稳定性是指无线话筒在工作中发射频率的稳定。我们希望它在工作中,发射频率保持不变。但是实际上,这个电路的稳定性较差。有时工作了几分钟后,频率就“跑”了;这时你会发现接收机需要重新调整才能收到信号。还有时用手靠近发射天线,也会改变发射频率。为了检验电路的频率稳定性,同样需要进行测试。具体的实验步骤和方法读者可自行设计。
4.驻极体话筒偏置电阻实验
驻极体话筒工作时需要外加直流电压,这个电压是通过偏置电阻给出的。外加电压的大小可以影响话筒的工作效率。由于电路的电源电压不同,不同的电路中驻极体话筒的偏置电阻的大小也不同。一般这个电阻可在1k~10k之间选择。通过实验选择适当的偏置电阻,可以使话筒获得最佳的灵敏度。
二、频率稳定的无线话筒
电路原理
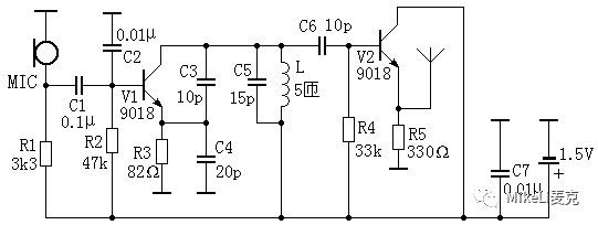
电路图见图22-21。这个电路在单管无线话筒的基础上,增加了一级输出隔离电路,以提高发射频率的稳定性。单管电路的主要缺点就是工作频率不稳定,尤其易受发射天线的干扰;使用时如果发射天线周围环境改变了,频率就会随之变化,影响无线话筒的正常工作。分析造成这一现象的原因就是天线直接接在振荡回路上,由于天线本身与周围环境形成一个电容,所以天线改变,就会引起振荡回路的电容变化,导致振荡频率漂移。针对这一缺点,在原来高频振荡器与发射天线之间,用一级共集电极放大电路来传输高频信号。由于共集电极电路具有较大的输入阻抗和较小的输出阻抗,所以可以提高发射电路的频率稳定性。另一方面,天线对振荡回路不会产生直接影响,从而消除了由于天线产生的频率漂移。

图22-21
制作要点
由于共集电极电路输入阻抗较高,高频信号输入电容C6只要10个pF,甚至可以不用,只要将这级三极管的基极靠近高频振荡电路的集电极即可。
学习、体验与思考
1.调整共集电极电路工作点实验
在一定范围调整共集电极电路的工作点,可以改变输出功率。
2.频率稳定性实验
设计的目标是获得频率稳定的电路,应该做到即使用手触摸天线,发射频率也不会改变。可通过实验检验电路是否达到预期的目标。实验应该与单管无线话筒对比进行。
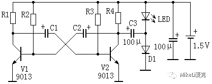
三、1.5V电压多谐振荡器LED闪灯
在通常的电路中,发光二极管LED的电源电压一般在3V以上,通过限流电阻保持LED的正常工作。本电路采用1.5V电源可驱动工作电压在1.7V以上的LED发光。而且,当电池电压降至1.2V时仍可驱动发光二极管工作。
电路原理
电路图见图22-31。用两个三极管组成多谐振荡器,然后用倍压整流电路将多谐振荡器输出的脉冲电压升高,驱动LED闪亮。

图22-31
制作要点
为了方便地进行实验,可在面包电路板上进行制作。有关面包板的使用方法,请参阅第一章有关内容。
学习、体验与思考
1.发光二极管的工作电压
发光二极管俗称LED,它的工作电压是多少?也许有人觉得太简单了——1.7V,书本上早有答案。其实我们应该通过实验更进一步认识LED的工作电压。如果我们多收集一些各种型号的LED,就会有一些新发现。
普通LED,红、绿、橙三种颜色各若干。
高亮度LED,红、绿、橙三种颜色各若干。
然后通过测量就会发现,普通亮度的LED工作电压在1.7~2.1V之间,而高亮度LED工作电压在1.4~1.8V之间。而且型号不同,工作电压也不同。红色的工作电压最低。一种蓝色LED,工作电压在2.8V以上,在相同的电流下,比红色的LED亮上百倍。与此同时,研制白色LED的工作也取得了进展,相信在不久的将来,利用白色发光二极管做照明光源的时代就会到来。
2.三极管多谐振荡器
多谐振荡器也叫自激多谐振荡器,是一种产生矩形脉冲的单元电路。所谓多谐振荡器,是由于矩形波含有脉冲频率各种整数倍数的高次谐波;例如频率为6Hz的矩形脉冲,除了含有6Hz的基波,还包含12Hz、18Hz、……等谐波成分。典型的多谐振荡器的电路结构也是对称的,即位置对称的电阻、电容、三极管的型号和参数相同。
多谐振荡器电路的两个三极管互相接成正反馈电路,可产生矩形波振荡。其振荡过程如下。电源接通后,左右两个晶体管分别通过自己的基极电阻得到正向电压,它们都趋向导于通;但是两个晶体管的参数不可能完全相同,总会有一个通过的电流强一些。不妨设左边的集电极电流强些,则由于集电极电阻的降压作用,导致左边晶体管的集电极电位下降;这样,电容C2充电,引起右边的三极管基极电流减小,进而导致右边三极管集电极电流减小;这样右边的集电极电位升高,引起左边的三极管电流进一步变强;由于这种强烈的正反馈,最终导致左边三极管饱和,右边三极管截止。但这是一个暂稳状态。进入暂稳状态后,C2上的电压逐渐升高,当这个电压达到右边三极管基极导通电压时,右边三极管开始导通,右边三极管进入放大区,集电极电流变大;这样右边三极管集电极电位变低,这样,电容C1充电,引起左边的三极管基极电流减小,导致左边三极管电流减小;最后到达右边三极管饱和,左边三极管截止的暂稳状态。如此完成了多谐振荡器的一个脉冲周期。脉冲宽度约为暂稳态的持续时间,即
d=0.7Rb1*C1=0.7Rb2*C2
3.改变多谐振荡器频率实验
从上面可以看出,电容C1和C2的大小可以影响振荡频率。事实上多谐振荡器的频率还与外接的基极电阻和集电极电阻有关,也与电源电压有关。但是它们对频率的影响是不同的。电容是最主要的因素,振荡频率与电容成反比。至于其他元件对频率的影响,可以通过实验来认识。做实验要注意,每次只改变一种元件,并且做好记录。
实验的目的是弄清楚这个电路中,影响频率的主要因素和次要因素。
在本电路中,通过实验,采用了非对称的电容器,以取得满意的灯光效果。
4.硅晶体管与锗晶体管实验
将导通二极管D1分别用硅管和锗管接入,其他不变,可以看出,用锗管时,LED的亮度明显大于用硅管时的亮度。从这个对比实验可以认识到,锗管的正向导通电压的确比硅管的要小。
5.一种更简单的1.5V发光二极管驱动电路
电路图见图22-32。这个电路采用晶体管直接耦合放大电路,因而只需1只电容器;电路具有电路简单,节省元件的优点。其驱动发光二极管的原理与前面的电路不同。电路通过电容器反馈产生振荡。由于电路采用独特的设计,左边的三极管对交流信号来说是共基极放大电路,右边的三极管对交流信号来说是共集电极放大电路;共基极电路的特点是输入电阻小,共集电极电路的特点是输出电阻小,发光二极管接在振荡电路的输出端可以获得超过电源电压的驱动。共基极电路的电流放大系数小于1,其电压放大系数取决于输出电阻与输入电阻之比;共集电极电路的电压放大系数小于1,所以整个电路的电压放大系数和电流放大系数相当于1个共发射极三极管的放大系数。由于整个电路的放大系数较低,所以电路产生振荡的条件比较苛刻。通过实验可知,电路对外接的电阻数值要求比较严格,稍有偏离,电路不易起振;它的振荡频率范围窄,需细心调整才能成功。

图22-32
6.面包板使用技巧
为了更方便地进行电子实验活动,通常在面包板上进行电路的设计和开发。使用时把电路中各种元器件插到面包板上,再按照电路图用插线将电路组装好,就可以看到电路的效果了。在面包板上组装电路,可以方便快速地修改设计,不但可以做到心中有数,使得作品的完成更顺利,还可以进行各种实验,通过实验直接体验到电路的性能,学到许多书本上没有的知识和技能,开发出更多更好的作品。使用面包板组装电路要用大量长短不同的接线。在面包板上有一种专用插线,但是这种专用插线的接头很容易损坏。可用直径为1mm的硬绝缘铜线自制面包连接线。根据所需连线的长度,剪裁电线并将电线两端的绝缘皮剥离,再插入面包板。使用自制插线有几点好处:价格便宜、长度合适、接线牢固、使用方便,可谓物美价廉。另外,在频繁地将电子元器件插入面包板的过程中,遇到的一个困难是插孔太紧,导致用力过大而将元器件的引线损坏。为解决这个问题,可以制作一个专用的锥子,在每次插入零件之前,先用它来插入孔内一次,再将零件的引线插入,就十分容易了。这种锥子可用大头针制作。取一枚大头针,将头部折弯,然后用电热塑枪打出一团塑胶将大头针的头部及中间部分包裹起来,留出约8毫米的针尖。等到塑胶冷却后,一个方便的小工具就制作成功了(见图13-14)。还要提醒大家,不用时别乱放,要把这个锥子插到面包板上。
7.思考
①设计一种在多谐振荡器驱动电路上带动2只LED发光的电路。
②回答:可使电路正常工作的电源电压是多少?使用的LED启动电压是多少?两者相差多少?
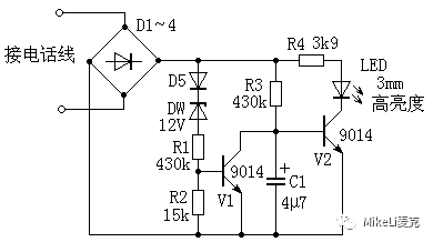
四、电话通话灯光显示器
把它接在电话线上,没有通话时,它不发出灯光;当电话摘机后,会发出灯光提示。把显示器放在明显的地方,可以减少发生电话听筒没有放置在正确的位置的情况。
电路原理
电路图见图22-41。电路由整流电路、电压识别电路、灯光显示驱动电路组成。整流电路可使显示器接入电话线路时不必考虑电话线路的正负极。电压识别电路用来识别电话的工作状态。在没有摘机时,电话处于待机状态,电话线路的电压约为50V的直流电压;当电话摘机时,线路电压降低到10V以下。50V的较高电压可击穿电路的12V稳压管,使三极管V1导通;V1的集电极与三极管V2的基极并联,V1导通后,使V2基极电位变低,V2截止,接在V2集电极的发光二极管不亮。当线路电压降低到10V以下时,稳压管截止,三极管V1截止,使V2基极电压升高,V2导通;接在V2集电极的发光二极管被点亮,显示电话在使用中。为了防止电路对来电振铃电压产生影响,电路中设置了时间延迟电路。

图22-41
制作要点
为了尽量减少电路对电话线路的影响,电路工作时使用的电流要尽可能的小,所以要使用高亮度的发光二极管。
学习、体验与思考
1.评价电路对电话线路的影响
首先进行理论分析,计算或者估算电路在没有摘机时最大消耗电流是多少,然后再用电流表进行测量,验证理论分析。如果出现很大出入,一定要找出导致非正常现象的原因。按照电路给出的数据可知,电路静态消耗电流约为200微安,不会对线路产生不利影响。
2.9014晶体三极管
电路采用了2只9014型三极管。9014是一种小功率低频硅三极管,常用来进行低频电压放大;它在90系列三极管中的特点是电流放大倍数高,β值在200以上,最高的达1000倍。在如此高的放大倍数工作,三极管的工作状态还十分稳定,这是其他任何三极管所达不到的。电流放大倍数越高,基极所需的电流就越小;此外它的集电极—发射极反相击穿电压也比较高,因此特别适合使用在这个电路中。
3.来电振铃灯光显示实验
为了确保电路不影响振铃信号,电路用积分电路对信号进行延迟,可通过实验测定延迟时间。根据实验可知,电路延迟时间约为半秒钟,也就是摘机后约过半秒钟灯光才亮。这样,对振铃信号也起到了过滤作用,在电话响铃时灯光不亮。如果取消电容器C1,则可观察到振铃时灯光也在闪亮。
4.电器电源电压过低提醒电路设计
很多电器设备上都有电池电压过低提醒电路。利用本电路的原理,可以设计这样的电路。例如采用3V电压的电器,当电源电压降到2.5V时就不能正常工作,设计这样的电路,使得电源电压高于2.5V显示灯不亮,当电压降至2.5V显示灯亮,以提醒使用者注意。
龙腾半导体SGT MOSFET LSGT085R018在智慧农业无