时间:2023-10-11 11:49
人气:
作者:admin
一、实验目的
1、 研究单相桥式整流、电容滤波电路的特性。
2、 掌握串联型晶体管稳压电源主要技术指标的测试方法。
二、实验原理
电子设备一般都需要直流电源供电。这些直流电除了少数直接利用干电池和直流发电机外,大多数是采用把交流电(市电)转变为直流电的直流稳压电源。直流稳压电源由电源变压器、整流、滤波和稳压电路四部分组成,其原理框图如图所示。

电网供给的交流电压u 1 (220V,50Hz) 经电源变压器降压后,得到符合电路需要的交流电压u 2 ,然后由整流电路变换成方向不变、大小随时间变化的脉动电压u 3 ,再用滤波器滤去其交流分量,就可得到比较平直的直流电压u I 。
但这样的直流输出电压,还会随交流电网电压的波动或负载的变动而变化。在对直流供电要求较高的场合,还需要使用稳压电路,以保证输出直流电压更加稳定。
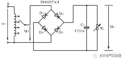
桥式整流是利用四个二极管,两两对接。输入正弦波的正半部分是D2、D4两只管导通,得到正的输出;输入正弦波的负半部分时,D1、D3两只管导通,由于这两只管是反接的,所以输出还是得到正弦波的正半部分。桥式整流器对输入正弦波的利用效率比半波整流高一倍,输出电压平均值近似为0.9u 2 。

整流后往往会加滤波稳压,而滤波电路会改变整流输出的脉动比,电容滤波输出电压平均值近似取值为1.2u 2 。
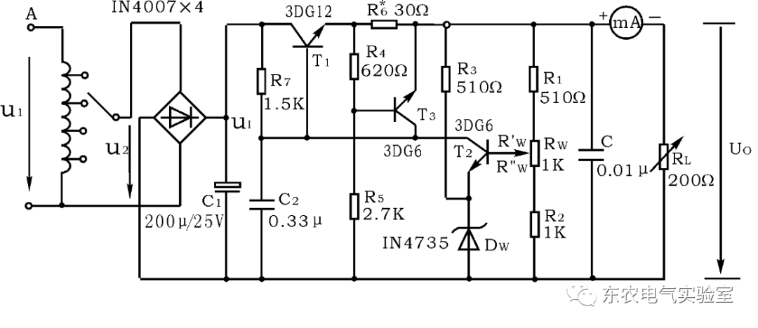
下图是由分立元件组成的串联型稳压电源的实验电路图。其整流部分为单相桥式整流、电容滤波电路。稳压部分为串联型稳压电路,它由调整元件(晶体管T 1 );比较放大器T 2 、R 7 ;取样电路R 1 、R 2 、R W ,基准电压D W 、R3和过流保护电路T3管及电阻R 4 、R 5 、R6等组成。
整个稳压电路是一个具有电压串联负反馈的闭环系统,其稳压过程为:当电网电压波动或负载变动引起输出直流电压发生变化时,取样电路取出输出电压的一部分送入比较放大器,并与基准电压进行比较,产生的误差信号经T2放大后送至调整管T1的基极,使调整管改变其管压降,以补偿输出电压的变化,从而达到稳定输出电压的目的。

由于在稳压电路中,调整管与负载串联,因此流过它的电流与负载电流一样大。当输出电流过大或发生短路时,调整管会因电流过大或电压过高而损坏,所以需要对调整管加以保护。在电路中,晶体管T 3 、R 4 、R 5 、R6组成减流型保护电路。
此电路设计在I 0P =1.2I0时开始起保护作用,此时输出电流减小,输出电压降低。故障排除后电路应能自动恢复正常工作。在调试时,若保护提前作用,应减少R6值;若保护作用迟后,则应增大R6之值。
稳压电源的主要性能指标:
1.输出电压U0和输出电压调节范围

调节RW可以改变输出电压U 0 。
2.最大负载电流I0m
3.输出电阻R0
输出电阻 R0 定义为:当输入电压U I (指稳压电路输入电压)保持不变,由于负载变化而引起的输出电压变化量与输出电流变化量之比,即

稳压系数定义为:当负载保持不变,输出电压相对变化量与输入电压相对变化量之比,即

由于工程上常把电网电压波动±10%做为极限条件,因此也有将此时输出电压的相对变化△U 0 /U0做为衡量指标,称为电压调整率。
5、 纹波电压
输出纹波电压是指在额定负载条件下,输出电压中所含交流分量的有效值(或峰值)。
三、实验设备与器件
1、 可调工频电源
2、 双踪示波器
3、 交流毫伏表
4、 直流电压表
5、 直流毫安表
6、 滑线变阻器200Ω/1A
晶体三极管 3DG6×2(9011×2),3DG12×1(9013×1)
晶体二极管 IN4007×4 稳压管 IN4735×1
电阻器、电容器若干
四、实验内容
1、 整流滤波电路测试
按图连接实验电路。取可调工频电源电压为14V, 作为整流电路输入电压u 2 。

(1) 取R L =240Ω,不加滤波电容,测量直流输出电压UL及纹波电压
,并用示波器观察u2和UL波形,记入表8-1 。
**实验步骤- **用示波器测量RL两端输出电压波形,万用表直流电压档测量输出电压直流量UL。

实验步骤 - 用万用表交流电压档测量输出电压交流量纹波电压

(2) 取R L =240Ω,C=470μf,重复内容(2)的要求,记入表8-1。

****实验步骤- ****用示波器测量RL两端输出电压波形,万用表直流电压档测量输出电压直流量UL。

实验步骤 - 用万用表交流电压档测量输出电压交流量纹波电压

(3) 取R L =120Ω,C=470μf,重复内容(1)的要求,记入8-1。

****实验步骤- ****用示波器测量RL两端输出电压波形,万用表直流电压档测量输出电压直流量UL。

~~ 实验步骤 - 用万用表交流电压档测量输出电压交流量纹波电压
。

整流滤波电路测试结果:
表8-1 数据示例

龙腾半导体SGT MOSFET LSGT085R018在智慧农业无