时间:2023-10-11 15:25
人气:
作者:admin
一、实验目的
1.学会放大器静态工作点的调试方法,分析静态工作点对放大器性能的影响;
2.掌握放大器电压放大倍数、输入电阻、输出电阻及最大不失真输出电压的测试方法;
3.熟悉常用电子仪器及模拟电路实验设备的使用。
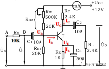
二、 实验原理
电阻分压式工作点稳定单管放大器实验电路图。它的偏置电路采用RB1和RB2组成的分压电路,并在发射极中接有电阻RE,以稳定放大器的静态工作点。
当在放大器的输入端加入输入信号ui后,在放大器的输出端便可得到一个与ui相位相反,幅值被放大了的输出信号u0,从而实现了电压放大。

当流过偏置电阻RB1和RB2 的电流远大于晶体管T 的基极电流IB时(一般5~10倍),则它的静态工作点可用下式估算:

电子器件性能的分散性比较大,在设计和制作晶体管放大电路时需要测量和调试。
三、 实验设备与器件
1.电子学综合实验平台
2.共射极放大器实验电路板
3.示波器
4.信号发生器
5.万用表
6.电阻
四、实验内容及步骤
放大器静态工作点的测量与调试。
(1) 调试静态工作点
测量放大器的静态工作点,应在输入信号ui=0的情况下进行, 即将放大器输入端与地端短接,然后选用量程合适的直流毫安表和直流电压表,分别测量晶体管的集电极电流IC以及各电极对地的电位UB、UC和UE。接通直流电源前,先将RW调至最大,函数信号发生器输出旋钮旋至零。接通+12V电源、调节RW,使IC=2.0mA(即UE=2.0V),用直流电压表测量UB、UE、UC及用万用电表测量RB2值。记入表2-1。
实验步骤-接电源。

实验步骤-串联电流表

实验步骤-调节静态工作点:调节RW,使IC=2.0mA

调试完成,进行静态工作点的测量。
实验步骤-测UB、UE、UC

实验步骤-测UB

实验步骤-测UE

实验步骤-测UC

实验步骤-测电阻RB2

表2-1 数据示例

发射结正偏,集电结反偏。
三极管工作在放大区,可以实现信号放大。
(2)测量电压放大倍数
在放大器输入端加入频率为1KHz的正弦信号uS=200mVpp,调节函数信号发生器的输出旋钮使放大器输入电压有效值Ui =10mV,用交流毫伏表测量三种电阻阻值情况下的UO值,计算Av并用双踪示波器观察uO和ui的相位关系,记入表2-2。
实验步骤-连接信号发生器、毫伏表(us=200mVpp,f=1KHz)

实验步骤-调节输入电压

连接交流毫伏表,测输出电压

改变阻值,测输出电压

RL1=1.2K 、 RC1=1.2K,测量Uo

RL1=2.4K 、 RC1=2.4K,测量Uo

表2-2 数据示例
输入电压有效值Ui =10mV

放大电路放大倍数与输出端电阻有关。
(3)观察静态工作点对输出波形失真的影响
置RC=2.4KΩ,RL=2.4KΩ, ui=0,调节RW使IC=2.0mA,测出UCE值,再逐步加大输入信号(us=1Vpp),使输出电压u0 足够大但不失真。
然后保持输入信号不变,分别增大和减小RW,使波形出现失真,绘出u0的波形,并测出失真情况下的IC和UCE值,记入表2-4中。
如果Q设置不合适,晶体管进入截止区或饱和区工作,将造成非线性失真。


实验步骤-调整输入电压,观察放大区输入电压、输出电压波形

实验步骤-测UCE -放大

实验步骤-饱和失真波形并测UCE

实验步骤-截止失真波形并测UCE

表2-3 数据示例

静态工作点位置影响放大电路工作状态。
龙腾半导体SGT MOSFET LSGT085R018在智慧农业无