时间:2023-09-28 11:47
人气:
作者:admin

Fig 1 Chopper offset-stabilized amplifier
图1是一个斩波失调稳态放大器,Gm4决定整个运放的低频noise和offset。LPF是用来抑制Gm4斩波后带来的纹波(ripple),否则在最后输出波形上表现出很多高幅值毛刺。斩波后的残余失调电压Vos,res在上一篇文章中已经给出公式了。

Fig 2 Noise in chopper-stabilized amplifiers
图2它是斩波稳态放大器的斩波前后的噪声功率谱密度图,Gm4的Vos和1/f噪声被调制到chopper频率上,然后通过LPF滤波以降低ripple。如果要有效降低1/f噪声,环路带宽和chopper频率一般大于主放Gm2的1/f噪声的转角频率。上一篇文章我们提到噪声主要由Gm4所在的低频高增益通路决定,这一决定的前提条件是:LPF的-3dB带宽应该大于主放Gm2的1/f噪声的转角频率,而且chopper频率要足够高以滤掉chopper的ripple。
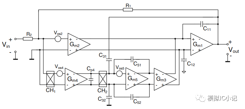
二:连续时域积分器(Continuous-Time Integrator)

Fig 2 Chopper offset-stabilization amplifier using an active integrator and multi-path hybridnested Miller compensation
图2中Gm5、C51、C52构成一种有源积分器,用来消除chopper的纹波。图2架构还包含了嵌套米勒补偿。增益级Gm2、Gm1构成高频低增益通路; Gm4、Gm5、Gm3及Gm1构成低频高增益通路。要实现好的频率响应,这两条信号通路必须满足以下公式:

C1表示C11或C12,C3表示C31或C32。
Gm4调制后的失调Vos4可以被积分器滤除。然而,积分器需要很大的电容来获得足够低的截至频率,所以纹波最终以三角波的形式出现在积分器输出端。在CH2作用下,Gm5的失调Vos5以方波的形式对寄生电容Cp4进行充放电,结果就是Gm4输出端产生的电流被CH1解调,产生残余失调电压Vos,res。
为了消除Vos,res,应该使寄生电容Cp4和Vos5尽可能做小。Cp4大小可以通过调整Gm4输出端的MOS管尺寸,还可以通过使版图对称平衡来降低Cp4。Vos5可以通过Auto-zero技术降低。
龙腾半导体SGT MOSFET LSGT085R018在智慧农业无