时间:2023-10-05 15:56
人气:
作者:admin
简介
功率因数校正 (PFC) 是客户在选择电源时寻求的功能之一,因为它对设备的整体效率起着巨大的作用。本文档介绍了功率因数校正 (PFC)的基本事实和原理以及管理该功能的法规。它还讨论了常见的原因以及为了获得 PFC 应避免的事情。
什么是功率因数
功率因数 (pf) 定义为有功功率 (P) 与视在功率 (S)之比,或表示电流和电压之间的相位角的余弦(对于电流和电压的纯正弦波)和电压波形(见图1)。功率因数可以在 0 到 1之间变化,并且可以是感性的(滞后,指向上)或容性的(超前,指向下)。为了减少感应滞后,添加电容器直至 pf 等于 1。当电流和电压波形同相时,功率因数为 1(cos (0°) = 1)。使功率因数等于 1 的全部目的是使电路看起来纯电阻(视在功率等于有功功率)。

有功功率(瓦)产生实际功;这是能量传输部分(例如电到电机的转速)。无功功率是产生磁场(损耗功率)以完成实际工作所需的功率,其中视在功率被视为电力公司提供的总功率,如图1 所示。该总功率为通过主电源提供的电力,以产生所需的有功功率。
效率低下的原因
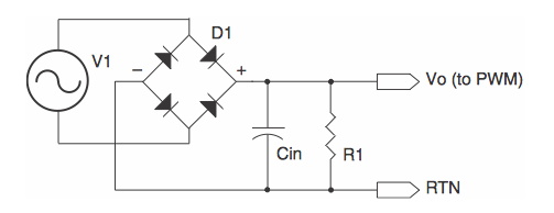
开关模式电源 (SMPS) 的一个问题是它们不使用任何形式的功率因数校正,并且输入电容器 CIN(如图 4 所示)仅在 VIN 接近 VPEAK 或VIN 为大于电容器电压VCIN。如果 CIN是使用输入电压频率设计的,则电流看起来会更接近输入波形(取决于负载);然而,主线上的任何微小中断都会导致整个系统产生负面反应。也就是说,在设计SMPS时,CIN的保持时间设计得大于VIN的频率,这样,如果VIN出现毛刺,错过几个周期,CIN将有足够的能量存储以继续为其负载供电。

图 3 表示 VCIN(t)(如图 4 中的电路所示)的理论结果,负载非常轻,因此 CIN 放电非常少。随着负载阻抗的增加,后续峰值之间的VCIN(t) 将会有更多的压降,但相对于总 VIN 只占很小的百分比(例如,输入为 120V,可能会出现 3-5 伏的压降。如前所述,只有当 VIN大于其存储电压时,CIN 才会充电,这意味着非 PFC 电路只会在整个周期时间内为 CIN 充电一小部分。

90 度后(图 4),电桥的半周期降至电容器电压 (CIN) 以下;它对电桥进行反向偏置,抑制电流流入电容器(通过VIN)。注意电感的输入电流尖峰有多大。供应链中的所有电路(墙壁布线、电桥中的二极管、断路器等)必须能够承载如此巨大的峰值电流。在这些短时间内,CIN必须充满电,因此会从 VIN中汲取短时间内的大电流脉冲。有一种方法可以平均这个尖峰,这样它就可以使用周期的剩余时间来积累能量,本质上是通过使用功率因数校正来平滑巨大的峰值电流。

为了更紧密地跟随 VIN 并且不产生这些高幅度电流脉冲,CIN必须在整个周期内充电,而不仅仅是其中的一小部分。当今的非线性负载使得我们不可能知道何时需要大的浪涌电流,因此在整个周期内保持电容器的浪涌恒定是有益的,并且允许使用更小的CIN。这种方法称为功率因数校正。
下一篇:高功率放大器故障及其分析
龙腾半导体SGT MOSFET LSGT085R018在智慧农业无