时间:2023-09-01 16:06
人气:
作者:admin
如果一个电阻器的两个端子都连接到另一个电阻器的每个相应端子,则称两个电阻器并联连接。在并联电阻网络中,电流可以采用多个路径,这与串联电阻器网络不同,因为电流流动的路径多条。因此,并联电阻电路是分流器。
并联电阻器
如果两个或多个电阻并联连接,则每个电阻器之间的电位差相同。并联的电阻器连接到相同的节点。这可以通过存在多条电流流动路径来识别。例如,下面显示的电路是电阻器的并联连接。电阻R1两端的电位差与电阻R2两端的电位差相同,等于电源电位VAB

如果是VAB提供的潜力,那么
VR1=VR2=VAB
在下面的电路中,电阻R1、R2和R3并联连接。

这里的供应潜力为VAB在点A和B之间。由于电阻R1、R2和R3并联连接,因此每个电阻两端的电位差与电源相同。因此VAB=VR1=VR2=VR3
VR1是电阻R1两端的电位。
VR2是电阻R2两端的电位。
VR3是电阻R3两端的电位。
但是流过这三个电阻的电流是不同的。如果I是离开节点A的电流,那么它有三条路径到达节点B。流过每个电阻的电流取决于其电阻。因此,在并联电阻电路的情况下,所有电阻中的电流都不相同。如果I1是流过电阻R1的电流,I2是流过电阻R2的电流,I3是流过电阻R3的电流,那么电流I、I1、I2和I3可以在基尔霍夫电流定律的帮助下相关。根据基尔霍夫电流定律,“进入节点的电流总和等于离开节点的电流总和。
因此
I=I1+I2+I3。
等效电阻公式
以并联组合方式连接的任意数量的电阻器都可以用单个电阻器代替,其电阻等于并联组合电阻器的等效电阻。
已经确定,并联组合中每个电阻两端的电压是相同的,总电流等于单个电流的总和。请考虑以下电路。
这里,I=I1+I2+I3
I1=V/R1
I2=V/R2
I3=V/R3
如果RT是电路的总电阻,那么
I=V/RT
因此V/RT=V/R1+V/R2+V/R3
1/RT=1/R1+1/R2+1/R3
如果Req是电路的等效电阻,然后通过添加单个电阻的倒数(1/R)来计算。这个代数和的倒数将给出等效电阻。等效电阻R的公式eq如下图所示,为N个电阻的并联电阻电路。
(1/Req)=(1/R1)+(1/R2)+(1/R3)+.........+(1/rn)
从上式可以观察到,并联电阻的等效电阻总是小于最小电阻的电阻。
如果有两个电阻并联,则等效电阻为
(1/Req)=(1/R1)+(1/R2)
REQ=R1*R1/(R1+R2)
如果两个电阻相等的电阻R并联连接,则组合的等效电阻为R/2。
类似地,如果三个电阻相等的电阻R并联连接,则组合的等效电阻为R/3。
电阻器的并联连接给出了电导值。电导是电阻的倒数。它通常由符号G表示。电导的单位是西门子,由符号S表示,以前的电导单位是Mho(℧),这是欧姆的反向拼写,符号是Ω的颠倒表示。
即使并联电阻连接在两个节点之间,这种连接的表示也可以采用以下任何形式。

上述所有组合都是并联电阻电路,并联电阻的所有规则也适用于上述组合。
电流计算
并联电阻电路每个分支中的电流彼此不同。由于每个电阻两端的电压相同,因此流过每个电阻的电流取决于该电阻的电阻。因此,如果一个分支中的电阻值与另一个分支不同,则这些分支中的电流将不同。该电流的值可以通过使用欧姆定律来确定。
考虑一个由两个电阻组成的并联网络,电源电压V在两点A和B之间。
让电流流过电阻R1是IR1和流过电阻R2的电流是IR2.
然后根据基尔霍夫电流定律,“进入电路的总电流等于离开电路的总电流。
如果IT是总电流,那么
IT=IR1+IR2
由于每个电阻两端的压降相同
IR1=V/R1
AndIR2=V/R2
如果考虑由n个电阻组成的并联电阻电路,则电路中的总电流为
ITotal=IR1+IR2+….+IRn
如果串联电阻电路称为分压器电路,则同样,并联电阻电路称为分流电路。
如果考虑由n个具有不同电阻的电阻组成的并联电阻电路,那么电流流动的路径可能为n个不同的路径,并且通过该路径的电流值可能为n个不同的值。并联组合的电阻可以互换,而不会影响总电流和等效电阻。
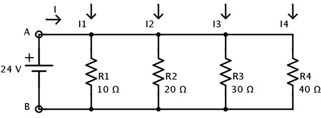
并联电阻器示例

每个电阻的电阻值为
R1=10Ω
R2=20Ω
R3=30Ω
R4=40Ω
电源电压为V=24V
电路中的总电流可以通过两种方法计算。
第一种方法是计算流过每个电阻的单个电流。
如果I1是流过电阻R1的电流,则根据欧姆定律
I1=V/R1=24/10=2.4A
同样,如果I2是流过电阻R2的电流,则根据欧姆定律
I2=V/R2=24/20=1.2A
如果I3是流过电阻R3的电流,则根据欧姆定律
I3=V/R3=24/30=0.8A
如果I4是流过电阻R4的电流,那么根据欧姆定律
I4=V/R4=24/40=0.6A
如果我总是电路中的总电流,则根据基尔霍夫电流定律,
ITOTAL=I1+I2+I3+I4=2.4+1.2+0.8+0.6=5A
计算电流的第二种方法是找出电路的等效电阻。
电路的等效电阻为
1/REQ=(1/R1)+(1/R2)+(1/R3)+(1/R4)
1/REQ=(1/10)+(1/20)+(1/30)+(1/40)
REQ=1/2.083=4.8Ω
该单个电阻器可用于替换并联组合中的所有电阻器。
∴ITOTAL=V/REQ=24/4.8=5A.
考虑以下电路,其中三个电阻R1、R2和R3并联连接。

流过R1的电流为I1=6A
流过R2的电流为I2=4A
流过R3的电流为I3=2A
在并联电阻电路中,每个电阻两端的电压相同,等于电源电压。
此处的电源电压为V=12V。
如果V1是电阻R1两端的电压,V2是电阻R2两端的电压,V3是电阻R3两端的电压,则
V=V1=V2=V3=12V
然后根据欧姆定律
R1=V1/I1
R1=12/6
R1=2Ω
R2=V2/I2
R2=12/4
R2=3Ω
R3=V3/I3
R3=12/2
R3=6Ω
应用
并联电阻的概念用于惠斯通电桥电路的分析。并联组合的电阻器用作分流器电路。这种分流器概念在模数转换器和数模转换器等应用中得到充分应用。
龙腾半导体SGT MOSFET LSGT085R018在智慧农业无