时间:2021-11-08 16:16
人气:
作者:admin
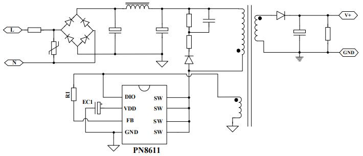
PN8611集成超低待机功耗原边控制器、FB下偏电阻和电容、VDD供电二极管、CS电阻及650V高雪崩能力智能功率MOSFET,用于高性能、外围元器件超精简的充电器、适配器和内置电源。PN8611为原边反馈工作模式,可省略光耦和TL431。内置高压启动电路,可实现芯片空载损耗(230VAC)小于50mW。

PN8611是一款全电压实现12V1A输出的电源适配器芯片,PCBA尺寸:50.0mm*38.0mm*16.0mm,12W功率输出,待机功耗<75mW,平均效率:>83.26%,可满足CoC V5 Tier 2,全电压可实现±3%的CC/CV输出精度,具有市电异常保护,输出短路、VDD过压、FB上电阻异常、肖特基短路、过温等保护功能。

12v1a适配器方案亮点:
■ 高集成度,仅2颗外围,1颗供电电容和1颗调节输出电压的反馈电阻;
■ 高恒压恒流精度,利用CP trim和FT trim技术,实现CC/CV 3%精度;
■ 高可靠性,精准实现市电异常保护;
■ 高转换效率,多工作模式轻松满足CoC V5 Tier 2能效标;
■ 卓越EMC性能,无Y无共模,EMC余量大于6dB

基于PN8611的12V1A适配器方案,在BOM精简至21颗元器件的情况下,方案依然可满足CoC V5 Tier 2能效要求且安规、EMC余量充足,实乃应对12V1A适配器激烈竞争中的一把利刃,更多Demo的图纸、BOM、变压器设计、测试数据、应用要点等详细资料,请向骊微电子申请。>>
龙腾半导体SGT MOSFET LSGT085R018在智慧农业无