时间:2022-09-26 10:18
人气:
作者:admin
概述
差分放大器是能把两个输入电压的差值加以放大的电路,也称作差动放大器,它是模拟电路设计中的一个重要电路,其对环境噪声具有更强的干扰抗性、能够有效抑制共模噪声。一般的运算放大器也能够当做差分放大器使用,但是运放自身的特性和匹配电阻网络的精度、匹配度对于差分放大器性能的影响都十分明显、使得差分放大器参数不理想。公司结合自身在模拟电路领域的技术与经验的积累,现推出了自产的差分放大器产品,能够对进口产品INA148进行完全国产化替代。

HJINA148采用GJB2438B-2007要求的厚膜集成工艺设计完成的一款高精度、低功耗、高共模电压差分放大器,由精密电阻网络和精密运算放大器组成。主要应用于差分输入放大器、统一增益放大器、同步解调器、电流/差分线路接收器、电池供电系统等方面。
特性对比

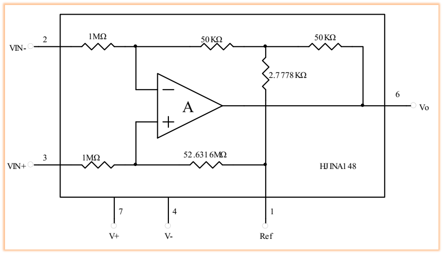
电原理图

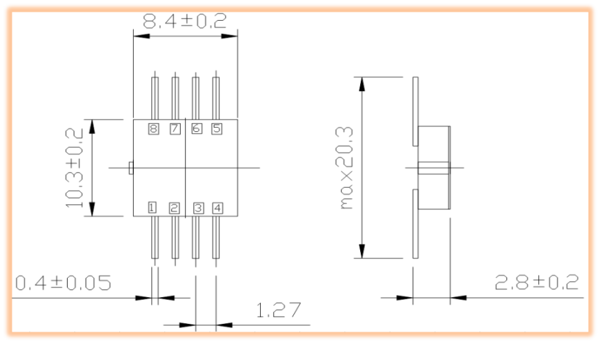
封装形式及引出端功能
1.封装形式:采用F08-04B陶瓷表贴八线外壳封装

2.引出端功能


电特性

典型应用图


相关产品推荐:
1.HJ133A高精度低漂移差分放大器
2.HJ629高共模输入电压差分放大器
龙腾半导体SGT MOSFET LSGT085R018在智慧农业无