时间:2023-08-23 15:16
人气:
作者:admin
LLC 谐振变换器因能满足现代电源设计苛刻的性能要求而成为电力电子领域的热门话题。 LLC 属于庞大的谐振变换器拓扑家族系列,而谐振腔是该拓扑系列的基础特征。谐振腔是一组以特定频率(称为谐振频率)振荡的电感器和电容器组成的电路。
这种开关模式的 DC/DC 电源变换器允许采用更高的开关频率 (fSW) 并且降低了开关损耗,因此更适用于高功率和高效率应用。LLC 谐振变换器是具有精密系统(即高端消费电子产品)或更高运行功率要求(即为电动汽车充电)的电源应用理想之选。
LLC 变换器由 4 个模块组成:电源开关、谐振腔、变压器和二极管整流器(参见图 1)。MOSFET 功率开关首先将输入的直流电压转换为高频方波;随后方波进入谐振腔,由谐振腔消除方波的谐波并输出基频的正弦波;正弦波再通过高频变压器传输到变换器的副边,并根据应用需求对电压进行升压或降压;最后,二极管整流器将正弦波转换为稳定的直流输出。

图 1:简化 LLC 变换器的电路原理图
LLC 变换器因其谐振特性,即使在非常高的功率下也能保持高效率。该特性同时实现了原边和副边的软开关功能,它降低了开关损耗,从而提高了效率。
另外,LLC 拓扑还能够节省电路板空间,因为它不需要输出电感器。这意味着所有电感器都可以轻松集成到单个磁性结构中,从而节省面积和成本。当电路的所有电感元件都位于同一个结构中时,其电磁兼容性将得到极大的改善;因为屏蔽单个结构比屏蔽三个结构一定更容易,也更便宜。
电源开关
电源开关可以采用全桥或半桥拓扑实现,每种拓扑都具备自己独特的输出波形(参见图 2)。

图2: 电源开关拓扑
这两种拓扑的主要区别在于:全桥拓扑生成的方波没有直流偏移,幅度等于输入电压 (VIN).;半桥拓扑则产生一个偏移 (VIN / 2)的方波,因此幅度仅为全桥波的一半。
每种拓扑都有其自身的优缺点。全桥拓扑需要更多的晶体管,因此实施成本更高。而且,添加的晶体管会导致串联电阻(RDS( ON))增加,从而增加传导损耗;但另一方面,全桥实现可以将必要的变压器匝数比 (N) 降低一半,因此可以最大限度地减少变压器中的铜损。
半桥拓扑的实施则更具成本效益,而且,它可以将电容器两端的 RMS 电流降低约 15%;不过,这种拓扑会增加开关损耗。
权衡利弊之后,通常建议在功率低于 1kW 的应用中采用半桥功率开关拓扑,而在更高功率应用中则采用全桥拓扑。
无需额外采样即可实现升压PFC转换器输入功率估算的可行性和准确性分析
数字PFC + LLC组合控制器助力快充适配器进入新时代
MPS PFC + LLC 数字控制器解决方案
多模式 PFC 和电流模式 LLC 二合一控制器:HR1211
节能技术对效率的提升
600W 离线电池充电器:PFC + LLC 产品 HR1211
了解更多:锂离子充电器评估板EVHR1211-Y-00B
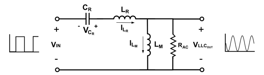
谐振腔
谐振腔由谐振电容器 (CR) 和两个电感器组成:谐振电感器 (LR)与电容器和变压器串联,励磁电感器 (LM)则与之并联。谐振腔的作用是滤除方波的谐波,将基频开关频率的正弦波输出到变压器的输入端。

图 3:带原边参考负载的 LLC 谐振腔示意图
谐振腔的增益随频率和副边负载而变化(参见图 4)。设计人员需调整这些参数,以确保变换器在宽负载范围内均高效运行。具体方法为,设计谐振腔的增益值,使其在所有负载条件下均超过 1。

图 4:不同负载条件下的谐振增益响应
LLC 变换器因谐振腔的双电感器而具有宽工作范围与高效率。要了解其原理,首先要了解谐振腔采用不同电感器时,在重载和轻载条件下的响应。
当谐振腔仅由谐振电容器和励磁电感器组成时,图 5 显示了谐振腔在不同负载条件下的增益。在轻载下,谐振腔增益有一个明显的峰值;但重载下的增益不仅没有峰值,反而有阻尼响应,并且只在非常高的频率下才达到单位增益。

图 5:具有并联电感器的 LC 谐振腔增益响应和示意图
当谐振腔仅由串联的谐振电容器和谐振电感器 (LR) 组成时,结果则不同。其增益不会超过 1,但当负载最大时,谐振腔达到单位增益的速度要比并联电感器快得多。

图 6:具有串联电感器的 LC 谐振腔增益响应和示意图
如果谐振腔中同时带两种电感器,则产生的频率增益响应可确保变换器充分响应更大的负载范围;而且,还可以实现对整个负载范围的稳定控制(参见图 4)。此时的 LLC 谐振腔具有两个谐振频率 (fR和 f 和 fM),可分别由公式 (1) 和公式 (2) 计算得出。
谐振腔的增益响应取决于三个参数:负载、归一化电感和归一化频率。
负载通过品质因数 (Q) 来表示,它取决于连接到输出的负载。但直接采用负载值并不准确,因为在谐振腔输出和负载之间还有一个变压器和一个整流器(参见图 1)。因此,我们必须为负载提供一个主参考值,即 RAC. RAC 和 Q 可以分别用公式 (3) 和公式 (4) 来估算:
归一化频率 (fN) 定义为 MOSFET 开关频率 (fSW) 与谐振腔谐振频率 (fR)之间的比率。 fN 可以通过公式 (5) 计算:
归一化电感 (LN)表示谐振电感和励磁电感之间的关系,用公式 (6)来估算:
有了以上参数,就可以利用公式 (7) 来计算变换器的增益响应了:
请注意,以上计算均采用一次谐波分析 (FHA) 进行。这种方法之所以适用,是因为我们已假设 LLC 是在谐振频率 (fR)内运行的。通过应用傅里叶分析,谐振腔的输入是由多个具有不同幅度和频率的正弦波组成的方波。由于谐振腔可滤除所有与基频 fSW频率不同的正弦波,所以我们可以忽略除基频正弦波之外的所有波,这可以大大简化我们的分析。
软开关
LLC 变换器的另一个常见特性是其软开关能力。
软开关功能旨在通过利用电流的自然上升与下降、以及电路内部电压来降低开关损耗,以确保电子开关在最有效的时刻导通或关断。如果在电流近似为零时开关,称为零电流开关 (ZCS)。如果在低电压下开关,称为零电压开关 (ZVS)。LLC 变换器凭借其谐振特性,可以同时实现 ZVS 和 ZCS。
图 7 显示了 LLC 变换器的四种基本工作模式。模式 1 和模式 3 为标准的 LLC 操作,如前文所述。在模式 1 中,电流从电源输送到谐振腔和变压器副边(Q1 导通,Q2 关断)。在模式 3 中,存储在谐振腔中的剩余功率被传输到变压器的副边,其电流的流动方向与模式 1 中相反(Q1 关断,Q2 导通)。ZVS 在模式 2 和模式 4 中出现,此时两个开关均关断;期间,电流流过晶体管的体二极管(例如模式 2 中的 Q2,或模式 4 中的 Q1),这也称为续流。

图 7:LLC 工作模式原理图
受体二极管的小压降限制,续流导致晶体管两端的电压 (VDS) 下降,直至接近零值。此时,两个栅极信号都为低电平,当电路从模式 2 转换到模式 3 、或模式 4 转换到模式 1 时,晶体管两端的电压接近于零,这最大限度地降低了开关损耗。

图 8:LLC 工作模式信号
结论
了解 LLC 谐振腔工作原理对设计 LLC变换器至关重要。谐振腔的谐振特性使LLC变换器可以在宽负载和功率范围内保持高效且稳定的运行,因此广受欢迎。不过,这种谐振也要求设计人员在设计电路参数时需非常谨慎,因为谐振腔的增益响应受大量参数的影响,其中包括负载和变换器的工作点(见公式 (7))。
MPS 的 LLC Designer 等设计工具是加速 LLC 设计过程的理想选择,它允许您快速迭代不同的增益和频率,并计算出设计所需的组件值。
审核编辑:彭菁
龙腾半导体SGT MOSFET LSGT085R018在智慧农业无