时间:2023-08-15 17:01
人气:
作者:admin
相控整流器是用于电动电子电路的电路,这种电路能够通过调控受精者的射击角度,将AC电压转换成DC电压,而Therristors是半导体装置,可以通过使用门信号调节电流流,在各种应用中使用了分阶段控制的整流器,包括发动机驱动器、供暖和照明控制、充电器和电子装置的电力供应。
单相控整流器是使用单一胸腔调节器控制当前流量的一类级控整流器。 与只允许流向一个方向的二元整流器不同, 单相控整流器允许双向控制电流。 通过调控胸腔的射击角度, 输出电压和电流可以管理, 使负载的电源调控。 单相控整流器在AC发动机速度控制和电池充电器中广泛使用。
Single-Phase Controlled Rectifier
单相控整流器,又称级控整流器,在电动电子应用中起着关键作用,这些装置用于将交替电流(AC)转换成导电流(DC),能够控制输出电压,通过调整能够转换大电流的半导体,即胸腔的点火角度(或相角)来达到这一目的。
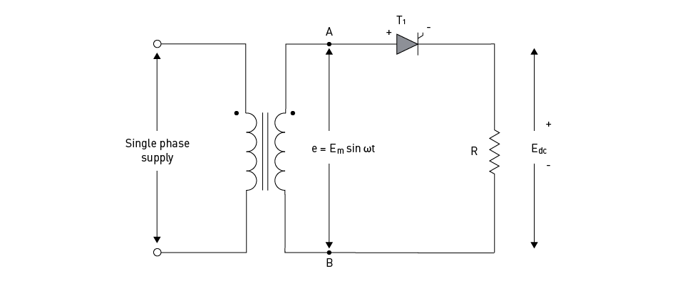
Half-Wave Controlled Rectifier
半波控制的整流器使用一个与载荷连成序列的单一胸腔,一旦在输入AC供应正半循环期间在特定射击角度触发,则该胸腔开始运行,输出电压波形由发射角度和输入AC电压振幅决定。通过调整射击角度,平均输出电压可以控制,这影响到向载荷输送的电量。然而,半波控制的整流器的缺点是只使用输入AC波形的一半,导致高度的调音扭曲和低功率系数。


Figure 7: Single-phase half-wave controlled rectifier circuit (top) and waveforms (bottom)
Full-Wave Controlled Rectifiers
全波控制整流器使用两个或两个以上胸腔整流器,其效率高于半波对应器,这些整流器使用输入AC供应的正和负半循环,有两种主要类型的全波控制整流器:中点配置和桥梁配置。
Midpoint Configuration
中点 或 中点 配置 中点 或 中点 配置 是 使用 中点 变压器 和 2 个 胸腔 的 设置 。 变压器 的 二次 刮线 分为 两半 , 中点 与 负载 连接 。 您的 胸围 将 二次 转线 连接 在 二次 刮线 和 负 负荷 的 端 。 通过 相继 触发 胸围 , 校正 校正 的 在 输入 AC 供应 的 正 和 负 半 周期 进行 , 通过 调整 射击 角度 控制 输出 。 然而, 此配置 的 缺点是 需要 中点 上 的 变压器 , 其 成本 和 繁琐 。


Figure 8: Single-phase full-wave controlled rectifier with midpoint configuration - circuit (top) and waveforms (bottom)
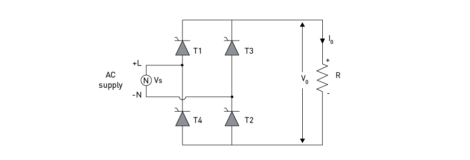
Bridge Configuration
桥形配置是一种分阶段控制的整形器,它使用在桥顶地形中排列的四根胸腺。 这样就不再需要一个中央挂起的变压器,使它成为一个更紧凑和更具成本效益的设计。 在桥形配置中,正半循环期间,两对对立的对立体行为,在负半循环期间,另外两对面的对立体行为。 通过调整胸口的射击角度,输出电压可以被控制。 与中点配置相比, 桥形变压器有若干优点, 包括更高的效率、更好的功率因素和较低的调力扭曲。


Figure 9: Single-phase full-wave controlled rectifier in the bridge configuration - circuit (top) and waveforms (bottom)
单阶段控制校正器的性能是根据平均输出电压、输出电流、波纹系数、功率系数和完全调和扭曲等参数进行评估的。 调整射击角度的控制技术包括常态射击角度控制、整体循环控制以及脉冲宽调制。
Constant Firing Angle Control
常态射击角度控制是一种技术,在整治过程中,使圣灵信徒的射击角度固定不变,这是调节平均输出电压的直截了当的方法,但可能导致动力因素和口音扭曲问题,特别是在低输出电压水平上。
Integral Cycle Control
集成循环控制是一种控制输出电压的方法,它通过开关胸腔和关机来控制固定数量的完整输入电压循环。这种方法可以帮助改善动力因素和减少口音扭曲,但也可能造成大量的输出电压和当前波纹,从而在某些应用中造成更多的噪音和意外影响。
Pulse-Width Modulation
Pulse-width 调制法(PWM)是一种先进的控制技术,用于动态地改变胸腔的射击角度,以达到理想的输出电压波形。通过仔细选择射击角度,PWM可以尽量减少调制曲解,改善功率系数,并提供更好的输出电压调节。然而,PWM控制的校正器需要更复杂的控制电路,可能需要先进的数字控制器或微处理器。
Applications of Single-Phase Controlled Rectifiers
单相控整流器在一系列领域,包括电池充电、变速机动车驱动器、电子装置的电力供应、电动车辆充电站等,都有广泛的应用。 由于它们有能力调节输出电压和处理高功率电,这些整流器适合各种工业、商业和住宅应用。
最后,必须指出,单阶段控制修正装置由于能够高效率和准确地将空调功率转换为DC功率,在电力电子设备中广泛使用单一阶段控制修正装置。 工程师们可以利用其对操作原则、性能参数和控制技术的知识,在一系列应用中设计和实施这些装置。 随着技术和控制战略的继续推进,单阶段控制修正装置仍将是满足现代电力系统需求的关键组成部分。
Semi/Dual/Full/ Series Converters
根据用于控制输出电压的转换器类型,单相控整流器可分为几类,这些类别包括半对流器、双电、全电和序列转换器。
Single-Phase Dual-Converters
双向转换器属于单相控整流器类别,能够向负负向负向负向负向负向负向负向向负向向负向向向负向向向负向向向负向向向向向向负向向向向向向向向向向向向向向投电,使两向转换器比半波转换器更具有多功能性,双向转换器由两个转换器组成,一个作为整流器,另一个作为反向转换器,使两向转换器能够用于需要双向电流的应用程序。此外,双向转换器是专门为四平方操作设计的,通常用于可逆和可变速的DC驱动器。
第一个象限用于前方马达,其中转换器 1 以正向模式在上方,而胸腺的射击角度低于90度。第二个象限用于再生制动,其中转换器 2 以反向模式在上方,而胸腺的射击角度大于90度。第三个象限用于反向马达,其中转换器 2 以正向模式在上方,而胸腺的射击角度低于90度。第四个象限用于再生制动制动,其中转换器 1 以反向模式在上方,而胸腺的射击角度大于90度。
虽然双重转换器具有更大的多功能性和双向电流,但其复杂性和部件要求的提高使其比半转换器和单阶段全波控制的全波控制整变器更昂贵和复杂,此外,双重转换器可能会在输入电流中造成更高程度的调和扭曲,导致传输和配电系统增加电力损失,以及电磁干扰问题,因此,仔细评估各种整变器类型之间的权衡对设计高效和高性能电子系统至关重要。
Single-Phase Semi-Converters
单相半转换器由两个胸腔或立方体和两个二极管组成。 立方体作为固态开关,使流向一个方向流动, 当触发时, 这些装置也被称为“ 胸腔”。 在单相半转换器中, 一个二极管和一个 SCR 控制着AC 输入电压的正半循环, 另一个二极管和 SCR 控制着负半循环。 发送到负半循环的平均DC电压可以通过控制触发脉冲到 SCR 的时间来调整。 SCR 的导向角度是您心室处于前向偏向状态的期间, 进行当前。 与 AC 波形零中转点相关的胸腔触发脉动的时间决定着导角度, 可以通过调整触发脉冲的时间来修改该角度, 从而控制发往负载的DC平均电压。
半置换器提供了一种简单有效的方法来控制用两个 SRR 和两个二极管交付给一个负荷的DC电压。但是,它们的输出电压限制在峰值输入电压的64%(将在下面的偏移中解释),而交付给负荷的平均DC电压低于全波校正器的电压。如果峰值输入电压被指定为 V ,则其输出电压将限制在峰值输入电压的64%(将在下面的偏移中解释),而交付给负荷的平均DC电压将低于全波校正器的电压。P,以及SCR作为α的发射角度,输出电压的平均值等于:
因此,最大输出电压是:
单阶段半转换器只进行一个象限操作,在I象限内前行机动,在设计动力电子系统以确保最佳性能和效率时,必须仔细考虑不同类型矫正器之间的权衡。
Single-Phase Full Converters
单阶段完整转换器使用4个 SCR 提供恒定的DC输出电压。 与双转换器一样,全转换器提供不间断的输出电压,支持双向电流。 随着4个 SCR 的安装,全转换器能够为AC 输入电压的正和负半循环提供连续输出电压。
完全转换器在两个象限内运行:I象限内的前向运动和IV象限内的反向制动。在前向运动中,输入电压适用于与输出电压相同的极值的负载。在反向制动时,输入电压适用于与输出电压相对的极值的负载,允许负载将能量作为热能消散或将能量返回电源。这样,完全转换器就适合应用诸如DC发动机驱动器等应用程序,即机动和制动操作需要双向电流。
单相全转换器可以在两个方位内操作:前向运动的第一个方位(I)和反向制动的第四个方位(IV)。在第一个方位操作中,输入电压以与输出电压相同的极度提供给负载,而在第四个方位操作中,输入电压作为输出电压适用于对极的负载。这使得负载能够将能量作为热量排出,或将能量返回到电源,使完全转换器能够理想地用于双向电流应用,如需要机动和制动操作的DC汽车驱动器。
完全转换器提供双向电流和连续输出电压,需要4个电解码和额外的控制电路。 完全转换器可以在输入电流中产生更高程度的调和扭曲,这可能导致增加电流损失和电磁干扰等问题,因此,在设计电动电子系统以实现最佳效率和性能时,必须认真评价不同类型整洁器之间的取舍。
Single-Phase Series Converters
系列转换器混合使用半转换器和双转换器,提供正和负输出电压,包括两个半转换器和一个连成系列的双转换器,在需要高功率和精确控制输出电压的应用中,通常使用序列转换器。
Three-Phase Controlled Rectifiers
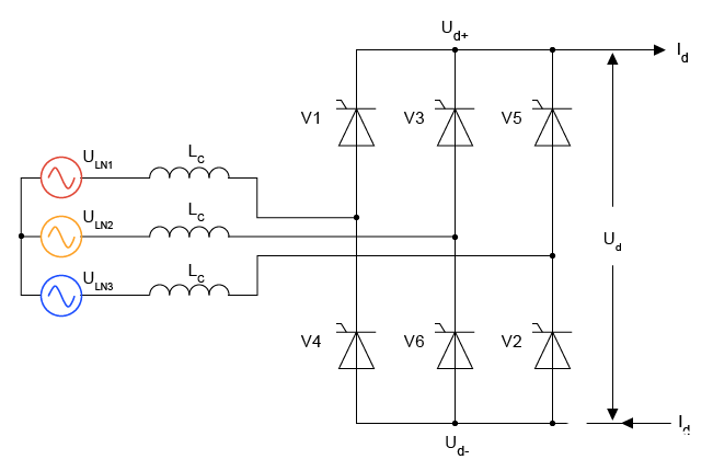
三相控整流器是用于将三相AC功率转换为DC功率的电动电子设备中广泛使用的一个组件。这些整流器在电源、可变速度驱动器和电动控制器等不同领域都能找到应用。三相控整流器的基本配置包括由桥状表层排列的六个二极管,与导管或其他半导体开关同时连接,以调节整流器的输出电压。有两大类三相控整流器:六波和十二波整流器。六波整流器是最简单、最常用的。三相控整流电路的每个阶段都有三根导管,按顺序发射,以产生脉冲输出电压。然后,输出电压通过过滤电容器平滑,产生DC电压。

Figure 10: Three-Phase 6-Pulse Full-Wave Controlled Rectifier
另一方面,12个脉冲整流器有2个6个脉冲整流器同时连接,以产生更顺畅的DC输出电压。它们需要一个更复杂的控制系统来同步两个脉冲整流器。

Figure 11: Three-Phase 12-Pulse Full-Wave Controlled Rectifier
三阶段控制的整变器比单阶段控制的整变器具有若干优势,包括高功率输出、低调扭曲和更高的效率,但是,它们更为复杂,需要更先进的控制系统,此外,它们需要更多半导体开关,这可以增加整变电路的成本。
Input Current Harmonic Distortion
工业应用中广泛使用三相控校正器,因为它们能够提供可调适的DC电压,且能变换电力。不过,这些校正器在输入当前调和曲解方面有很大的缺点。校正电路的非线性导致输入电流中含有可造成动力系统干扰、对其他连接设备性能产生不利影响的调和电流。完全的调和扭曲(THD)因子可用于测量输入中的调和电流扭曲。THD因子表示输入流的调和值与基本频率组成部分的RMS值之比。高的THD因子可造成电压扭曲、降低功率质量和增加功率损失。
因此,必须尽量减少高分辨率因子,以提高动力系统的性能和可靠性,可以采用不同的控制战略,减少三相控制的整治器,如口腔注射、脉冲跳和空间矢量调制等,输入时时的调和扭曲。
Output Ripple Voltage
三相控整流器中的输出波变电压是指DC输出电压与其预期恒定值的波动。这种波变电压是被纠正的输出波形脉冲性质造成的,而这种波变电压的产生是由于原主的调换动作造成的。
三相控整流器中输出波纹电压的振幅与负电流和AC输入电压的频率直接成正比。因此,如果负电流增加或输入电压频率降低,输出波电压的振幅也会增加。波纹电压的增加降低了DC输出电压的总体质量。
为了减少三相控制整流器的输出波纹电压,使用了各种技术,如电能、感应和LC过滤技术,这些过滤技术使用被动部件,包括电容器和感应器,以平滑DC输出波形的脉冲,降低输出波波的振幅。
过滤技术的选择取决于具体应用和所需的波纹降低水平。 能力过滤是一种简单和成本效率高的方法,但在减少高波调调调方面效果较差。 感应过滤在减少高波调调调调方面更加有效,但更复杂和昂贵。 LC过滤提供最高水平的波纹降低,同时也是最复杂和昂贵的过滤技术。
减少产出波纹电压对于在三阶段控制的整流器中维持稳定、一致的DC输出电压至关重要,采用过滤技术可以有效降低输出波纹电压的振幅,提高DC产出电压的总体质量。
Efficiency
效率是三阶段控制修正器设计和操作中的一个关键因素,修正效率被定义为DC输出功率与总输入功率之比。 在三阶段控制修正器中,若干因素可以影响效率,如使用的控制策略、负载特性和切换频率。
在产出电压和电流不变、损失最小化的情况下,通常能达到最高整流效率,但在实际应用中,输出电压和电流可能不固定,而整流可能因转换、导电和其他因素而蒙受损失,为了提高效率,必须减少整流电路的损失。
使用诸如脉波调制(PWM)控制等高频开关方案可以减少开关损失,提高整变器的效率,从而降低损失。 此外,采用软开关技术,如共振开关,可以降低开换装置的电压和电流压力,提高整变器的总体效率。
必须牢记,三阶段控制整变器的效率可能根据负荷条件而波动。 例如,电路的闲置损失会大大降低低负荷条件下的效率。 因此,在设计和操作三阶段控制整变器时必须考虑到负荷条件,以优化其效率。
Semi / Dual / Full / Series Converters
Three-Phase Semi-Converters
三相半置换器(也称为半控转换器)利用二极管和胸腔修补三相AC电压。这些转换器包括由三个二极管和三个胸腔组成的桥形构件。用一个特定角度射出胸腔,可以控制通过负载的流。半置换器通常用于需要单向电流并具有感应负荷的应用程序,如充电器和DC发动机驱动器。
三阶段半对口器的优点包括:
简单电路比全换式电路简单,降低了总成本。
与单相向转换器相比,平滑输出电压波形和减少口音。
然而,三阶段半转换器的输出流不连续,可能需要额外的过滤。
Three-Phase Full Converters
三相全交换器与半对换器不同,它使用6个桥状胸杆来完全控制纠正过程。通过调整胸围的射击角度,输出电压可以精确控制。这些转换器对于需要双向电流和准确电压控制的应用程序是理想的,例如再生制动系统、可变频驱动器和高功率电池充电器。
三阶段全对口器的优点包括:
连续和可控输出流。
加强对输出电压和功率因素的控制。
双向电力流动提高了效率。
然而,与半转换器相比,全转换器的口音含量较高,需要更复杂的控制电路。
Three-Phase Dual-Converters
三阶段双交换器由两个三阶段全交换器组成,可以平行或连续连接,使四平方形操作得以进行。有了这种配置,转换器不仅可以控制输出电压强度,还可以控制极度,这使得它适用于需要快速方向逆转或动态扭扭控制的应用,如大型起重机、电梯或电动车辆。
三阶段双对口器的优点包括:
四平方形操作,对发动机托盘和速度进行更大的控制。
双向电流,使再生制动系统能恢复能源。
由于独立控制电压和极化,增强动态反应能力。
然而,与其他类型的受控矫正器相比,三阶段双向交换器更为复杂和昂贵,因此适合高性能应用,而精确控制和快速反应是必不可少的。
Advanced Control for Harmonic Reduction and Power Factor Improvement
Extinction Angle Control
切除角控制是一种电动电子技术,用于增强电源系数和减少空调电源系统中的调力扭曲,通常用于空调电压调节器和空调发动机速度控制器,这种方法涉及在空调波形每半个周期的受控校正电路中推迟胸腔医生的开关时间,延迟被称为消亡角度,通过调整,可以调节向负载输送的电力,从而改进电源系数并减少口音扭曲。
电离角控制是调控空调电压调节器输出电压的有用方法,特别是在高功率应用方面,它使调压器能够保持稳定的输出电压,尽管负荷发生变化,同时将动力因素和调力扭曲保持在可接受的水平上。 这一技术是电动电子工程师的宝贵工具,因为它能提高效率、提高电力质量和尽量减少电磁干扰,所有这些都对现代电力系统至关重要。
Symmetrical Angle Control
在电源系统中使用对称角度控制可以增强功率系数并减少口音。 基本上,这一方法涉及管理电源转换器(如胸腔转换器或 IGBTs ) 内切换装置的时间,以保证输入时的波形模拟输入电压波形。 这一过程可以改善系统内的功率系数并减少口音。
在对称角度控制中,切换装置的实时和非实时调整对于实现预期输入当前波形至关重要,这种调整通常是通过修改电压与当前波形之间的相位角或延迟来进行,后者也称为射线或导线角。精确控制射击角可以使输入的当前波形成形成像,以达到更大的正弦形形状,从而减少声波扭曲。
对角控制是机动车驱动器等高功率应用中经常采用的一种技术,主要用于提高系统效率和尽量减少电磁干扰,是一种复杂的控制方法,需要复杂的控制算法和对切换装置的精确时间控制,不过,如果应用得当,对称角度控制可显著地提高功率系数和减少口音扭曲。
Constant Voltage Control
恒定电压控制是一种技术,用于规范固定值的校正功率输出DC伏,而不论输入 AC 电压或负荷条件的变化如何,这是使用一个反馈循环实现的,该循环不断监督输出DC 电压并调整其以维持理想值。通常,电压调节器用于实施恒定电压控制,该控制器接收校正电压输出DC 电压作为输入,并将其与代表预期输出电压的参考电压进行比较。如果输出DC 电压和引用电压发生任何偏差,则电压调节器调整其输出,以纠正偏差,并将输出DC 电压恢复到预期值。
存在两种主要类型的电压调控器:线性调控器和开关调控器。线性调控器使用晶体管器控制输出电压,而调控器则使用脉冲宽调制技术调整输出电压。每种电压调控器都有其优点和缺点,选择取决于具体的应用要求。在线性调控器中,晶体管底部的恒定电压由制导器二极管提供,需要不间断的电流。采集器的电流是载电流和制导二极管电流的总和,导致通过一系列限制阻力器产生不必要的电损耗。

Figure 12: PWM voltage regulator circuit (block diagram)
为消除线性调节器固有的效率低下,需要一个脉冲-宽调控电路。
三角形/ 三角形/ 三角形( 参考频率) 由振动器生成。 引用电压与输出电压比较。 两种信号都会升到一个错误放大器, 放大这些值之间的差异。 由此产生的信号( 信号来自错误放大器) 将发送到 Pulse Width Modulator 。 PMW 将由此产生的信号振幅与振动器生成的捕捉仪信号进行比较, 以确定脉冲从电路流流流出来的时间 。
输出电压使用以下方程计算:
此处:
Vin- 输入电压
Ton- 时间间隔(一个周期),误差放大器发出的信号低于振动器发出的信号。
Toff- 时间间隔(一个周期),从错误放大器发出的信号大于振动器产生的信号的时间隔(一个周期)
时间间隔期间 Ton,开关被关闭。感应器开始充电并创建磁场。此外,电容器开始充电并创建电场。当开关关闭时(在T时间间隔期间),电容器开始充电并创建电场。off输入器的磁场将崩溃,并导致电流通过制导器二极管流入地面。 因此,在导引器中储存的能量将供应从地面到V方向的载荷。out电容器的电能将释放,电流将沿着同一方向通过负荷流。如果给定的电流,输出电压将保持稳定。因此,整个脉冲足以提供预期的输出电压值。
当负载上升时, 当当前需求增加时输出电压值将下降。 引用电压和输出电压之间的差值将大于错误, 错误电压将在错误放大器输出时生成。 与 PWM 中的嵌入类信号相比, 总计电压值将降低。 因此, 时间间隔 T 将会缩短 。off还会减少,时间间隔为Ton这意味着导管的磁和电容器电场将足够大,足以满足新T期间的载荷需求。off。这样,当负载增加时,输出电压将保持稳定。当输入电压变化时,同样的做法也适用。
恒定电压控制是调控一个校正器的DC电压的一个根本方面,它确保即使在投入的AC电压波动或负载变化的情况下也具有稳定性和可靠性,在需要精确和一致的DC电压供应的应用程序中,这一特点尤为关键。
在结论中,了解持续电压控制的原则和实施对于设计和保持高效和高质量的电能电子系统至关重要,选择电压调节器对于实现预期的常压控制水平至关重要,正确设计和控制整形电路对于确保各种应用的可靠运作至关重要。
Constant Current Control
三相二极管整流器的另一个广泛使用的控制技术是恒定的当前控制,其目的是保持一个固定输出DC,而不论输入的空调电压或装载条件的变异。
实现恒定当前控制的方法之一是通过反馈循环监测直接当前输出并调整以保持理想值。 此反馈循环可以与当前监管者一起实施, 将输出直接当前值与表示理想输出值的引用当前值进行比较。 如果输出DC与引用当前值不同, 监管者调整其输出以纠正差异, 并将输出DC恢复到理想值 。
执行恒定当前控制的方法是多种多样的,这取决于应用程序的具体需求。 广泛使用的一种技术是使用分流调节器,这是一个线性调节器,通过修改分流抵抗器的阻力来管理输出流。 另一种方法是使用调换调节器,如一块钱转换器或推力转换器,调整开关晶体管的值周期,以更有效地调节当前输出。
与其它控制方法相比,固定的当前控制是一种有利的控制战略,主要在需要精确现行监管或涉及高度可变负荷的应用中。 通过监管整治器的输出流,固定的当前控制可以提高系统稳定性和可靠性,降低超载或过热的风险,并更好地防范短路等故障。 此外,固定的当前控制可以改善系统的动力因子,从而减少总体电力损失,提高能效。
简言之,持续的当前控制是三阶段二极管整形器的关键控制战略,特别是在需要精确的现行监管或高度可变负荷的应用程序中。 要设计和维持高效和高质量的电能电子系统,就必须熟悉现行控制的原则和执行现行控制原则。
Voltage-Fed PWM Control
电压驱动脉冲宽调制(PWM)控制是调控三相二极管整流器的常用方法,其工作原理很简单。控制系统使用高频脉冲生成器来创建运行整变器切换装置的PWM信号。脉冲生成器生成的信号具有恒定频率和不同值周期,可决定调换装置的开关和停放时间。随着PWM信号的值班周期上升,为负载提供的电压也会增加。
实施电压驱动PWM控制由两个初级阶段组成:脉冲发电机和开关装置。脉冲发电机可以通过使用微控制器的模拟或数字电路实现。模拟电路产生锯齿波形,与创建PWM信号的参考电压相比,它产生锯齿波形。相反,数字电路利用微控制器和一套预先确定的算法生成PWM信号。
电动电子应用中广泛使用电动脉冲宽度调控(PWM)控制,PWM控制中使用的开关装置是该系统的关键组成部分,因为它们调节电压输出,可采用各种技术实施这些开关装置,包括双极交接晶体管(BJTs)、金属氧化物半导体田效晶管(MOSFETs)和隔热双极晶管(IGBTs)。
MOSFETs和IGBTs是最常用的转换装置,在现有技术中,在电压驱动的PWM控制中是最常用的转换装置,其效率高是其原因之一,使它们成为低功率损失应用的可取选择,MOSFETs和IGBTs也拥有快速转换速度,使其能够在高频运行。
促使这些装置被广泛用于电压驱动的PWM控制的另一个因素是其容易实施,MOSFETs和IGBTs具有不同大小和电压评级,使其具有多种用途,适应不同的应用。
高频 PWM 信号最大限度地减少输出电压波形的调力扭曲,从而提高效率和减少噪音。 PWM 信号的可变值值值周期调节了输出电压,使控制系统能够在不同的输入电压和负荷条件下维持恒定输出电压。
以电压为基础的PWM控制在调控三阶段二极管整流器方面特别有效,其优点包括提高效率、减少调音扭曲和精确的输出电压管制,使其成为各种电力电子应用的流行选择,了解以电压为基础的PWM控制的原则和实施对于开发和维护高质量、高效电能电子系统至关重要。
Current-Fed PWM Control
当前版本的脉动宽度调制( PWM) 控制是三相二极管整流器中广泛使用的控制策略, 它为输出当前输出提供精确的控制。 它通过反馈循环控制输出流, 该循环将输入电压调整到校正电路 。
在当前Fed PWM 控制器中,对整流电路的输入电压使用一系列共振电路加以控制。 这种共振电路在源和整流器之间插入,并起到缓冲作用。它与输入电压的频率相适应,而全反振电路的电压用于控制整流器的切换。这个控制装置可以更好地管理输入电流和电压,从而提高效率并减少电磁干扰。此外,还有可能设计共振电路,以便能够软转换,减少开关设备的压力并延长其寿命。当前Fed PWM 控制通常用于电动驱动器和电源等高功率应用中。为了确保恒定输出电流,PWM 信号通过修改开关信号的值周期来控制整流的开关。
生成当前Fed PWM 控制中的 PWM 信号需要持续监测输出当前值, 并根据参考当前值调整切换信号的值周期。 此反馈循环允许保持恒定输出当前值, 即使输入电压或载荷发生变化 。
与控制三相二极管整形器的其他方法相比,当前Fed PWM控制提供了高效率、低调扭曲和对输出流的准确控制,这有助于减少整形电路对动力系统的影响,但这种方法有一些限制,需要使用共振电路,作为缓冲,并适应输入电压频率,以控制整形器的切换。实施共振电路可能具有挑战性且费用高昂。此外,系统输出电流的稳定可能受到负荷变化的影响,这可能会限制其在某些应用中的可靠性。
最后,当前Fed PWM控制是三阶段二极管修正器的有效控制方法,它提供准确的输出当前控制和高效率,但其应用可能复杂,且容易发生负荷变化,因此,必须理解当前Fed PWM控制的原则和实施,以设计和维护高效电源电子系统。
SPWM Control
在SPWM中,参考波形可与高频三角波形作比较,两种波形之间的差异用于产生一系列宽度不等的脉冲。这些脉冲随后应用到开关装置,如MOSFETs或IGBTs,以控制输出电压或当前波形。SPWM通过调整参考波形和载体波形的振幅和频率,可以产生高品质的正弦波形,尽量减少调频扭曲和高功率系数。SPWM在发动机驱动器和可再生能源系统等应用中特别有用,因为它可以大大提高电动电子系统的效率和可靠性。
责任编辑:彭菁
上一篇:不受控制的校正器是什么原理
下一篇:反激式拓扑结构的优点是什么
龙腾半导体SGT MOSFET LSGT085R018在智慧农业无