时间:2022-04-16 16:26
人气:
作者:admin
前言
大家好~这里是Aigtek科普时间,对于功率放大器相信大家一定并不陌生,而与功率放大器看起来很相近的前置放大器又是什么呢?和功放又有哪些区别呢?今天我们将带大家详细了解一下。
什么是前置放大器?
前置放大器是指置于信源与放大器级之间的电路或电子设备,是专为接受来自信源的微弱电压信号而设计的。它能将弱电信号转换成输出信号足够强,噪声耐受性足够强的信号以用于进一步处理,让信号避免失真。

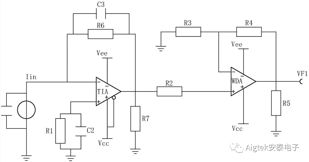
(某微弱信号前置放大器电路示意图)
前置放大器在放大有用信号的同时也将噪声放大,低噪声前置放大器就是使电路的噪声系数达到最小值的前置放大器。对于微弱信号检测仪器或设备,前置放大器是引入噪声的主要部件之一。

(某前置放大器电路)整个检测系统的噪声系数主要取决于前置放大器的噪声系数。仪器可检测的最小信号也主要取决于前置放大器的噪声。
为什么市面上有那么多种类的前置放大器?
因为针对不同种类的测量,具体要求也不尽相同。在放大传感器信号的时候,往往需要配合传感器类型选择合适的前置放大器。
温度传感器一般为电压输出,所以应该选用电压输入型的前置放大器。用于光检测的光电二极管一般为电流输出,所以应该选用电流输入型的前置放大器。

此外,对于前置放大器输出信号的要求,也会因使用目的不同而改变。例如,在图像处理中需要高速响应的功能,在半导体等材质的光谱测量中则需要低噪声的特性。
前置放大器和功率放大器的区别
简单来说,前置放大器就是把毫伏(mV)、微伏(µV)、纳伏(nV)级的小信号放大到毫伏,伏级别。可以在示波器等检测仪器上面监测到,不用输出功率驱动负载。
Aigtek前置放大器

而功率放大器就是把信号源的毫伏(mV)、微伏(µV)、纳伏(nV)级的小信号放大到百伏甚至千伏级别,用来驱动压电陶瓷、换能器、线圈等容性、感性负载的放大器。强调输出功率。

以上就是关于前置放大器的具体介绍,如果您对于电子仪器设备相关内容及资讯感兴趣的话,欢迎关注我们~更多精彩内容等待你的发现!~
关于安泰电子
西安安泰电子科技有限公司(Aigtek)是国内领先从事测量仪器研发、生产和销售的高科技企业。公司致力于功率放大器、计量校准产品、线束测试仪等产品为核心的相关行业测试解决方案的研发和生产。提供免费样机试用,免费专业工程师培训,免费测试技术交流。
龙腾半导体SGT MOSFET LSGT085R018在智慧农业无