时间:2022-02-07 11:28
人气:
作者:admin
第一节硬件解读
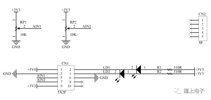
关于模数转换(AD)的原理知识不再重复,网上很多。重点的关于蓝桥杯的AD模块的知识,先看原理图部分:

从AD的原理图,我们可以看出模块主要是由RP1,RP2,LD1和LD2组成,其中LD1和LD2是普通的LED,本章实验将不再重复。重要的是RP1和RP2,它们分别是两个滑动变阻器,用于调节引脚的电压值。它们的引脚的关系如下:
|
扩展版之模数转换 |
开发板主板 |
|
AIN1 |
PB0 / ADC CHANNEL 8 |
|
AIN2 |
PB1 / ADC CHANNEL 9 |
|
LD1 |
PB6 / 低电平有效 |
|
LD2 |
PB7 / 低电平有效 |
第二节 环境配置
1,本实验依然采用调用蓝桥杯物联网赛点资源包的历程进行编写。如下图:

2,打开项目中的STM32CubeMX,

3,取消勾选PC14,PC15和PB6。

4,配置Debug引脚。

5,以RP2为例,选中ADC,勾选IN8,这样就配置了一个通道的ADC了。如下图:其他的时钟树等等配置不再重复。


第三节 编写代码
1,在代码中声明以下变量和数组。

2,LED的初始化配置。

3,读取ADC的值并显示在OLED上面。

4,编译代码,配置下载器等等操作不再重复。
第四节 实验现象
实验注意事项:
1,程序语句需要位于程序的BEGIN与END之间。
2,利用USB线将电脑USB口与开发板USB1口连接。
3,CN4所有拨码开关必须选择ON DP档,否则无法下载程序。
实验现象:
LD1,LD4常亮。OLED第一行显示“ADC TEXT”。转动RP2,OLED第二行显示ADC的值(从0到4095)。
宗旨:
免费的服务,永远的开源
说明:
1.本教程免费,开源,禁止用于任何商业用途,违者必究。
2.本教程版权所属为东莞市东城墨竹公子电子工作室,盗版必究。
3.资料下载请通过以下方式:
微信公众号:撞上电子
CSDN:撞上电子
掘金:撞上电子
今日头条:撞上电子
--东莞市东城墨竹公子电子工作室
--墨竹公子
--2021.12.11
龙腾半导体SGT MOSFET LSGT085R018在智慧农业无