时间:2023-06-23 09:16
人气:
作者:admin
前言:为了方便理解MOSFET的开关过程及其损耗,以Buck变换器为研究对象进行说明(注:仅限于对MOSFET及其驱动进行分析,不涉及二极管反向恢复等损耗。)
1Buck Converter
图1所示为Buck变换器拓扑,其中Cin用于减小主功率电路的AC Loop,实际使用视Layout情况决定是否需要添加。

图1 Buck变换器拓扑
2MOSFET开关时序
图2所示为MOSFET的开关时序及相应VGS,IGS,VDS和IDS波形,其中:
QGS1:VDS下降之前MOSFET开始导通所需的电荷量。
QGS2:VDS下降之前MOSFET的栅极电压从阈值电压VGS(th)升到Miller平台电压VGS(miller)所需的电荷量。
QGD:VDS开始下降阶段为MOSFET反馈电容CGD充电所需电荷量。
QSW:VGS从到达阈值电压VGS(th)开始直到Miller平台结束时栅极电容中的电荷量。
输入电容:Ciss=CGS+CGD(CDS=0);
输出电容:Coss=CGD+CDS(CGS=0);
反馈电容(反向传输电容):Crss=CGD。
CGS和CGD主要由栅极结构决定,CDS由垂直PN结的电容决定。

图2 MOSFET开关时序
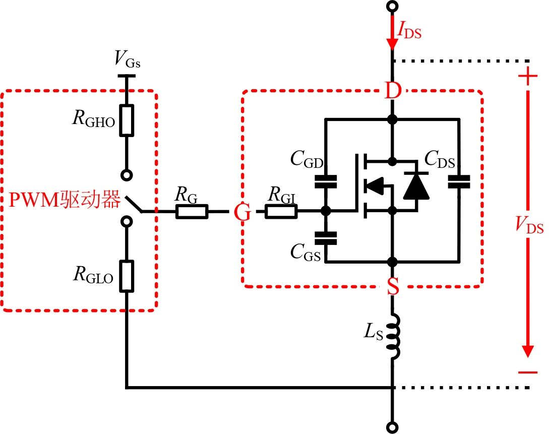
3驱动电路等效框图
图3所示为MOSFET驱动电路的等效框图,在每个开关周期中,所需的栅极电荷均会通过驱动器输出阻抗(RGHO和RGLO)、外部栅极电阻RG以及MOSFET内部栅极网状电阻RGHI。栅极电阻功率损耗与通过电阻传输电荷速度的快慢无关。
主要结合图2和图3将MOSFET开通和关断过程各分为4个阶段进行分析并计算相关损耗。

图3 驱动电路等效框图
1.开通过程。
第①阶段:0~t0。此阶段VGS电平从0开始上升至阈值电压VGS(th),栅极电流IG主要给MOSFET的QGS1充电,极少部分流经QGD。此过程中VDS和IDS维持上个状态(VDS==Vin,IDS=0)不变,故可称为为开通延时。
第②阶段:t0~t1。当t=t0时,MOSFET开始通流。IG持续流入QGS2和QGD中,VGS电压逐渐升高直至t1时刻达到Miller平台电压VGS(miller)。与之伴随的是IDS也逐渐增大至最高,但VDS依旧为高电平。因为IDS与VGS成正相关,所以此阶段为MOSFET的线性区。
将第②阶段中IG、VDS和IDS波形进行线性近似,则栅极驱动电流IG_②和所需时间T②=t1-t0分别为:

与此对应的开通所耗能量E②为:

第③阶段:t1~t2。此阶段为Miller平台的维持时间段,栅极电荷持续被充电使得VGS电压稳定保持在VGS(miller),因此其具有足够的能量使MOSFET承载完整的通态电流。在此阶段大量的IG被转移给QGD充电,使VDS快速下降。栅极驱动电流IG_③和所需时间T③=t2-t1分别为:

与此对应的开通所耗能量E③为:

以上可得整个开关周期的开关损耗PSW约为:

注:MOSFET的开通或关断需要对Ciss进行充电或放电,当电容上的电压发生变化时,与之反映的是电荷数量的转移,栅极电压和所需电荷数量的关系一般可由datasheet中的栅极电荷与栅源电压曲线获得。栅极电荷是栅极驱动电压的函数,VDS最高电压会影响Miller平台电荷,从而影响整个开关周期内所需的总栅极电荷。
第④阶段:t2~t4。此阶段中栅极电流IG通过对CGS和CGD充电(两者分流),使得VGS从Miller平台电压逐渐上升至最终驱动电压VGS(actual),其最终电平决定了开通期间的最终导通电阻RDS(on)。此阶段ID依然保持恒定,但是由于RDS(on)的下降,VDS略有降低(VDS=IDS*RDS(on))。RDS(on)与驱动电压和温度关系如图4所示。
可得开通阶段的驱动器损耗PDRV_ON为:

Buck变换器的MOSFET IDS(RMS)为:

则通态PCON损耗为:


图4RDS(on)曲线图
2.关断过程。
第①阶段:t5~t7。Ciss电容放电,使得VGS电平从驱动电压VGS(actual)降至Miller平台电压VGS(miller)。此阶段栅极电流IG由Ciss自身提供,而非驱动器提供。IG流经CGS和CGD回到驱动器。随着驱动电压降低,RDS(on)增大,VDS略有上升,IDS保持不变。
第②阶段:t7~t8。此阶段与Miller平台阶段所对应,栅极电流IG为CGD的充电电流,因此VGS是保持恒定的。栅极电流由功率级旁路电容提供,并从IDS中减去,总IDS仍然等于负载电流。VDS从IDS*RDS(on)上升到最大电压Vin。
第③阶段:t8~t9。栅极电压继续从Miller平台电压VGS(miller)下降到阈值电压VGS(th),绝大部分栅极电流IG来自于CGS,因为CGD在前一个阶段就被反向充满电了。此阶段结束时,MOSFET又处在线性区,VGS下降导致IDS减小接近于0。
第④阶段:t9~t10。此阶段对Ciss完全放电,VGS进一步下降直至为0。与前一阶段类似,栅极电流的大部分电流由CGS提供。MOSFET的VDS和IDS保持不变。
可得关断阶段的驱动器损耗为:

以上可得整个开关周期的驱动器损耗PDRV约为:

需要强调的是,栅极驱动器的最重要特性在于处在Miller平台区时的拉电流及灌电流能力。
此外,MOSFET的输出电容损耗PCoss为:

至此,MOSFET在整个开关周期内相关损耗Ploss为:

龙腾半导体SGT MOSFET LSGT085R018在智慧农业无