时间:2023-06-17 10:42
人气:
作者:admin
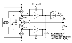
AD8011的出色性能(表)和功耗经济性得益于独特的双增益级电流反馈架构(图A1)和ADI公司的键合晶圆超快速互补双极性(XFCB)工艺。

AD8011 性能
| 电源电压 |
+5 V |
±5 V |
|
电源电流,最大值 |
1毫安 |
1.2毫安 |
|
静态功率 |
5毫瓦 |
12毫瓦 |
|
带宽,-3dB,小信号,典型值 |
||
|
G = +1 |
325兆赫 |
400兆赫 |
|
G = +2 |
180兆赫 |
210兆赫 |
|
带宽,-3 dB,2.5 V 峰峰值输出,典型值 |
|
|
|
G = +10 |
57兆赫 |
57兆赫 |
|
0.1dB 增益平坦度 |
20兆赫 |
25兆赫 |
|
回转率,典型值,G = +2 |
2000 V/μs |
3500 V/μs |
|
建立至 0.1%,2V 步进,G = +2 |
29 纳秒 | 25 纳秒 |
|
失真:第二、第三、RL=1 kΩ |
|
|
|
5兆赫 |
-84, -76 分贝 |
-75, -70 分贝 |
|
20兆赫 |
-59, -53 分贝 |
-62, -63 分贝 |
|
ΔGain 误差: RL= 1 kΩ,150 Ω |
0.02%, 0.6% |
0.02%, 0.02% |
|
ΔPhase 错误: RL= 1 kΩ,150 Ω |
0.06°, 0.8° |
0.06°, 0.3° |
|
电压噪声 @ 10 kHz,典型值 |
2 nV/√赫兹) |
2 nV/√赫兹 |
|
失调电压,最大值 |
5 毫伏 |
5 毫伏 |
|
输出电流,典型值 |
30毫安 |
30毫安 |
|
输入范围 |
1.2 至 3.8 V |
±4.1 V |
|
输出摆幅,RL= 1 kΩ |
0.9 至 4.1 V |
±4.1 V |
什么是电流反馈放大器?电流反馈或跨阻运算放大器(CFA)用于与采用电压反馈运算放大器(VFA)的电路非常相似的电路。有什么区别?首先,CFA的负输入响应电流;输出电压与该电流成正比,因此跨阻(V外= Zt我在).CFA不是通过保持高输入阻抗来保持较小的负输入电流,而是通过使用反馈和电压增益来保持较小的输入电压差,而是凭借其低输入阻抗(如回头观察低失调发射极跟随器)来保持较小的电压差;它通过输出反馈动态保持较小的净输入电流。
当理想CFA在高阻抗正输入端驱动时,具有低阻抗的负输入在电压上紧随其后;误差电流的高增益和通过Rf的负反馈要求通过Rf和Rin的电流相等;因此在外≅ V在[Rf/R在+ 1],就像电压反馈放大器一样。一个主要区别是压摆率可能相当高,因为输入级中可能会流动较大的瞬态电流,以处理补偿电容两端电压的快速变化。此外,负输入端的低阻抗意味着杂散输入电容不会对放大器的带宽产生实质性影响。
AD8011与传统电流放大器有何不同?传统的IC电流反馈型运算放大器虽然建立在互补双极性工艺上,但仅限于单个增益级,使用电流镜电路进行偏置和电平转换(图A2a)。到目前为止,完全互补、双增益级、电流反馈型IC运算放大器因其高功耗而变得不切实际。

AD8011采用第二个增益级,由一对互补放大器A2和A2组成,例如Q4和Q5。电流源的详细设计I1和我2及其偏置电路是两级电路成功的关键(专利申请);它们使放大器的静态功率保持在较低水平,但能够在回转期间进行宽电流偏移。在电流反馈放大器(高阻抗“Cp“节点)由单位增益缓冲区卸载以提供输出驱动。
两级放大器的另一个优点是更高的总增益带宽(在相同的功率下),这意味着更低的信号失真和驱动更重外部负载的能力。相反,第二增益级将缓冲器所需的驱动及其非线性度分压,从而降低失真,提高开环增益。AD8011保留了电流反馈放大器的优势,即更高的闭环增益不会导致带宽成比例的降低。最后,该放大器的宽共模和输出范围使其能够采用 5V 单电源供电,功耗仅为 ±V 的一半,性能下降幅度很小。
总而言之,无论β差异如何,新型偏置电路都能保持互补电流相等且较低,尽管代价是电路复杂性略高。然而,XFCB工艺允许制造非常小的快速晶体管,因此芯片仍然很小(成本低)。AD8011使用第二增益级和偏置电路,使其具有从输入级到输出级的B类工作的所有优势。它可以在低静态电流下运行时实现低失真、高速和高输出电流驱动。
审核编辑:郭婷
上一篇:询问应用工程师:建立时间
下一篇:极低电压、微功率放大器
龙腾半导体SGT MOSFET LSGT085R018在智慧农业无