时间:2023-06-12 14:23
人气:
作者:admin
主要设计特性
完备的一体化设计
12V至20V直流电源供电
利用小音箱提供较高的SPL输出
高效率的D类设计
有源EQ,包括动态低音均衡
高性价比驱动器提供出色的音质
设计详细说明
该参考设计安装在一个精心设计的盒子内,包含了所有电子元器件和扬声器。整个系统只需要一个外部电源和信号源。
两个2英寸扬声器用于左、右声道,一个5英寸扬声器用于重低音。一片MAX98400A工作在立体声模式,用于驱动左/右声道;另一片MAX98400A工作在单声道模式,用于驱动重低音声道。以下分两部分详细介绍该方案:电路部分和扬声器/机械结构部分。
电路说明
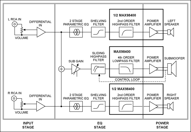
该参考设计的电路分两部分:左/右声道和重低音声道。每部分包括三级电路:输入级、EQ级和功率级,如图1所示。.

图1. MAX98400 D类音频放大器电路框图,设计包括输入级、EQ级和功率级。
输入级
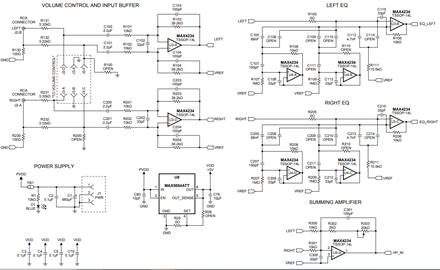
左/右声道和重低音声道的输入级相同。立体声、对数抽头电位器用作音量控制,用于调节前置放大器的信号。为避免地回路干扰,输入级采用差分形式,RCA输入连接器没有直接连接到系统地。利用一个100Ω电阻降低共模电压;U3-A和U3-D (如以下原理图所示)提供2倍增益并将差分信号转换成单端输出。输入级的输出以VREF为参考,该电压是功率放大器U2的参考电压,利用U100-A进行缓冲。.
EQ级
输入级之后,左、右声道信号进入两级参量EQ电路,电路分别位于U3-B (左声道)和U3-C (右声道)附近。每路参量EQ使用一个运放回转器模拟LC串联谐振电路中的电感。串联电路有两个接入点,可实现衰减或放大,这些接入点通过两个不同的电容实现。例如,C105和C106是左声道的第一级参量EQ,是左声道的提升和衰减节点。如果只使用C106 (没有连接C105),谐振电路与串联电阻R105 (10kΩ)组成一个分压器,对谐振频率信号进行衰减。相反,如果只使用C105,则降低反馈,使谐振频率信号提升。如果两个电容都不使用,则该部分电路禁用。
谐振频率f0由下式计算:
f0 = 1/(2 × π × √(L0 × C0))
其中:
L0 = R108 × C107 × R107
C0 = C105
And the Q is:
Q0 = √(L0/(C0 × R0²))
通过加入第三级EQ电路可实现倾斜型滤波,只需要RC元件即可:一个电容(C113用于提升;C114用于衰减)和一个电阻(R111)。
该参考设计中,利用U100-B和U100-C运放为左/右声道构建2阶高通滤波器。
功率级
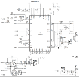
该设计提供了三个通道的扬声器功率放大器。MAX98400A用于立体声模式,驱动左、右声道扬声器,能够为8Ω扬声器提供2 × 20W功率。MAX98400A配置为单声道模式,用于第三个声道,驱动重低音放大器。
在单声道模式,MAX98400A的两个D类放大器输出并联,可提供更大的输出功率。单声道重低音能够为4Ω扬声器提供44W功率(VDD = 18V)。重低音声道的输入级与左/右声道的输入级相同。输入级之后,左、右声道信号通过U5-B叠加,提供单声道重低音扬声器的驱动。R303在叠加放大器设置重低音扬声器的增益。
为了将平坦的频响特性扩展到极低频率,系统为重低音扬声器提供了6阶滤波电路。该方案在开孔扬声器4阶高通频响的基础上增加了2阶有源高通滤波器。U5-B为重低音扬声器提供同相Sallen-Key 2阶高通滤波。
该系统需要高Q值,在40Hz频点有13dB提升(图2)。为了避免扬声器和放大器过载,配置Sallen-Key滤波器实现滑动高通滤波;滤波器在放大器输出达到最大值时会动态调整。输入电阻R305可自动降低(用光耦FET,U7),从而使滤波器Q值降至0.5以下,即没有提升。
重低音扬声器放大器U2的输出峰值电压控制光耦FET的输入信号。D6和C16组成峰值检测器,能够快速检测输出峰值电压。峰值检测器的阈值可调节或固定,取决于是否安装R7和R8/R9。控制电路工作时将打开LED D5。

图2. 重低音声道动态调整仿真结果。在重低音信号达到其门限后,高通滤波器的Q值减小,截止频率增大。
两个运放U5-C和U5-D配置成4阶重低音低通滤波器,作为左/右声道高通滤波器的后续滤波。
J1为电源输入连接器,用于标准的笔记本电脑同轴插头。典型的笔记本电脑电源的平均输出电压约为19V,适用于坞站系统供电。通过C1、C2滤波,电压标记为PVDD,接入电源后点亮D1绿灯。
采用简单的复位电路(U6)在上电、掉电时将放大器芯片置于关断状态,以避免在输入电路信号建立过程中产生瞬态噪声。关断控制门限通过R3和R4电阻分压器设定在大约10V。
MAX98400采用具有专利保护的无滤波调制技术,不需要外部大尺寸电感滤波器。输出端只需简单的铁氧体磁珠(L100和L301)。
扬声器和机壳
重低音扬声器采用Tymphany的5英寸直径扬声器,型号为SLS-P830945,标称阻抗为4Ω,谐振频率为47.4Hz。左、右声道采用2英寸扬声器,型号为Tymphany PLS-P830970,标称阻抗为4Ω,谐振频率为147.5Hz。
低至35Hz的f3设计用于语音系统,采用了6阶滤波电路,包括一个2阶高通有源滤波器。整个系统放置在一个机箱内,包括三个扬声器、调节端口和电路PCB。重低音扬声器开口向下安装,可节省机箱尺寸,有助于提高效率。机箱体积大约为3.79l,调谐在54Hz。机箱外型尺寸近似为355mm x 180mm x 120mm。扬声器滤波均衡设计为250Hz的4阶Linkwitz-Riley滤波器;卫星扬声器均衡包括f = 500Hz、增益 = +6dB、Q = 0.5的参量EQ和f3 = 3.8kHz、增益为+5.8dB的倾斜型滤波器,图3所示为系统频响。

图3. 整个系统的频响特性仿真表明最大平坦相应可以扩展至40Hz
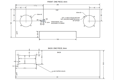
本文给出的机械结构图源于原型设计,原型设计用1/4英寸丙烯塑料制成,用钻孔螺丝、丙烯胶和8.5in x 2.5in端口管固定。消费类产品可能会考虑使用性价比更高的材料,譬如木制材料、纤维板(MDF)、工程塑料(ABS)等。
电路原理图



PCB布板



Mechanical Drawings

机械图



审核编辑:郭婷
上一篇:无源和有源滤波器的区别在哪?
龙腾半导体SGT MOSFET LSGT085R018在智慧农业无