时间:2023-03-30 10:12
人气:
作者:admin
1 前言
为了真实模拟设备在实际运行中可能遇到的雷击或开关切换瞬变造成的电压或电流浪涌,评价电子电气设备对雷击浪涌的抗扰度水平,标准要求受试设备(EUT)要在规定的带电(DC或AC供电电源)工作状态下,用能产生1.2/50us开路电压波和8/20us短路电流波的组合波信号发生器进行雷击浪涌抗扰度试验,以检验被测设备在实际运行过程中的抗干扰能力。本文通过结合实验室的实际情况,介绍了雷击浪涌测试设备的主要组成部分及其工作原理,并搭建雷击浪涌的测试平台并分析不同耦合方式之间的差异。
2 浪涌波形定义
GB 17626.5-2019给出了一种在实际测试工作中更具可操作性的波形和参数定义,如图1、图2所示。

图1 未连接CDN的发生器输出端的开路电压波形(1.2/50us)
其中Tw为持续时间,定义为电压波形在上升沿和下降沿分别为50%峰值电压之间经过的时间,T为波前时间,定义为电压波形上升沿在30%峰值电压和90% 峰值电压之间经过的时间:
波前时间:Tf=1.67×T=1.2×(1±30%)µs,1.67为0.9和0.3阈值只差的倒数。
持续时间:Td=Tw=50×(1±20%)µs

图2 未连接CDN的发生器输出端的短路电流波形(8/20us)
短路电流的波形参数依然为波前时间和持续时间,定义和开路电压一致,不再赘述,标准定义:
波前时间: Tf=1.25×Tr=8×(1±20%)µs,1.25为0.9和0.1阈值只差的倒数。
持续时间: Td=1.18×Tw=20×(1±20%)µs,1.18为经验值。
而对于(10/700)µs–(5/320)µs波形来说,由于此波形只用于直连到户外通讯网络的同步互联线缆,适用范围小。所以标准把此波形的定义放入附录A中,如图3、图4所示.

图3 开路电压波形(10/700us)
其中Tw为持续时间,定义为电流波形在上升沿和下降沿分别为50%峰值电流之间经过的时间,T为波前时间,定义为电流波形上升沿在30%峰值电压和90%峰值电流之间经过的时间:波形峰值50%~50%经过的时间,T为波前脉冲峰值30~90%经过的时间。标准定义:
波前时间:Tf=1.67×T=10×(1±30%)µs
持续时间:Td=Tw=700×(1±20%)µs

图4 短路电流波形(5/320us)
短路电流的波形参数依然为波前时间和持续时间,定义和开路电压一致,不再赘述,标准定义:
波前时间: Tf=1,25×Tr=5×(1±20%)µs
持续时间: Td=Tw=320×(1±20%)µs
3 浪涌(冲击)测试系统
浪涌(冲击)测试系统主要是由浪涌信号发生器和耦合/去耦网络两部分组成。为了生成符合标准定义的雷击浪涌信号波形,在标准GB/T 17626.5-2019中对于组合波发生器的电路结构和性能指标进行了规定。
3.1 浪涌信号发生器
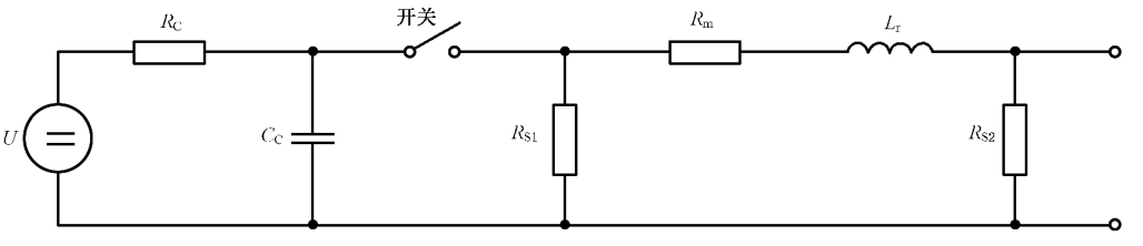
在整个浪涌测试系统中,浪涌组合波发生器是最关键的部件,它的主要功能是负责产生浪涌波形。在标准GB/T 17626.5-2019中有浪涌组合波发生器的电路结构,图5为(1.2/50)µs-(8/20)µs波形发生器的电路原理图:

图5 组合波发生器的电路原理图(1.2/50μs-8/20μs)
如图5的(1.2/50)µs-(8/20)µs波形发生器的电路原理图所示,浪涌发生器的电路是由两个部分构成,分别为充电回路和脉冲形成回路。充电回路的电路由高压发生器 U、充电电阻Rc和储能电容Cc组成,脉冲形成回路的电路由脉冲持续时间调节电阻RS1、RS2、阻抗匹配电阻Rm和调节上升时间形成的电感Lr组成。
工作原理为:当开关处于断开状态,此时电路会通过RC、CC充电回路对储能电容Cc进行充电。在储能电容Cc 储满需要的电压电量后,主电路开关闭合并形成放电回路。在开关闭合初始一段时间,储能电容Cc向Rm、Lr和RS2进行放电,此时在RS2两端测得的雷击浪涌电压波形正处于波形的上升状态,在这段时间电感Lr在脉冲电路中也起到了储能作用,随着储能电容Cc的电量慢慢减少,电感Lr和电容Cc同时对电阻RS1、Rm和RS2放电,此时RS2两端测得的雷击浪涌电压波形由峰值开始下降。电阻Rm则保证了整个发生器的内阻为2Ω,最终即可得到所要求的(1.2/50)µs-(8/20)µs雷击浪涌波形。
同样,图6为(10/700)µs-(5/320)µs波形发生器的电路原理图:

图6 组合波发生器的电路原理图(10/700μs-5/320μs)
如图6的(10/700)µs-(5/320)µs波形发生器的电路原理图所示,浪涌发生器的电路同样分为充电回路和脉冲形成回路。充电回路的电路由高压发生器U、充电电阻Rc和储能电容Cc构成,脉冲形成回路的电路由脉冲持续时间调节电阻RS、Rm1、Rm2和调节上升时间的电容Cs组成,开关S1闭合时,使用外部匹配阻抗。
充电回路的工作原理和(1.2/50)µs-(8/20)µs波形发生器的电路原理相同,脉冲形成回路的工作原理略有区别,由于(10/700)µs 波形的上升时间和持续时间大大长于(1.2/50)µs波形,故使用了电容Cs用来代替电感Lr。同时内置阻抗Rm1按照标准要求改为15Ω,内置阻抗Rm2为25Ω,此时发生器内阻为40Ω,需注意的是,当开关S1闭合时电阻Rm2被短路跳开,此时可以使用外部匹配电阻。最终即可得到所要求的(10/700)µs-(5/320)µs浪涌波形。
3.2 耦合/去耦网络
雷击浪涌耦合去耦网络按照其工作原理可以分为耦合网络部分和去耦网络部分。耦合网络的作用是将组合波发生器的浪涌信号传送到被测设备上,限制从被测设备的电源线流入组合波发生器的电流对发生器本体造成破坏,减小对浪涌波形的影响。去耦网络的作用是为浪涌信号提供足够的去耦阻抗,避免浪涌信号窜入电网对由同一电源供电的非受试设备产生不利影响。此外,连接到同一电源的其他设备可能含有防雷器件,在不使用去耦网络的情况下,非受试设备上防雷器件会阻止EUT上浪涌的施加及影响浪涌试验结果。
雷击浪涌的耦合去耦网络根据适用范围可以分为:电源线耦合/去耦网络和互联线耦合/去耦网络,其中电源线耦合/去耦网络包含单相交流或直流耦合/去耦网络、三相交流耦合/去耦网络;互联线耦合/去耦网络包含非屏蔽非对称耦合/去耦网络、非屏蔽对称耦合/去耦网络。
一般浪涌信号耦合到EUT上的方式有电容耦合和气体放电管耦合,其中后者对组合波发生器的输出波形影响较明显,故使用电容耦合较多。若选用小的耦合电容值,则电源侧残余浪涌电压较低,但产生冲击电流的效率较低;若选用大的耦合电容值,则耦合到EUT效率较高,但残余电压较高。为兼顾输出效率和残余电压问题,国家标准规定线-线耦合(差模方式)采用18uF的电容,线-地耦合(共模方式) 采用9uF的电容。电源线耦合去耦网络的设计应满足标准中网络端口的波形参数要求,其去耦网络部分提供了一个相对雷击浪涌波来说较高的阻抗,同时这个阻抗又不能影响受试设备的正常供电。耦合网络部分的耦合元器件使用高压电容,它的作用和去耦网络的刚好相反,需要使得雷击浪涌波形能够完整的通过。同样的,信号线耦合/去耦网络的设计也应满足标准中网络端口的波形参数要求,其耦合元件可以是电容、钳位器或避雷器。
在进行测试时,应根据不同的产品来选择相对应的耦合去耦网络,其选择方法见图7:

图7 耦合/去耦网络的选择
在标准GB/T 17626.5-2019中给出了耦合去耦网络 的电路拓扑图,图8至图11分别为单相/直流电源耦合去耦网络线对线耦合、单相/直流电源耦合去耦网络线对地耦合、三相电源耦合去耦网络线对线耦合和三相电源耦合去耦网络线对地耦合。

图8 用于交/直流线上的线-线耦合

图9 用于交/直流线上的线-地耦合

图10 用于三相交流线上的线-线耦合

图11 用于三相交流线上的线-地耦合
从以图8至图11中可以看到,不论是单相还是三相电源耦合/去耦网络,去耦网络部分的拓扑结构是一致的。其结构为线与线之间的去耦电容C和每根线上的去耦电感L组成的LC低通滤波器。 去耦电感L的选取不宜太大,否则既会使耦合/去耦网络上有较大的电压压降,又会造成电感体积庞大,给生产制造和安装带来不便。一般来说,为了达到标准中规定的:“耦合/去耦网络上产生的压降在额定电流情况下不超过耦合/去耦网络输入电压的10%”。以被测品每相额定电流≤200A计,L值应≤1.5mH,当额定电流>200A 时,L值如图12所示。

图12 额定电流大于200A的耦合/去耦网络中去耦线上的感抗值
对于耦合网络来说,由于耦合方式所模拟的实际情况不同,其分为线-线和线-地两种情况。由于低压电网对地的源阻抗为12Ω,对于虚拟阻抗(定义为开路电压峰值与短路电流峰值之比)为2Ω的组合波发生器,在进行线-地耦合时,故需要另外再串联10Ω的附加电阻,以增加有效源阻抗。
所有的电源线耦合/去耦网络仅适用于(1.2/50)µs-(8/20)µs 雷击浪涌波形。
图 13至图15分别为非屏蔽不对称互连线耦合/去耦网络、非屏蔽对称互连线耦合/去耦网络和非屏蔽户外对称通信线耦合/去耦网络。

图13 非屏蔽不对称互连线的耦合/去耦网络

图14 非屏蔽对称互连线的耦合/去耦网络

图15 非屏蔽户外对称通信线的耦合/去耦网络
在GB/T 17626.5-2019中分为:
1)非屏蔽不对称互连线耦合/去耦网络中(如图13所示),R=40Ω,CD为0.5uF电容和气体放电管;
2)使用(1.2/50)µs组合波发生器时,非屏蔽对称互连线耦合/去耦网络中(如图14所示),Rc=n×40Ω,n为互连线导线根数,CD可以是电容、气体放电管、钳位器、雪崩装置或任何允许受试设备正常传输数据,并同时满足规定的浪涌波形参数;
3)使用(10/700)µs组合波发生器时,非屏蔽户外对称通信线耦合/去耦网络中(如图15所示),Rc=25Ω,CD 为0.5µF电容和气体放电管。
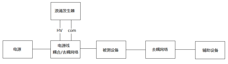
4 浪涌测试系统试验配置及试验过程要求
4.1 试验配置
在标准中,对于进行浪涌的测试时所需要注意的事项、测试布置和测试 程序都有着明确要求,雷击浪涌测试系统的试验配置主要包括以下设备:
ü 被测设备
ü 辅助设备(需要时)
ü 电缆(规定的类型和长度)
ü 耦合/去耦网络
ü 组合波发生器
ü 参考接地平面
图16~图18分别为电源端口、非屏蔽互连线端口及屏蔽互连线的浪涌试验配置图。

图16 电源端口浪涌试验配置图

图17非屏蔽互连线端口浪涌试验配置图

图18屏蔽互连线的浪涌试验配置图
4.2 试验过程要求
在根据被测设备对应的产品标准或产品类标准或通用标准进行试验布置后,同时按照要求进行试验配置,包括以下要求。
4.2.1 根据对应的标准确认试验等级,如图19所示。

图19 试验等级
4.2.2 浪涌次数
除非相关的产品标准有规定,针对每一个耦合路径,施加在直流电源端和互连线上的浪涌脉冲次数应为正、负极性各5次;对于交流电源端口,应分别在0º、90º、180º、270º 相位施加正、负极性各5次的浪涌脉冲。
4.2.3 脉冲间隔时间
连续浪涌脉冲之间的间隔不能大于1分钟,间隔小于1分钟的浪涌测试具有更高的严酷度,其原因是过短时间内的连续充电有可能导致被测设备承受的电压累积以至于超过实际测试电压等级。
4.2.4 被测设备要处于典型工作状态
被测设备应在典型工作状态下进行试验,以模拟实际情况。
4.2.5 浪涌施加的端口
被测设备的电源端口输入端、输出端和信号端口均需要进行测试,但具体情况还要参照相关的产品标准。在有几路相同线路的情况下,可能只需选择一定数量的线路进行测量即可。而对于输出端口的浪涌试验,只推荐在浪涌可能通过该端口进入EUT的输出端口(如,大功耗负载的切换)上进行。
当进行共模试验时,每根线应逐一进行试验,除非产品类标准给出了相应的其他要求。
由于被测设备可能装有压敏电阻或空气放电管等浪涌保护器件,或被测设备本身原因造成的电压-电流特性呈现非线性的状态,因此,试验等级需从低到高逐步增加直至达到其要求的试验等级,受试设备在所有等级的试验中均应能够达到测试计划或标准中规定的要求。
5 浪涌校准参数及校准配置图
对于浪涌试验设备,一般的做法是对其进行周期性的计量(一年),并由第三方计量机构出具校准报告,只要校准报告中的各项参数符合标准要求,就可正常使用。
5.1 组合波发生器的校准参数
GB/T 17626.5-2019对于组合波发生器的输出端参数有以下要求,见表1和表2。
| 开路电压参数范围 | 短路电流参数范围 | ||
| 1.2/50us KV | 10/700us KV | 1.2/50us KA | 10/700us A |
| 0.45~0.55 | 0.45~0.55 | 0.225~0.275 | 11.25~13.75 |
| 0.9~1.1 | 0.9~1.1 | 0.45~0.55 | 22.5~27.5 |
| 1.8~2.2 | 1.8~2.2 | 0.9~1.1 | 45~55 |
| 3.6~4.4 | 3.6~4.4 | 1.8~2.2 | 90~110 |
表1 组合波发生器输出端雷击浪涌波形-开路电压和短路电流幅值参数的允差范围
| 1.2/50us | 10/700us | |||
| 参数 | 波前时间 | 持续时间 | 波前时间 | 持续时间 |
| 开路电压 | 0.84µs~1.56µs | 40µs~60µs | 7µs~13µs | 560µs~840µs |
| 短路电流 | 6.4µs~9.6µs | 16µs~24µs | 4µs~6µs | 256µs~384µs |
表2组合波发生器输出端雷击浪涌波形-时间参数的允差范围
5.2 电源端口耦合/去耦网络的校准参数
为了比较不同耦合/去耦网络对测试结果的影响,耦合/去耦网络应定期校准。在耦合/去耦网络的EUT端测得的波形参数取决于发生器,该波形参数只对被测的发生器和耦合/去耦网络的特定组合有效。图20~图22适用于额定电流每线≤200A的交/直流电源端口的 CDN的校准。

图20 耦合/去耦网络的EUT端口的开路电压峰值和短路电流峰值的关系

图21 耦合/去耦网络的EUT端口的电压波形要求

图22 耦合/去耦网络的EUT端口的电流波形要求
5.3 互连线端口耦合/去耦网络的校准参数
5.3.1 非屏蔽非对称的互连线的耦合/去耦网络校准,适用于浪涌波形(1.2/50us组合波)。
根据图23,耦合/去耦网络的EUT输出端口的峰值、波前时间和脉冲持续时间应在耦合/去耦网络的额定脉冲电压和电流下进行测量。图24为非屏蔽非对称互连线的耦合/去耦网络的EUT端口的浪涌波形要求。

图23 非屏蔽非对称互连线的耦合/去耦网络的校准

图24 非屏蔽非对称互连线的耦合/去耦网络的EUT端口的浪涌波形要求
5.3.2 非屏蔽对称的互连线的耦合/去耦网络校准,适用于浪涌波形(1.2/50us组合波)。
根据图25,耦合/去耦网络的EUT输出端口的峰值、波前时间和脉冲持续时间应在耦合/去耦网络的额定脉冲电压和电流下进行测量。图26为非屏蔽对称互连线的耦合/去耦网络的EUT端口的浪涌波形要求。

图25 非屏蔽对称互连线的耦合/去耦网络的校准

图26 非屏蔽对称互连线的耦合/去耦网络的EUT端口的浪涌波形要求
5.3.3 非屏蔽户外对称通信线的耦合/去耦网络校准,适用于浪涌波形(10/700us组合波)。
需要测量开路情况下的脉冲电压和短路情况下的脉冲电流的峰值、波前时间和脉冲持续时间,测量时脉冲要一次性施加到耦合对线上。同时为了测量EUT输出端口的脉冲电压和脉冲电流,去耦网络的AE侧的输入应短接到 PE。图27为非屏蔽户外对称通信线的耦合/去耦网络的校准过程要求。图28非屏蔽户外对称通信线的耦合/去耦网络的EUT端口的浪涌波形要求。

图27 非屏蔽户外对称通信线的 CDN的校准过程

图28 非屏蔽户外对称通信线的 CDN的 EUT端口的浪涌波形要求
5.4 校准配置图
综合以上标准中对参数及波形的要求, 浪涌仪器的校验必须具备进行电压,电流和时间参数测量的功能。由于浪涌波形的上升沿时间需要达到0.1µs甚至0.01µs的精度,数字示波器带宽就必须大于100MHz;同时浪涌测试的电压等级多为kV级别,所以需要使用高压探头或差分探头将高电压变换为低电压供示波器检测用;具体校准示意图见图29和图30。

图29 开路电压校准示意图

图30 短路电流校准示意图
审核编辑 :李倩
上一篇:使用UCC24624同步整流器控制器提高LLC谐振转换器的
下一篇:了解共模信号
龙腾半导体SGT MOSFET LSGT085R018在智慧农业无