时间:2023-03-27 10:19
人气:
作者:admin
拉杆音箱通常为一种带有拉杆和轮子的无线音箱。由于拖拉方便,易于移动,并且在室外可以提供足够的响度,拉杆音箱广泛应用于各种户外活动中,如广场舞、演唱会、婚礼、会议、瑜伽练习等。拉杆音箱的主要消费市场在中国,也出口到东南亚,欧美等地区。
拉杆音箱有多种功率等级,从数十瓦到数百瓦不等。影响拉杆音箱功率等级的因素有音量的大小,低音炮的功率等。举例来说,一款20W的拉杆音箱,通常带有一个5英寸的低音喇叭;而一款100W的拉杆音箱,通常带有一个18英寸的低音喇叭。
为同时满足便携性需求并提供足够的功率,拉杆音箱通常配备了12V铅酸电池。对于30W以上的拉杆音箱,12V电池不足以给后级的音频功放提供足够的功率,需要升压电路将电池电压升压至15V~48V以满足不同功率需求。图3所示为典型的拉杆音箱电源系统示意图。

图3. 拉杆音箱电源系统示意图
升压控制器LM5155在拉杆音箱中的应用
LM5155是德州仪器的全新一代升压控制器, 在拉杆音箱的应用中具有以下优势:
支持3.5-V 到45-V宽范围输入,适用于不同种类电池
内置1.5A的门极驱动电路,可驱动大电流MOSFET,适用于大功率音箱的设计。相比市面其他升压方案,LM5155可显著提升效率,降低功耗,从而延长拉杆音箱续航时间。
整体方案尺寸小,设计简单,BOM成本低:
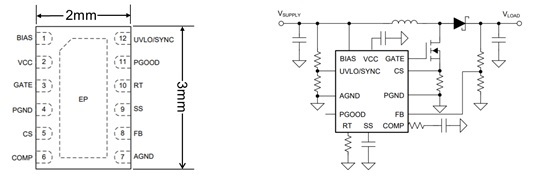
芯片采用小尺寸的WSON封装,仅为3mm×2mm,如图4所示。
支持高开关频率 (100 kHz to 2.2 MHz),可有效减小外部电感电容的尺寸,降低成本。
工作频率可编程, 同时提供外部时钟同步, EMI设计更为灵活
支持可编程欠压保护(UVLO)及软起动,并具有完善的过压、过流及热保护,为整个系统提供多重保护。
图5为LM5155的典型应用电路图。

图4. LM5155封装示意图 图5. LM5155升压应用电路图
德州仪器音频功率放大器在拉杆音箱中的应用
基于最新的半导体制造工艺以及丰富的音频功率放大器设计经验,德州仪器推出一系列D类功放产品,性能出色,性价比高,产品选择多,可满足不同功率等级拉杆音箱的需求。
| 功率等级 | 50 - 100W | 200 - 600W | ||||
| 模拟输入D类功放 | TPA3128 | TPA3126 | TPA3220 | TPA3221 | TPA3251 | TPA3255 |
| 数字输入D类功放 | TAS5825P | TAS3251 | ||||
在拉杆音箱应用中,D类功放的电源电压 (PVDD) 通常由升压型DC/DC变换器提供。与固定 PVDD 相比,基于音频信号大小而调整的可变 PVDD 可显著提高系统效率,降低损耗,减少发热,延长电池续航时间。
TAS5825P为德州仪器2019年新推出的数字输入D类功放芯片。该芯片内置强大的音频 DSP 内核,实现了一种称为 Hybrid-Pro 的专有算法。Hybrid-Pro算法可检测即将发生的音频功率需求,并通过反馈引脚 (HPFB) 为DC/DC变换器提供 PWM 控制信号来调整输出电压(即D类功放的电源电压 PVDD)。TAS5825P 支持高达 4ms 的延迟缓冲器 (Delay Buffer),以提前查看音频信号并防止音频削波失真。
图6为使用LM5155 及TAS5825P实现的动态调压的音频功放解决方案TAS5825PEVM的系统框图。如图所示,音频信号经Hybrid-Pro 算法处理后反馈给升压控制器LM5155的反馈(FB)端,从而实现音频信号的包络检测及控制LM5155输出电压。TAS5825P内置的延迟缓冲器 (Delay Buffer)可以将音乐信号延时输入到功放部分,从而避免音频输出失真。从图7的实验波形可以看到,电源电压PVDD会跟随音频输入信号的包络幅值进行调节,并且确保音频输出无失真。

图6. TAS5825P实现动态调压音频功放的系统框图

图7. TAS5825P 实现实现动态调压音频功放的实验波形
经实验测试,7500mAh的单节锂电池给2×20W的功放供电,若使用不带动态调压的D类功放,电池使用时间为2小时;若功放为带Hybrid-Pro算法的TAS5825P,则电池使用时间可延长到6小时,续航时间是原来的3倍。对于大功率拉杆音箱,音乐动态范围变化更大,省电效果尤为显著。
审核编辑:郭婷
上一篇:热斑效应的成因及其解决办法
下一篇:如何在电力系统前端选择运算放大器
龙腾半导体SGT MOSFET LSGT085R018在智慧农业无