时间:2023-03-27 10:33
人气:
作者:admin
在电力系统前端采样的设计中,运放是必不可少的。本文主要讨论电力系统上对运放的要求,以及如何选择合适的运放。
一般电力系统的采样是由PT,CT(电压电流互感器)或者直接使用电阻(这种情况信号需要隔离)。信号的频率为50Hz,传递至运放时的信号幅值一般为V,属于大信号。
运放的直流电压误差是非常重要的一个参数,它决定了信号的精度,这对于继电保护,电能质量分析仪等应用十分重要。此时运放的直流参数造成误差如下所示。

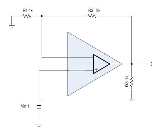
这看起来十分的复杂,不过不用担心,部分参数的影响可基本忽略不计。接下来将通过使用TLV9062搭建的同相放大器(如下图所示)做为列子来分析哪些参数的影响较大,并提出一些减小误差的措施。

图1 使用TLV9062的同相放大器
1. 失调电压Vos
输入失调电压是使运算放大器输出为零时的输入差分电压。可以视为一个接在运放输入端的直流电源。

图2 TLV9062的失调电压和温漂
上图为TLV9062的失调电压图,典型值为0.3mV,最大值为1.5mV。典型值意味着68%的器件都小于此值。对于温度漂移,可以视为在原有的基础上加上了一个随温度变化的电源,要注意失调电压可以通过软件等方式来补偿,但温漂是很难被补偿的。

300uV的输入offset特别适用于高精度的电流检测前级放大,具有具有轨至轨输入和输出摆幅能力。此外,TLV9062还可以作为电压反馈前级buffer,0.5pA的输入漏电流可选用更大阻值的分压电阻,减少系统待机功耗。
2. 偏置电流
输入偏置电流是流入运算放大器输入端的电流。这些电流可以建模为一个连接到每个输入端的电流源,如图所示。理想情况下,两个输入偏置电流应该相等并相互抵消。然而,在现实中,它们是不相等的,这些电流的差被定义为输入偏置电流。如果输入偏置电流较低,则可以匹配连接到每个输入端的阻抗,并消除由输入偏置电流产生的偏置。
双极放大器中的偏置电流来自输入晶体管基极电流。它通常比fet输入放大器大,并流入输入端子。Fet,JFET输入放大器的偏置电流主要来自于ESD保护二极管的漏电。
要注意输入偏置电流对运放的输出的影响可以通过阻抗匹配的方式来消除。即使运放正负极的等效阻抗相等,此时偏置电流的影响即R*(Ib-Ia),即R* Ioffset。本列中Voutib = Rf*Ib
TLV9062的输入偏置电流为 +/- 5pA,输入电阻为 9Kohm,对电压影响也只有45nV。
3. 噪声
关于电压噪声分为1/f噪声和白噪声。一般1/f噪声要远小于白噪声。1/f噪声,是说电能力密度曲线与频率之间的关系满足1/f规律。

图3 TLV9062的噪声与频率曲线
Datasheet上给出的电压噪声密度曲线分为1/f噪声和白噪声。低频的部分是1/f噪声和白噪声的影响,高频的部分主要受白噪声的影响。噪声的单位是nV/(根号Hz) ,需要将它在带宽频率内进行积分才能转化为常用的噪声单位nV。要注意的是这个带宽不是我们常用的-3dB带宽,是Brickwall滤波器带宽。对于一阶系统, fb是fh的=1.57倍,fa通常取0.1Hz。下面对噪声进行计算:


图4 TLV9062的0.1Hz到10Hz噪声曲线

在电力运用中要特别注意,以上给出的只是噪声对于直流参数误差的影响。在一些需要测量分析电网高次谐波的场合,运放的噪声会叠加原本电网的谐波上,造成谐波分析的误差,因此在这种场合,选择一个噪声低的运放至关重要。
4. 开环增益
运放开环增益误差是由输出通过开环增益加在输入上的误差。
Aol=100dB=10^5
e/Aol=100uV
5. 共模抑制比CMRR
共模电压的变化会引起输出变化,运算放大器共模抑制比(CMRR)是共模与差模增益的比值。在反向放大器中,共模抑制比影响很小,因为输入端接地。而在同相放大器中,CMRR会产生输出电压误差。
在50Hz时,CMRR=88dB
CMRR_DC=10^(88/20)=25118.8
Vos_cmrr=1/CMRR_DC=39.8uV
6. PSRR

图5 TLV9062的CMRR和PSRR曲线
这里要注意的是运放的PSRR会随着频率的增加而衰减,如果电源使用开关电源进行供电,就算纹波很小,但对直流电压误差的影响是很大的。
如果电源使用2MHz的开关电源,输出纹波为2mV。此时PSRR为20DB
PSRR_DC=2/10^(20/20)=200uV
接下来讨论运放的一些交流参数,由于电网的频率为50Hz,频率很低,对交流参数的要求并不太高,这里主要讨论两个重点参数:带宽和压摆率。
1. 带宽:
在datasheet中,带宽的计算往往是通过增益带宽积(GBP)来计算的,TLV9062的增益带宽积为10MHz。

可以看出这个值远远大于50Hz,此运放不会因为带宽的原因而产生衰减。
2. 压摆率SR
压摆率可以理解为:输入一个大的阶跃信号,输出信号的最大变化速度。讲到压摆率,往往牵涉到另一个参数,也就是全功率带宽(FPBW)。
全功率带宽定义为,在额定的负载时,运放的闭环增益为1倍条件下,将一个恒幅正弦大信号输入到运放的输入端,使运放输出幅度达到最大(允许一定失真)的信号频率。
简单来说,要使信号不失真,应使SR >= FPBW*2*pai*Vout 在本列中SR 50*2*pai*10*10^(-6)=3.14* 10^(-3) V/us, 而TLV9062的压摆率为6.5V/us,远大于此值。
至此对于运放的全部参数都基本计算完了。可以看出,其中影响较大的是失调电压 ,因此选择一个失调电压小的运放是非常关键的。而TLV9062的失调电压的典型值只有0.3mV,适用于高精度的应用。其他的参数对应用的影响也都已经在上文中给出,希望可以给大家的选型和设计提供帮助。
审核编辑:郭婷
龙腾半导体SGT MOSFET LSGT085R018在智慧农业无