时间:2023-02-27 14:03
人气:
作者:admin
写了很多的功放了,越研究越明白了(还没有完全搞懂):

如图所示是AD620,放错了,是仪表放大器这个
6482是两块五一个,LMC6482具有低输入偏置电流,因此非常适合用于传感器接口应用的信号调理。典型应用包括数据采集系统、电池供电仪器仪表、仪表放大器、有源滤波、DAC缓冲器、高阻抗传感器接口和电流检测。
下面这段是运放参数的解读,和我运放本身的东西无关:
(MIN 代表参数的最小值 TYP 代表参数的典型值 MAX 代表参数的最小值)输入失调电压的测试方法是将运放的两个输入端接地,测输出电压,理想运放此时输出应该是0V,但由于制造工艺问题会造成两个输入端不对称。将此时的输出电压除以运放的增益倍数就是失调电压。比如LMC6482运放的输入失调电压Vos为0.11mV,即在两个输入端之间有0.11mV压差,而放大倍数130db,输入失调电压会跟随放大倍数造成一定误差。Vos越小芯片越贵。
放大系数转化为分贝的公式为:20×lgA,其中A为放大系数 所以,当电路的放大倍数为85时,则转化的算式为:20×lg85=20×1.929=38.588dB
即 K(单位:dB)= 20×lgA,
即放大倍数A=10^(db/20)
例如LMC6482的电压增益是130db,则 A=10^(130/20) =10^6.5 =3,162,278

在一定温度范围内,输入失调电压的变化与温度变化的比值。作为失调电压的补充,便于计算放大电路由于温度变化造成的输入失调电压漂移大小。
当运放输入的直流电压为0时,运放两个输入端流进或流出的平均值。这个参数越大对原信号的影响越大。
两个输入端偏置电流的插值,反应运放内部的对称性,对称性越好Ios越小。
运放两端与地能加的共模电压的范围,轨到轨输出指输入共模电压范围十分接近电源轨。
即输出电压范围,所谓轨到轨输出,指输出的Voh,Vol十分接近正负供电电源(电源轨)
即运放的带载能力,一般会给出Sink Source电流大小(灌电流或源电流),也有给出短路时的极限电流。
即转换速率,运放在闭环条件下,将一个大信号(阶跃信号)加到运放输入端,从运放输出端测得的输出电压上升速率。
由于在转换期间,运放输入极处于开关状态,所以运放的反馈回路不起作用,也就是转换速率与闭环增益无关。压摆率越大,对应的带宽也越高。
Gain Bandwidth Product 增益带宽积 GBP
定义为运放的闭环增益为1的条件下,将一个恒幅正弦小信号输入到运放的输入端,从运放的输出端测得闭环电压增益下降3db(相当于输入信号减小到0.707倍)所对应的信号频率。
即LMC6482放大1倍电压时输入信号超过1.5MHz,电压增益就会急速下降,实际应用中输入信号的频率要小于增益带宽积,并且单极放大的增益不能太大,否则输入频率也要大打折扣。
运放工作于线性区时,差模增益与共模增益的比值。在运放输入两端加相同信号时,输入输出间的增益称为共模电压增益AVC,则CMRR = AV/AVC
值越大抑制共模干扰的能力越强,越大越好。
Supply Voltage Rejection 电源纹波抑制比PSRR
运放输入失调电压随电源电压的变化比值。即正负电源电压变化时,该变化料出现在运放的输出中。
若电源变化为ΔVs,此时等效输入电压为ΔVin,则PSRR = ΔVs/ΔVin。
此参数反应运放对电源扰动的抑制能力,也是越小越好。
Noise Density 噪声密度
处理音频信号需要十分关注的参数。
运放本身内部电路固有的噪声,分电压噪声和电流噪声。
规格书中写法不一,但都以nV/rtHz和pA/rtHz来标识(rt即sqrt,根号的意思),也就是与频率相关的一个指标。(频率越低,指标越大,频率越高,指标越小,参加噪声-频率曲线)参数越小,运放自身引入到系统的噪声也越小。
LMC6482 设计的主要优势是增加了线性信号范围。大多数运算放大器都限制了输入共模范围。超出此范围的信号会生成非线性输出响应,可在输入信号返回共模范围后持续较长时间。
LMC6482 能够使用整个电源电压范围,因此无需降低输入信号来满足有限的共模电压范围。82dB 的 LMC4282 CMRR 将 12位数据采集系统的积分线性保持在 ±0.325LSB。其他轨到轨输入放大器的 CMRR 仅为 50dB,会将数据采集系统的精度降至仅为 8 位。
这是数据采集。下面是仪表电路:
LMC6482 具有仪表电路设计所需的高输入阻抗、高共模范围和高 CMRR。采用 LMC6482 进行仪表电路设计,可以比大多数仪表放大器抑制更大范围的共模信号。因此,采用 LMC6482 进行仪表电路设计是嘈杂或工业环境下的绝佳选择。从这些 特性中获益的 其他应用 包括 分析医疗仪器、磁场检测器、气体检测器和硅基传感器。
如果我前级有INA121,那我后级就是采集电路了,不是仪表放大的功能了。

4路采集
其实我还是没有搞懂???LMC6284的作用,我想是做缓冲?INA121的后级给LMC6284,把输出的信息扩展到整个电源域上面?为了更好的ADC转换?
利用LMC6482单电源供电只能输出正电平的原理,使用两级运放,前一级用作电压跟随器,后一级作为运算放大器。
而且前级也是单电源,需要采用可单电源的、满摆幅输入输出的运放,也是一个选型的标准。
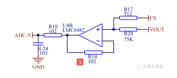
输入输出电压通过运放LMC6482采用差分电路将输出电压按比例缩小至ADC能够采样的范围,再使用ADC采样,软件解算出输出电压。输入电压采样是通过MCU内部运放按比例缩小在送到ADC进行采样的,输出电压检测电路如图:

输出电流检测电路通过运放LMC6482采样差分放大电路实现;采样电阻放在低端,若采样电阻放在高端,会有较大的共模电压使采样电流不准确,采样电阻为10m
龙腾半导体SGT MOSFET LSGT085R018在智慧农业无