时间:2023-02-13 09:30
人气:
作者:admin
ROHM为打造一个DC/DC转换器IC的大家族,开发出各种各样的DC/DC转换器IC。DC/DC转换器包括同步整流式等多种方式,而且在一种方式中还包括多种控制方法。ROHM的DC/DC转换器家族以“各得其所”作为目标,具有诸多优点。
家族的产品阵容再丰富,如果电源IC的性能与所需功能不满足最新的要求,就没有任何意义。
以BD9C301FJ的特征与规格为例。BD9C301FJ是在3A的1ch同步整流降压型DC/DC转换器中支持12V输入的系列,可实现高速瞬态响应以及高集成化带来的小型化、低成本化,也具有必需的各种保护功能。

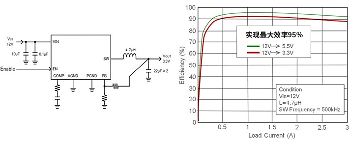
应用电路例如下所示。元器件数量非常少,设计也更简单,最大效率可达95%,已达到顶级水平。

不仅如此,作为家族的关键要点即“产品阵容丰富”,BD9Cx系列除了BD9C301FJ 3A外,还有BD9C401EFJ 4A、BD9C501EFJ 5A、BD9C601EFJ 6A等,从BD9C401EFJ采用HTSOP-J8封装,可引脚兼容。
▶ 产品阵容丰富的DC/DC转换器家族专用页面
▶ DC/DC转换器产品阵容一览(PDF)
审核编辑黄宇
龙腾半导体SGT MOSFET LSGT085R018在智慧农业无