时间:2023-01-10 14:31
人气:
作者:admin
这一节继续对共射放大电路进行总结分析,确定基极偏置电路和耦合电容!
关键:共射放大器电路;
表1-1 共射放大电路的设计规格

01确定基极偏置电路的设计
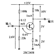
设发射极电阻RE的压降为发射极电位,为VE=2V,由于VBE=0.6V,所以基极电位VB必须是2.6V(2V+0.6V)。由于基极电位是由R1和R2对电源电压进行分压之后的电位,所以,如果设R2的压降为2.6V,R1的压降为12.4V(15V-2。6V)即可。另外,在晶体管的基极流动的基极电流为集电极电流的1/hFE,假设hFE=200,则流动的基极电流为0.005mA。
因此,有必要在R1与R2流过比基极电流大得多的电流,使得基极电流能够忽略。在这里,在R1与R2上流动的电流取为0.1mA(认为“大得多”=10倍以上就可以了)。
即R1和R2电阻值为:

但是,这个R1与R2的值在E24系统数列的电阻中是没有的,所以不改变R1与R2的比值(比值一改变,VB的值就变了),在E24系统的电阻值中来挑选,取为R1=100KΩ,R2=22kΩ。如图1-1,表示至此所求的常数以及其他部分的直流电位电路图:

图1-1 共发射极电路的DC电位
02确定耦合电容C1与C2的方法
C1与C2是将基极或集电极的直流电压截去仅让交流成分进行输入输出的耦合电容,但是如图2-1所示:

图2-1 共发射极放大电路的高通滤波器
图2-1中,C1与输入阻抗、C2与连接在输出端的负载电阻分别形成高通滤波器——仅让高频通过的滤波器。当C1与C2取小值时,在滤波效果上难于通过低频,频率特性下降,在此取C1=C2=10uF。关于图2-1中电路的交流输入阻抗,如设晶体管的输入阻抗为无限大,则电源的阻抗在交流上是与GND相同的阻抗(即为0Ω),所以输入阻抗为R1与R2的并联连接的值R1//R2(晶体管的基极电流极小,所以晶体管本身的输入阻抗可以看成非常大)。
因此,由C1形成的高通滤波器的截止频率fc(振幅特性下3dB—即下降到1/1.414)为:

要注意,由该C2形成的高通滤波器fc,会因输出端接有不同的负载电阻而发生变化。
龙腾半导体SGT MOSFET LSGT085R018在智慧农业无