时间:2023-01-12 13:54
人气:
作者:admin
通过上期对放大器有了一个基本的概念,放大器分为信号放大和功率放大,这期使用仿真软件搭建两级放大器电路,加深对放大器的理解。
关键词:放大器;
01小信号的放大
本文将要学习的小信号放大器是扩音器系统的前置放大器,它对输入信号进行初步电压放大。后面主要讨论功率放大器,它主要把小信号放大器输出的信号进行电流放大后驱动扬声器工作。换句话说,将在这两章分别对图1-1所示系统框图中包含的知识进行学习。

图1-1 话筒扩音器系统框图
小信号放大器以三极管、场效应管、运算放大器等为核心构成,其中以三极管放大器最为基础,如图1-2所示为以三极管Q1、Q2为主要放大元器件的两级放大器,输入信号Vin从第一级放大器进入,经过初步放大之后通过耦合电容C3进入第二级放大器进行进一步放大(耦合电容的作用是“通交流隔直流”),最终再输出端形成了输出信号Vout。

图1-2 小信号放大器电路(两级)
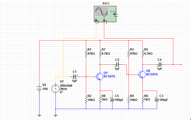
在Multisim中连接图1-2所示电路,如图1-3所示:

图1-3 小信号放大器仿真电路(两级)
图1-3所示的仿真电路中,使用的信号源V2为RMS=200uV(峰峰值为400uV)频率为2KHz的正弦信号,这个信号的幅度非常小,且频率在音频范围之内。打开仿真开关,可以从示波器观察窗口中看到图3-4所示的输入、输出波形。(注意调整示波器通道A和通道B的量程以便获得可观的波形)从这两个通道量程Scale和所显示的波形来看,输入信号Vin=200uV,输出信号Vout=2.12V(这两个数值为RMS值(有效值)即信号峰值的0.707倍,峰峰值为3V),所以可计算出放大器的放大倍数为:


图1-4 小信号放大器(两级)仿真结果
图1-4所示,通过两个三极管和一些外围器件,就实现了10600倍的电压放大,把一个不到1mV的微弱信号放大到了V级,小信号放大器的魅力可见一斑。
上一篇:放大器的基本概念
下一篇:静态工作点对三极管输出波形的影响
龙腾半导体SGT MOSFET LSGT085R018在智慧农业无