时间:2023-01-12 14:22
人气:
作者:admin
静态工作点可以影响到三极管的输出波形,导致输出出现截止失真和饱和失真,所以在设计时需要考虑不要出现这种问题,根据经验常常让三极管c极静态工作点VCQ=VCC/2,另外一个可以借鉴的经验是让Rc≈10RE。
关键词:截止失真; 饱和失真;
01静态工作点与放大
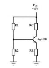
设计如图1-1所示的分压器偏置电路:

图1-1 分压器偏置电路
由图1-1可知,其电路参数集电极电流Ic=30mA、集电极-发射极间电压Vce=3.4V,反映再DC负载线就是Q点所在位置如图1-2所示,如果对这个Q点所在位置比较满意,说明分压器为放大器创造了一个不错的直流工作环境,即静态工作点。


静态工作点确定后,如果改变输入信号使基极电流IB在静态工作点基极电流IBQ基础上做±100uA的变化,如图1-2中A、B两点,则三极管将把这个±100uA的变化进行放大; 集电极电流Ic在ICQ
基础上做±10mA的变化,同时VCE
艺在VCEQ的基础上做±2.2V的改变。 可见,静态工作点的确定为放大器对信号进行放大创造了直流环境,一个良好的静态工作点对放大器的性能至关重要。
02静态工作点与失真
如果说Q点在DC负载线上的位置由偏置电路的参数决定,那如果不小心选择了不适当的参数会怎么样呢?
假设电路参数让Q点向上偏离,如图2-1所示,则输入信号的上峰有可能会让集电极电流Ic达到饱和而无法再变大,从波形上看就像被削去一截,同样,输出信号Vce亦会在对应的下峰位置被削去一段,此时即是静态工作点过高而导致了饱和失真。

图2-1 饱和失真
如果Q点向下偏离,如图2-2所示,则情况与饱和失真正好相反,出现的是截止失真。

图2-2 截止失真
即便Q点位置适中,静态工作点良好,如果输入信号的幅度过大,还是会导致正、负半周信号均被削去一截,出现饱和+截止失真,如图2-3所示。

图2-3 饱和+截止失真
失真是电路设计中所不愿意看到的,尽量把Q点放在DC负载线的中间位置是一个防止出现饱和或截止失真的聪明方法,同时也可以充分发挥三极管的增益,另外,保证输出信号Vce的最大峰值不超过0.95Vcc、最小峰值不小于0.05Vcc可以防止三极管进入饱和和截止区。
03设计实例
设计一个分压器偏置电路,为三极管放大器提供一个良好的静态工作点,假设Vcc=10V、hFE=150。
所谓设计分压器偏置电路,无非就是确定以下类似图3-1所示电路中几个电阻的参数:

图3-1 分压器偏置电路
在没有设计放大器设计之前,可以先单单从偏置电路的要求出发,确定电路参数,要时刻提醒自己,千万不要让放大器的Q点像图3-2那样偏上或者偏下而导致三极管放大器过快进入饱和或截止的状态,保险的方法就是把Q点放在DC负载线中间,由于DC负载线与Vce轴交点为Vcc,自然中点应该放在Vcc/2附近。 根据经验,常常让三极管c极静态工作点VCQ=VCC/2,另外一个可以借鉴的经验是让Rc≈10RE,有了这两条经验,就可以开始设计偏置电路了。

图3-2 静态工作点
首先,可假设Rc=1kΩ,则根据欧姆定律,c极静态工作点电流ICQ为(已知Vcc=10V,VCQ=Vcc/2=5V):

同时可以求得发射极电流:

根据经验,发射极电阻为:

由欧姆定律得:

求得基极电压为:

同时求得集电极-发射极间电压:

再假设R1=10kΩ,所以基极电压为:

求得R2=1.4kΩ。
所以,得到图3-1中偏置电路中国4个电阻参数:R1=10 kΩ、R2=1.4 kΩ、Rc=1 kΩ、Re=100
Ω,该电路得静态工作点为ICQ=IEQ=5mA、VCQ=5V、VBQ=1.2V。
龙腾半导体SGT MOSFET LSGT085R018在智慧农业无