时间:2022-08-16 16:55
人气:
作者:admin
脉冲电路是可提供脉冲信号的功能单元电路,最基本的功能是产生脉冲信号,并对产生的脉冲信号进行必要的转换处理,使其满足电路需要。
脉冲信号是一种持续时间极短的电压或电流。从广义上讲,凡不具有持续正弦形状的波形,几乎都可以称其为脉冲信号。它可以是周期性的,也可以是非周期性的。
图4-1为几种常见的脉冲信号波形。

图4-1 几种常见的脉冲信号波形
提示
模拟信号处理电路处理的是模拟信号。模拟信号是一种连续变化的信号,如不规则的音频信号、规则的50Hz交流电源正弦信号等均属于模拟信号。脉冲信号在数字信号处理控制电路中应用非常广泛。例如,节日里驱动彩灯和霓虹灯的信号,在电子设备中驱动继电器、蜂鸣器、步进电动机的信号都采用脉冲信号,电子表中的计时信号也是脉冲信号。
脉冲电路的功能特点
一般来说,脉冲电路按工作特点的不同可划分为脉冲信号产生电路和脉冲信号转换电路。
1.脉冲信号产生电路的功能特点
脉冲信号产生电路是产生脉冲信号的电路,用于为处理和变换脉冲信号的电路提供信号源。通常,脉冲信号产生电路不需要外加触发信号,在电源接通后,即可自动产生一定频率和幅度的脉冲信号。
图4-2为脉冲信号产生电路的功能特点,主要是由两个三极管V1、V2构成的。V2输出的脉冲信号可以驱动发光二极管(LED)闪光。在满足供电条件下,两个三极管配合导通和截止,产生触发LED发光的脉冲信号。

图4-2 脉冲信号产生电路的功能特点
在通常情况下,常见的脉冲信号产生电路根据所产生的脉冲信号波形类型主要有方波脉冲信号产生电路、锯齿波脉冲信号产生电路、三角波脉冲信号产生电路等。将这些能够产生脉冲信号的电路称为振荡器。振荡器又分为晶体振荡器和多谐振荡器。
图4-3为晶体振荡器的结构及等效电路。晶体振荡器是一种高精度和高稳定度的振荡器,广泛应用在彩电、计算机、遥控器等各类振荡电路中,为数据处理电路产生时钟信号或基准信号。

图4-3 晶体振荡器的结构及等效电路
提示
晶体振荡器主要是由石英晶体和外围元器件构成的谐振器件。石英晶体是自然界天然形成的结晶物质,具有压电效应,受到机械应力作用会发生振动,由此产生的电压信号频率等于机械振动的频率。在石英晶体的两端施加交流电压时,会在交流电压的作用下产生振动,在石英晶体的自然谐振频率下会产生最强烈的振动。石英晶体的自然谐振频率由尺寸及切割方式决定。
在数字电路中,时钟电路是不可缺少的。32kHz晶体时钟振荡器是为数字电路提供时间基准信号的电路,采用CMOS集成电路CD4007作为振荡信号放大器,如图4-4所示。

图4-4 32kHz晶体时钟振荡器
由DTL集成电路构成晶体振荡器的振荡频率为100kHz和1MHz,可为DTL电路系统提供晶振信号,如图4-5所示。

图4-5
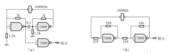
图4-6为由TTL(晶体管逻辑电路)集成电路构成的晶体振荡器,是分别为10MHz和20MHz两种振荡频率的振荡电路。

图4-6
提示
任何模拟信号都可以变成数字信号。数字信号往往需要存储和传输,在传输前需要加密和编码等。数字信号经过处理后需要还原。为此,数字信号往往需要按一定的规则编码,有了这些编码规则,才能在还原识别时进行相反的解码。完成这些信号处理过程的电路就是数字信号处理电路。数字信号处理电路的种类非常多。
在数字信号处理电路中处理数字信号是很复杂的,相应的处理电路也很复杂,为了使复杂的处理过程有条不紊,需要有一个统一的信号控制处理步调,这就是时钟信号。时钟信号是整个数字系统的同步信号,需要有很高的稳定性,通常由石英晶体构成的晶体振荡器产生。
多谐振荡器是一种可自动产生一定频率和幅度的矩形波或方波电路。其核心元器件为对称的两个三极管,或将振荡电路集于一体的集成电路。
图4-7为锯齿波振荡器的功能。

图4-7 锯齿波振荡器的功能
提示
比较常用的普克尔锯齿波谐振器的开始电源经Rc1为V2的基极提供偏压,使V2导通,电源经V2为电容器C充电,C上的电压升高,当充电电压接近基极电压时,V2截止,V2的集电极电压上升,使V1的基极电压上升,V1导通,C上的电压通过电阻R放电,使V2的发射极电压低于基极电压而再次导通,在C两端便产生周期性的锯齿波。
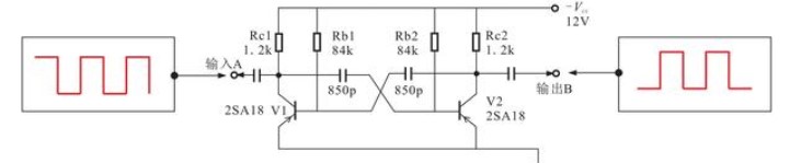
方波信号产生器也是一种多谐振荡器,利用双稳态多谐振荡器产生方波信号可同时输出两个相位相反的方波信号,电路简单,稳定可靠,如图4-8所示。

图4-8 方波信号产生电路
提示
在实际应用中,常见的复位电路也是一种脉冲信号产生电路。图4-9(a)为微处理器复位电路的结构。微处理器的电源供电端在开机时会有一个从0V上升至5V的过程,如果在这个过程中启动,有可能出现程
序错乱。为此,微处理器都设有复位电路,在开机瞬间,复位端保持0V(低电平)。当供电电压接近5V时(大于4.6V),复位端的电压变成高电平(接近5V),微处理器开始工作。关机时,当供电电压下降到小于4.6V时,复位端的电压下降为0V,微处理器程序复位,保证微处理器正常工作。图4-9(b)为微处理器复位电路的信号特点。

图4-9
龙腾半导体SGT MOSFET LSGT085R018在智慧农业无