时间:2021-01-07 17:31
人气:
作者:admin
上一节我们分析了D类功放的频谱,这一节就来具体看看滤波器该怎么设计。
截止频率的确定
首先,要设计滤波器,自然需要知道截止频率设计到多少比较合适。
我们上一节分析了频谱,可以知道,频谱里面除了包含音频分量以外,还有调制三角波的高频频率成分。我们知道,人耳可以感受到的声音分量最大为20Khz,而调制频率一般在200Khz以上,也就是说高频分量在200Khz以上,所以我们设定的截止频率应该在20Khz-200Khz之间,这是一个比较宽的范围,那么具体多少合适呢?

不过,我们也需要知道,LC滤波器也不是理想的,截止频率指的是幅度衰减到了0.707倍,因此如果我们设定截止频率为20Khz,那么有用的音频信号的高频部分是有一定衰减的,这也可以理解为失真。所以截止频率要比20Khz要高一些,截止频率越高的话,越不容易出现音频的高频部分被衰减。但是如果截止频率设置得越高,那么无用的调制三角波频率分量可能就衰减得不够。两者兼顾的话,个人觉得设置在30Khz左右比较好。
当然,一般器件的值都是离散的,因此,截止频率正好在30Khz时算出的电感值和电容值不一定有实物,我们选择接近的就好。
LC滤波器的Q值
一般我们说滤波器有一个Q值,我们如果查阅资料的话,会知道Q=0.707比较好,此时幅度响应比较平坦。那么这个Q值是什么意思呢?为什么Q=0.707比较好呢?下面来具体看下。
需要注意,这里的Q值很容易混淆,LC滤波器的Q值是按照谐振回路Q值来的。我在写这个文章的时候,曾经误以为谐振电路的Q值与电感Q值一样,都是无功功率除以有功功率,然后发现怎么都不对,因为谐振时,阻抗的虚部为0,那么Q值不是为0?
具体谐振回路的Q值定义可以参考这个文档:
https://wenku.baidu.com/view/8ea7d2069a6648d7c1c708a1284ac850ad020488.html
谐振电路的Q值一般按能量来定义:

在谐振时,整个电路的阻抗呈电阻性,也就是说从外部看来,整体是没有储能性质的。但是实际上是因为在谐振时,电感放电的时候正好电容在充电,而电容放电的时候,电感正好在充电,两者正好相等,所以外部看来,是没有能量注入的。上面公式的储能,指的不是新注入的能量,而是已经存储在电感和电容里面的能量,所以是不为0的。
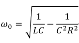
那么我们实际的滤波器的谐振频率w,Q值又是多少呢?

我们可以很轻松的写出上面滤波器的阻抗表达式:

一般我们说,谐振时整个电路呈现电阻性,即虚部为0,那么我们求得谐振频率为:

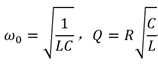
可以看到,谐振频率与并联谐振并不一样。并联谐振电路如下图,其谐振频率和Q值如下:


我查了许多滤波器的设计的文档,没有提谐振频率,只说截止频率和Q值。都是用的这下面这两个公式,应该是把这个LC滤波器直接看作是并联谐振电路的吧,当然,这纯属个人看法,不一定对。

按照这两个个公式,我们来看看LC滤波器不同Q值的增益曲线。

上图为w0频率相同,但是Q值不同的增益情况。
可以看到Q=0.707时,增益曲线是最好的。至于为什么准确到0.707,我也不清楚,只知道在Q=0.707的时候,增益也为0.707,正好是应滤波器的3db带宽的截止频率,因此,上述的w0也是截止频率。
滤波电路
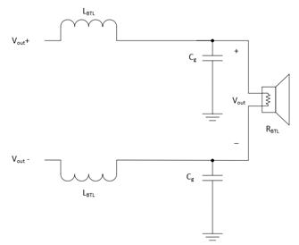
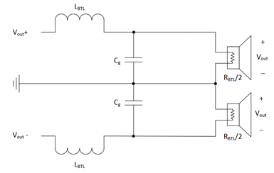
CLASS的常用的LC滤波器电路如下图所示

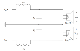
因为电路是对称的,它可以等效为如下电路:

我们分析一半即可,也就是下面这样:

这是一个典型的LC滤波电路。
LC滤波器设计举例
例子:使用TI的TPA2005D1功放,采用差分输出,扬声器的阻抗为8欧姆,请问滤波器该如何设计。
1、滤波器为LC滤波器,需要确定L,C的值。

2、确定滤波器截止频率,由前面可知,截止频率设计在f=30Khz比较合理。
3、根据差分的等效电路,LC滤波器等效电路如下,R=8Ω/2=4Ω

4、我们列出已知量和等式:

求得:C=0.94uF,L=30.01uH
根据实际情况,我们可以选择C=1uF,L=33uH。
如果我们翻开TI的TPA2005D1规格书手册,会发现它的推荐电路就是这个,如下图。

当然了,我估计有人会说,你废了老半天劲,结果还是直接跟人家推荐电路一样,我照抄就行了,何必这么费劲,我也不需要知道这么多。
是的,如果能用上推荐电路,自然也没问题。但是时常我们会遇到这样的问题,比如说现在喇叭要改用4Ω的,也是这个电路吗?如果知道了上面的,只不过是重新计算下的问题,显然L和C的值是要改的。
另外,还会有这样的问题,公司都没用过33uH的电感,有批量用15uH的,我能不能用15uH的电感?这种情况怎么办?
此时,我们可以考虑增大截止频率,还是让Q=0.707不变,L=15uH,这样算得C=0.47uF,此时对应的截止频率为f=60Khz。
查看规格书,这个放大器的开关频率为250Khz,所以,15uH电感,0.47uF电容也能用,当然,只不过对高频分量的抑制作用要差些,EMI应该会差些,要求不高的话完全没问题。
当然了,我们也可能只想改一个参数看看情况,比如只改电感值,不改电容。这里有一个简单的方法,那就是画出增益曲线。
下面是Matlab代码,只需要修改里面的L,C,R的值,就能看到滤波器的幅频响应。当你不确定你选用的电感或是电容是否合适的时候,只需要代到下面代码执行一遍,就可以看到效果了。
f=[1000:100:100000000]; %频率范围1Khz-10Mhzw=(f.*pi*2); %角频率
C=0.000001; %1uF 电容量L=0.000033; %33uH 电感量R=4; %等效负载(可能是喇叭阻抗的一般,根据情况而定)
Zc=1./(w.*C.*1i); %电容阻抗Zl=w.*L.*1i; %电感阻抗
Q=R*((C/L)^0.5); %滤波器Q值Av=abs(((Zc.*R)./(Zc+R))./(((Zc.*R)./(Zc+R))+Zl)); %负载1对应增益
figure; %画图loglog(f,Av);legend(['Q=',num2str(Q)]);%Q值grid on; %显示网格set(gca,'YLim',[0.001 20]);%y轴的数据显示范围set(gca, 'XTickLabel' ,{'1K','10K','100K','1M','10M','100M'}); %x轴频率数据set(gca, 'YTickLabel' ,{'0.001','0.01','0.1','1','10','100','1000'}); %x轴幅度数据xlabel('频率'),ylabel('增益');%x,y轴名称

5、确定电感的额定电流
还有一个比较重要的就是,喇叭是功率器件,那么电感的电流也会比较高,具体的大小要看喇叭的最大功率是多大。
这个放大器最大功率为1.4W,根据对称性,单边功率可看作是0.7W

并且R=扬声器阻抗/2=4,在根据P=I^2*R,求得I=0.42A。这个电流为有效值,那么电流的峰值为Ipp=0.42A*1.414=0.59A。
所以电感的饱和电流应该大于0.59A,温升电流应该大于0.42A。并且我们注意到,电感标称的饱和电流为电感值下降30%时对应的电流,因此,可以的话,需要留尽量多的裕量。
小结
本节讲述了D类功放滤波器该如何设计,包括滤波器截止频率的选择,滤波器的Q值是什么,以及如何计算滤波器对应的电感值和电容值。如有错误,欢迎留言指出。
延伸阅读:D类音频功放的LC滤波器设计案例
责任编辑:xj
原文标题:音频D类功放LC滤波器设计(二)
文章出处:【微信公众号:硬件工程师炼成之路】欢迎添加关注!文章转载请注明出处。
龙腾半导体SGT MOSFET LSGT085R018在智慧农业无