时间:2021-04-09 16:39
人气:
作者:admin
本应用笔记介绍了ISL73096RH / ISL73127RH / ISL73128RH晶体管阵列,并着重于设计采用这些特色晶体管阵列的RF放大器。本说明提供了匹配的(800 MHz至2500 MHz)高增益低噪声放大器和10 MHz至600 MHz宽带反馈放大器的完整设计过程。
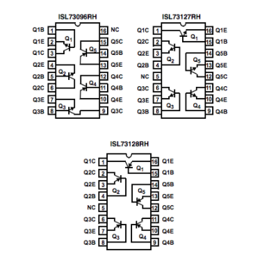
ISL73096RH,ISL73127RH和ISL73128RH晶体管阵列采用互补双极键合晶圆绝缘体上硅(SOI)技术制造,称为UHF-1。这三种产品都使用相同的管芯,管芯上同时具有NPN和PNP晶体管。图1显示了三种不同产品的引脚排列。

图1 ISL73096RH,ISL73127RH,ISL73128RH的引脚排列
与结隔离相反,SOI工艺具有较低的DC和AC寄生泄漏电流的优势,这导致了晶体管之间的良好隔离。此外,SOI工艺可显着降低集电极对基板的电容,不受器件之间任何可能的闩锁影响,并具有出色的辐射硬度。
ISL73127RH用于两级匹配(800 MHz至2500 MHz)高增益放大器设计,而ISL73096RH用于10 MHz至600 MHz宽带反馈放大器。
电路设计
高增益低噪声放大器
射频放大器的一项重要设计要求是对输入和输出阻抗电平的精确控制。如果放大器要与匹配的源阻抗和负载阻抗对接,这一点尤其重要。

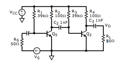
图2用ISL73127RH实现的高增益低噪声放大器
根据S参数的测量,对于共发射极配置,ISL73127RH的晶体管在很宽的频率范围内在输入侧表现出预匹配的条件。这些晶体管的封装引线和键合线电感使输入阻抗接近50Ω。对于IC = 5 mA – 10 mA,VCE = 2 V – 5 V,对于800 MHz至3000 MHz的频率,Q2和Q5的输入VSWR小于-10 dB。此外,对于这些晶体管,可以通过使用100电阻旁路集电极来实现良好的输出匹配,对于300 MHz至3000 MHz的频率,输出VSWR <-10 dB。由于Q2和Q5内置的单级放大器都显示出良好的输入和输出匹配,因此它们可以级联以获得更高的增益,而无需阻抗转换网络。图2显示了最后的两级放大器。该电路的优点是简单。该设计不使用任何会增加电路成本的调谐电感器或电容器。此外,该电路通过级联两个内置晶体管的放大器级来实现更高的增益。
编辑:hfy
龙腾半导体SGT MOSFET LSGT085R018在智慧农业无