时间:2021-03-24 16:11
人气:
作者:admin
输入偏置电流是通常被忽略的放大器参数,会对放大器电路的输出精度产生重大影响。有时影响很小,可以忽略不计,但有时可能导致电路完全失效。为诸如电流检测或传感器接口之类的精密应用设计的工程师应注意输入偏置电流的影响,以确保设计可靠。
通常,精密应用中想到的关键参数是输入失调电压,失调漂移和CMRR。那么当放大器输入通常被认为是高阻抗时,输入偏置电流因数又如何呢?简单的答案是,输入偏置电流会在其路径中的任何电阻上产生实质上是寄生电压的效应,放大器会放大这种效应。
输入偏置电流的定义
首先,让我们看一下输入偏置电流的含义。理想的运算放大器(运放)没有任何电流流入其输入端子。但是现实生活中的运放却可以。数据手册中的输入偏置电流(IIB)规范量化了这种非理想电流。输入偏置电流会在输入端产生额外的失调电压降,从而在输出端导致失调误差。对于大多数应用程序,此错误可以忽略不计,但是在某些情况下需要考虑这一错误。
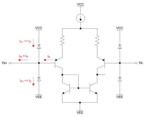
从历史上看,运算放大器是用双极结型晶体管(BJT)制成的。对于双极性运算放大器,例如LM324,当输入差分晶体管导通时,少量电流在基极和发射极之间流动。换句话说,基极-发射极电流是偏置晶体管所需的电流量。该电流通常在纳安或微安的范围内。对于PNP输入对,电流从输入晶体管流出,如图1所示为双极放大器的简化PNP输入级。在轨至轨输入双极性运算放大器的情况下,将使用额外的NPN输入对,电流将流入NPN输入级。

图1双极型运放的简化输入阶段演示了输入偏置电流如何改变放大器的输出。
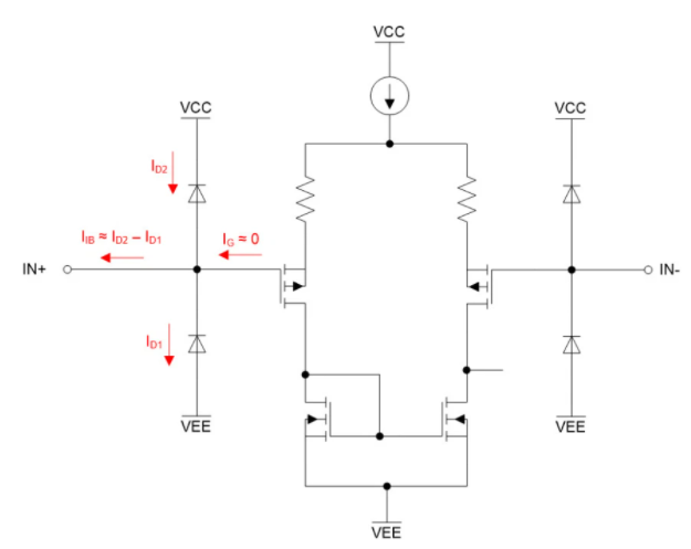
但是,当今大多数新型放大器都使用CMOS晶体管。使用MOSFET,栅极与传导通道物理隔离,以创建真正高阻抗的输入。这些类型的放大器没有实际的输入偏置电流。然而,这些放大器的数据手册上仍使用输入偏置电流参数。在这种情况下,CMOS放大器的所谓输入偏置电流主要来自ESD结构,保护二极管和/或寄生结。结果,诸如NCS20071之类的CMOS放大器将比双极放大器具有更低的输入偏置电流。对于CMOS运算放大器,根据条件的不同,输入偏置电流可以有正向或负向流动。图2显示了具有PMOS输入的CMOS运算放大器的典型简化输入级。

图2CMOS运算放大器输入级的简化输入级显示了泄漏如何充当输入偏置电流。
CMOS运算放大器中的每个输入引脚都有自己的输入偏置电流,IN +和IN-引脚可能具有不同的输入偏置电流值。数据表可以通过输入引脚之一指定IIB电流,方法是将其标记为IIB +表示IN +,或IIB-表示IN-。然后,将两个输入电流之间的数学差称为输入失调电流IOS。
在任何给定的数据表上,输入偏置电流的流向都不总是确定的-数据表限制可能仅显示绝对值-因此电流可能流入或流出引脚。除非另有说明,否则,假定IIB和IOS是绝对值。电流也可能改变。图3显示了NCS20071输入共模电压变化时输入偏置电流的变化情况。
图3输入偏置电流(IIB)和输入失调电流(IOS)将随运放所施加的共模电压而变化。
输入偏置电流效应
这些输入偏置电流会影响放大器的输出。例如,如果有一个大电阻与运算放大器输入串联,则IIB流经该电阻并增加一个失调。例如,考虑图4所示的示意图。在IIB= 10 nA的电压跟随器电路(也称为单位增益缓冲电路)中输入1MΩ的电阻会在电阻两端产生额外的10 mV压降,从而导致10mV的输出误差。

图4输入偏置电流在该单位增益电路中产生电压偏移。
为了消除由IIB产生的任何失调电压,有时电路设计人员会尝试匹配运算放大器的同相和反相输入端子所看到的输入电阻,如图5所示。但是,如果偏置电流不匹配,则产生的输入失调电流(IOS)仍会产生额外的输入失调电压。IOS产生的失调电压会导致输出误差,并且在测量非常小的输入信号的精密应用中会引起关注。

图5如果两个输入端子具有相同的输入偏置电流和最小的输入失调电流,则输入电阻匹配可以减小输入偏置电流的影响。
电流检测放大器的注意事项
专用电流检测放大器是要考虑的特殊情况。许多电流检测放大器具有专门的架构,例如NCS210R,其允许输入高于电源电压。尽管这对于许多应用是有利的,但由于前面讨论的原因,它要求电路汲取增加的输入电流(在几十微安的范围内),从而使电路对外部输入电阻特别敏感。图6演示了这一点,其中允许扩展共模范围的“附加电路”产生了以红色文字表示的大输入偏置电流。在该电路中增加大的外部电阻器意味着输入偏置电流将在每个电阻器上产生更大的电压。

图6电流检测放大器的偏置电流很大,因此外部电阻最多应保持在10Ω
采用这种架构,输入偏置电流仅对外部电阻有效。内部电阻R1和R3没有我IB在它们之间流动。由于差动放大器的标准增益方程式假设流经外部和内部电阻器的电流相同,因此增益与预期值会有些失真。结果,标准方程式仅变为所得增益的近似值,如近似等号所示:
外部电阻器还抵消了内部增益电阻器的精确比率匹配所产生的高增益精度。这种类型的电流检测放大器架构依赖于内部电阻器之间的比率来设置增益,而不是依赖于电阻器的绝对精度。即使所有内部电阻都比标称值高+ 10%,比率匹配也意味着增益将在数据手册的±1%增益误差规格范围内。外部电阻即使精度很高,也可能使整个比率匹配失效。这意味着添加输入电阻器实际上会产生复合效果,由于电阻器比率不匹配以及由于IIB造成增益误差,这已在上一段中进行了讨论。
在这些错误之上,额外的失调电压误差是由于由我创建OS作为最近安森美半导体应用工程案例,演示。该客户是一名工程师,他想通过在高端电流检测电路中与NCS210R的输入串联添加1kΩ电阻来定制电流检测放大器的增益,其原理图如图7所示。但是结果却不是客户期望的。实际调整后的增益为167 V / V,而不是NCS210的标准200 V / V增益,为简单起见,假设理想电阻和标准增益方程式计算得出。

图7输入偏置电流的差异将导致输入失调电流IOS。加上外部电阻,将增加的输入失调电压(以VIN表示)添加到公式中,产生的误差大于仅输入失调电压。
由于增加了外部电阻,该IOS有这样抵销甚至内部偏移电压,V一显著效果OS。NCS210R的典型输入失调电流为IOS= 0.1 µA,如数据手册所述。该电流在放大器的输入端增加了1kΩx±0.1 µA =±100 µV的误差(典型值)。在这种情况下,典型的输入失调电流会产生一个甚至大于产品数据手册中列出的最大输入失调电压VOS=±35 µV的输入失调。这两个输入失调电压实际上都乘以增益,并作为误差加到输出上。
尽管客户的设计人员可能会因VOS产生±6 mV的输出误差,但他们忽略了IOS会增加至少±17 mV的附加输出误差这一事实。如果IOS大于数据手册中指出的典型值,则该错误会变得更大。
解决客户问题的方法非常简单。如果NCS210R的200 V / V的标准增益对于他们的应用来说太高了,他们将需要使用100 V / V版本的放大器(NCS214R),而无需添加任何外部电阻。这种缺席将消除IOS的任何错误。然后,它们将必须相应地增加检测电阻器的值,以在输出端保持相同的电压,这也将减少由于输入失调电压而导致的总误差。这里的权衡是,当其值增加时,在检测电阻上会损失更多的功率。
使用具有此架构的电流检测放大器时要记住的关键点是:只要在电流检测放大器中未添加外部电阻,本征IIB和IOS就不会产生有害影响!
精密运算放大器的注意事项
对于需要特定增益值的电流检测应用来说,该增益值在集成电流检测放大器中不容易获得,一种可能的解决方案是精密运算放大器,例如NCS21911。为了执行电流检测功能,可以将精密运算放大器实现为具有外部增益网络的差动放大器。这种方法的挑战是要在增益网络中的电阻之间实现足够的匹配,以建立所需的增益精度和CMRR。所需的精密匹配电阻器可能很昂贵。但是,在具有非常特定的增益要求的应用中,该解决方案可以潜在地减少由输入偏置电流产生的误差。
重要的是要注意,精密放大器可以具有自己独特的输入偏置电流特性。精密放大器中常用的零漂移架构是通过定期对输入进行采样并对其进行校正来实现的。结果,由于电容器和开关上的电荷注入和时钟馈通,输入端会出现电流尖峰。在我IB数据表上列出的是一个平均DC值,但那里有电流尖峰。在这种情况下,不建议使用非常大的外部输入电阻。如果需要,可以添加一个截止频率低于斩波频率的简单RC滤波器,以最大程度地减小电压尖峰。这种固有的行为限制了零漂移放大器不能用作跨阻放大器。但是,零漂移放大器仍然是电流检测应用的可靠选择。
结论
对于大多数应用,输入偏置电流通常不被视为重要参数。即使这样,在某些情况下它的确会对性能产生重大影响,并且了解它对于成功设计至关重要。通过了解输入偏置电流如何产生额外的输入失调电压因数,电路设计人员可以了解如何为精密应用确保最佳精度。
关于作者
Farhana Sarder是安森美半导体的应用工程师。她以模拟电路设计为背景,专门研究放大器产品,包括精密运算放大器,电流检测放大器和比较器。她拥有电气工程硕士学位。
编辑:hfy
龙腾半导体SGT MOSFET LSGT085R018在智慧农业无