时间:2021-05-26 14:15
人气:
作者:admin
本应用笔记介绍了HEDS-8949 / HEDS-8969对齐软件的功能,代码轮设置以及AEAT-9000-1GSH0和AEAT-9000-1GSH1绝对编码器的对齐。两种校准套件HEDS-8949和HEDS-8969均具有在用户校准期间对IC输出进行实时IC监视的功能。
工作
原理1. AEAT-9000编码器由13个差分绝对轨迹信号组成。从码盘生成十二个磁道,从增量磁道的模拟正弦生成磁道号13。
2.八个光电传感器用于产生90°相移的模拟Sine +,Sine-,Cosine +和Cosine-信号。校准模拟信号以通过SPI接口校正偏移和增益。偏移量和增益值将被预加载到内部存储器中。进行信号调理后,编码器执行片上插值以生成附加的4位绝对输出(D-1至D-4),并将其与13个差分绝对磁道信号进行同步,以构建17位绝对编码器。模拟信号是真正的差分信号,具有500 kHz的频率响应,从而可以高速读取绝对输出位置数据。
3.附加传感器用于径向对准。传感器定位将在LocTest引脚输出,并在对齐模式下使用SPI接口启用。
4.内轨道和外轨道通过在TiltOut引脚上产生脉冲用于倾斜角测量。TiltOut脉冲宽度用于确定倾斜角度。
5. Zero_RST输入引脚用于将编码器零位置设置为任何位置。编码器将预设值存储在内部存储器中,并在每次读取数据时参考该预设值指示新的位置信息。将Zero_RST引脚接地时,将启用归零复位功能。

对齐模式
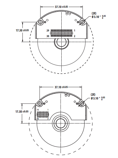
如图1所示,通过将代码轮毂的中点位置定位在距安装孔中心17.5 mm的位置,将代码盘与读取头对齐。
通过SPI总线,命令切换到对齐模式,如图
1所示。用1010 1011写入地址0x11以解锁寄存器。
2.用0001 0001写入地址0x10以打开对齐模式。
编辑:hfy
龙腾半导体SGT MOSFET LSGT085R018在智慧农业无