时间:2020-09-23 14:53
人气:
作者:admin
设计说明:
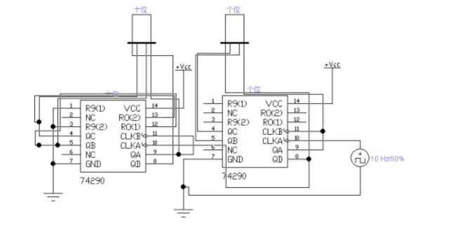
1. 秒钟与分钟显示电路:
分秒显示为60进1,利用两片74290组成的60进制计数器如下图所示,输入计数脉冲CP加在CLKA’端,把QA与与CPLB’从外部连接起来,电路将对CP按照8421BCD码进行异步加法计数。通过反馈端,控制清零端清零,其中个位接成十进制形式,十位接成六进制形式

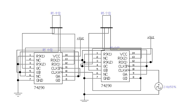
2. 时钟显示电路:
本设计采用24小时进制,用两片74290连接成24进制计数器,计数信号由分钟显示电路提供,即当分钟为60时小时计数加一。个位同样接成十进制形式,十位也接成十进制形式,当十位为2个位为4时通过反馈电端,控制个位和十位同时清零,这样就可以按23翻0规律记数了。电路图如下所示:

连接成总电路时,输入方波信号由分钟计数器提供。
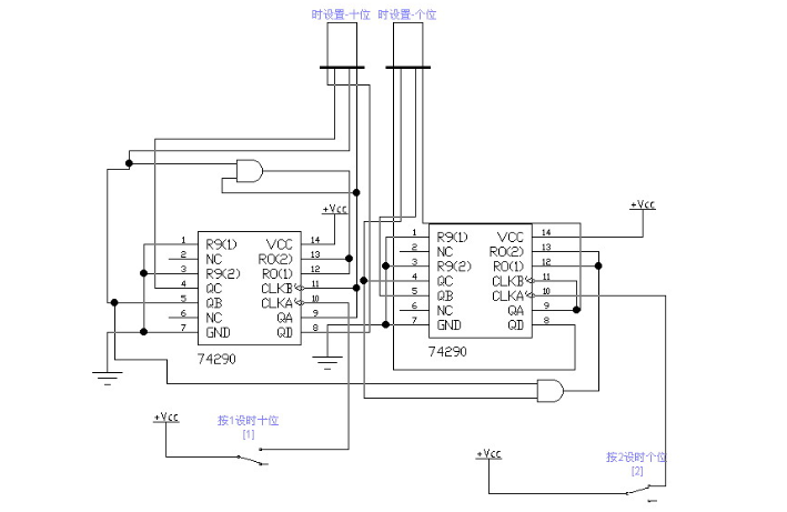
3. 调时调分电路:
本设计的调时与调分操作可以直接在时间的显示器中直观操作,用二个高电位分别与小时的个位计数信号与分钟的个位计数信号或运算后作为计数信号输入。高电位的输入用二个开关控制,每开关闭全又断开一次则相应地给计数器一个高电位的干扰信号,些时相应的计数器计数加一,从而实现调时和调分功能,设定按A为小时设置,按B为分钟设置。具体电路看总电路图。
4. 整点报时电路:
当分钟为59,秒钟也为59时,表明整点将要来到,这里将分钟计数器与钞钟计数器的输出端中为1的端引出,用一7421门进行与运算后变为二个输出端,然后输入到一个与门进行与运算,最后将输出端输出到整点报时器,这里用一个发光二极管表示,只有当分钟为59同时秒钟也为59时,这时引出的8个输出端才会同时为1,经过二次与运算后还是为1,即给整点报时器一个高电位信号,从而让报时器报时。当时间为任何其它的数字时,最后输出端都不是1,即都不会报时。具体电路看总电路。
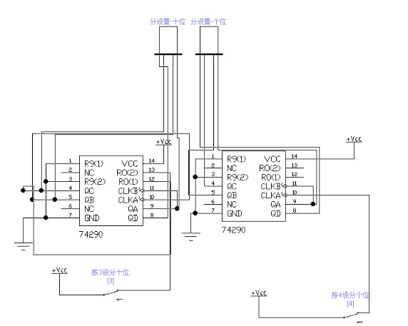
5.定时闹钟电路:
本设计小时的十位与个位,分的十位与个位分别用一个开关控制设置,各个开关对应打开关闭一次时,对应的计数器对应计数加一,分别用“1”“2“3”“4”设置,时钟的定时电路如下所示:

个位为十进制,十位为三进制,当十位为2时,通过反馈控制端,个位不能大于等于4,即小时十位为2时,个位加到4时十位和个位马上全部置0,从而让小时的设置只能最大设为23,这样就不会设错。当十位不是2时,个位则加到9时再加一位则置0。其中,分定时设置如下所示:

当然原理与定时时设置相同,只是十位为6进制,个位为10进制,到59翻0。闹钟部分时,将小时显示计数器、分钟显示计数器的8个输出端,闹钟时设置、闹钟分设置的8个输出端引出,用4个4077门进行比较,然后将4个4077门的8个输出端用2个7421进行与运算,将2个7421的输入输出端用3个与门进行与运算后输出到闹钟发声器。就完成了闹钟功能。当与时间显示计数器相连的显示器与与时间设置计数器相连的显示器显示的数字相同时,即相达闹钟条件,这时4个4077门的所有输入端都为1,经过二次与运算后输入到发声器的信号也为1,即闹钟开始,否则输入到发声器的信号为0,闹钟不响。闹钟会一直响,直到两个地方的时间不一样为止,也就是响一分钟。具体电路请看总电路。
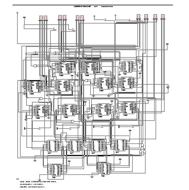
6.总电路图:

效果分析:分按下测试按钮开关后,时间显示部分从00:00:00开始计数,每一秒秒钟显示加一,每60秒分钟显示加一,每60分时钟显示加一,每时钟到达23时下一个态为0。闹钟设置显示部分开始为00:00:00,按“1”时,时的十位加一,加到23时下一个态为0;按“2”时,时的个位加一,加到9时下一个态为0;按“3”时,分的十位加一,加到5时下一个态为0;按“4”时,分的个位加一,加到9时下一个态为0;按“S”打开和关闭整点报时功能,当整点时,整点报时信号灯亮一下。按“T”打开和关闭闹钟功能,当实际时间达到闹钟设置时间时,闹钟信号灯亮,一分钟后熄灭;按“A”时间显示部分的时加一,按“B”时间示示的分加一,如些循环可以把时间调整为准确时间。多次测试说明,本次设计的电路完全符合设计要求。
龙腾半导体SGT MOSFET LSGT085R018在智慧农业无