时间:2020-12-22 15:24
人气:
作者:admin
作者:Doug Mercer 和 Antoniu Miclaus
在设计电路时,需要考虑某些器件值之间的巨大差异,这一点非常重要。设计人员的核心目标是,使得这些差异不会对电路产生影响,以便设计出在所有潜在条件下都满足规格的电路。几乎所有电路都有一个设计共性,即建立稳定偏置或工作点电平。这个看似微小的设计部分可能导致产生最具挑战性且最有趣的电路问题。
许多偏置发生器主要用于产生电流,以驱动电路的核心。由电源中连接的简单电阻和二极管,或者由二极管连接的晶体管生成的电流之间的差异大致与电源电压的差异成正比。在由此产生的偏置电流中,这种差异通常是不希望出现的。
这里,我们给大家介绍一款电流镜,我们已在之前的实验中分析过电流镜,使其输出不会受输入电流的差异影响。分析零增益放大器的行为可以帮助我们理解这些电路。
材料
● ADALM2000 主动学习模块
● 无焊面包板
● 一个2.2 kΩ电阻(或其他类似值)
● 一个47 Ω电阻
● 一个小信号NPN晶体管(2N3904或SSM2212)
说明
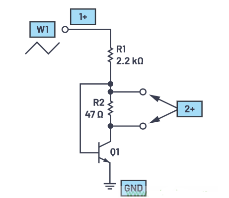
在图1中,我们使晶体管偏置导电,其集电极电压比基极电压低 kT/q (相当于 IC * 47 Ω) ,且基本上保持恒定,并应用来自AWG发生器的输入电压变化。

图1.零增益放大器。
硬件设置
面包板连接如图2所示。波形发生器W1输出驱动电阻R1的一端。电阻R2连接在晶体管Q1的基极和集电极之间,电阻R1的另一端也连接至基极。Q1的发射极接地。

图2.零增益放大器面包板电路。
程序步骤
波形发生器1配置为1 kHz三角波,峰峰值幅度为3 V,偏置为1.5 V。连接示波器通道1,以显示AWG发生器的输出W1。示波器通道2 (2+)的单端输入被用于交替测量Q1的基集和集电极电压。
配置示波器以捕获测量的两个信号的多个周期。确保启用XY功能。
使用示波器的波形图示例如图3至图5所示。
图3.示波器图 VBE。
图4.示波器图 VCE。

图5.表格式波形图示例: VBE 与 VCE的比较
改善VBE乘法器,应用零增益概念
许多电路都要求产生大于1 VBE的电压。这里,我们更详尽地探讨实现这一点的另外三种方法。
VBE * 2版本1:
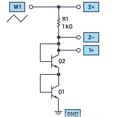
明显很简单的方法是:单纯将两个由二极管连接的晶体管串联在一起。
材料:
● 一个1 kΩ电阻
● 两个小信号NPN晶体管(2N3904或SSM2212)
说明:
面包板连接如图7所示。AWG发生器的输出驱动电阻R1的一端和示波器通道2的2+输入。Q1的发射极接地。Q1的基极和集电极都连接至Q2的发射极。Q2的基极和集电极连接至R1的另一端和示波器通道2的2–输入,以及示波器通道1的1+输入。

图6.VBE电路。
硬件设置:
波形发生器配置为1 kHz三角波,峰峰值幅度为3 V,偏置为1.5 V。两个示波器通道均可设置为每格200 mV。
步骤:
配置示波器以捕获测量的两个信号的多个周期。确保启用XY功能。

图7.VBE面包板电路。
对于使用示波器的波形图示例,请参见图8。
图8.示波器电压与电流。
VBE * 2版本2:
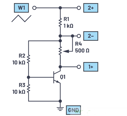
第二种方法是使用两个电阻作为分压器。由此会产生一个输出,其值为VBE的小数与Q1的VBE之和。
材料:
● 一个1 kΩ电阻
● 两个10 kΩ电阻
● 一个5 kΩ可变电阻(如果可行,500 Ω电位器更好)
● 一个小信号NPN晶体管(2N3904或SSM2212)
说明:
面包板连接如图10所示。波形发生器的输出驱动电阻R1的一端和示波器通道2的2+输入。Q1的发射极接地。电阻R3连接在Q1的基极和地之间。电阻R2的一端连接至R1的另一端、示波器通道2的2–输入,以及电位器R4 2–的一端和弧刷。R2的另一端连接到Q1的基极。Q2的集电极连接至R4剩余的一端,以及示波器通道1的1+输入。

图9.VBE乘法器电路版本2。
硬件设置:
波形发生器配置为1 kHz三角波,峰峰值幅度为3 V,偏置为1.5 V。两个示波器通道均可设置为每格200 mV。
步骤:
先将可变电阻R4设置为最低值(接近0 Ω)。对比版本1,观察此配置的电压与电流特性。在晶体管开启之前,两个10 kΩ电阻中会有少量额外电流流过。1 mA时的电压会稍高一些,且曲线斜率较为平缓。
配置示波器以捕获测量的两个信号的多个周期。确保启用XY功能。

图10.VBE乘法器面包板电路。
使用示波器的波形图示例如图11和图12所示。
图11.示波器图——R4设置至0 Ω。
我们现在来应用零增益放大器概念。现在,调节R4并观察曲线斜率的变化。R4的值为多少时,曲线近乎垂直?为何该值是实现零增益的正确值?
图12.示波器图——R4设置至近100 Ω。
VBE * 2版本3:
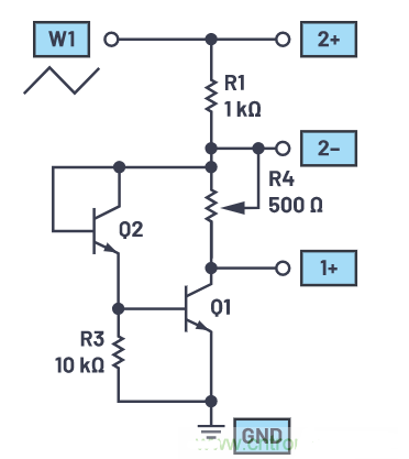
在版本2的基础上做了一点小调整。
材料:
● 一个1 kΩ电阻
● 一个10 kΩ电阻
● 一个5 kΩ可变电阻(如果可行,500 Ω电位器更好)
● 两个小信号NPN晶体管(2N3904或SSM2212)

图13.VBE乘法器版本3。

图14.VBE乘法器面包板电路版本3。
说明:
面包板连接如图14所示。版本3是从版本2演变而来:移除了10 kΩ电阻R2,用由二极管连接的NPN Q2替代,具体如图所示。
硬件设置:
波形发生器配置为1 kHz三角波,峰峰值幅度为3 V,偏置为1.5 V。两个示波器通道均可设置为每格200 mV。
步骤:
和之前一样,先将可变电阻R4设置为最低值(接近0 Ω)。对比版本2,观察此配置的电压与电流特性。在Q1开启之后,直至Q1和Q2都开启之前,10 kΩ电阻中会有少量额外电流流过。1 mA时的电压会稍低一些,且曲线斜率更陡峭—更接近版本1。
配置示波器以捕获测量的两个信号的多个周期。确保启用XY功能。
使用示波器的波形图示例如图15和图16所示。
图15.示波器图——R4设置至0 Ω。
我们再次来应用零增益放大器概念。现在,调节R4并观察曲线斜率的变化。R4的值为多少时,曲线近乎垂直?为何该值是实现零增益的正确值?
图16.示波器图——R4设置至40 Ω。
问题:
如何调整版本2(图9)中R2和R4的值,以获取稳定的1.0 V输出?
编辑:hfy
龙腾半导体SGT MOSFET LSGT085R018在智慧农业无