时间:2021-01-18 15:16
人气:
作者:admin
01 AD633
在 Build A Loarenz Attractor 中给出了基于四象限模拟乘法器的混动电路都在方法。其中模拟乘法器是电路的核心部分。

在 MPY634U 四象限模拟乘法器 中给出了四象限模拟乘法器的性能,很奇怪的是它的输入,输出之间呈现了很大的非线性。
本文就低成本模拟乘法器 AD633JN (¥13.5)的基本应用特性进行初伏测试记录。购买到的AD633的型号为AD633JN。
1.器件的基本特性
在 AD644 数据手册 给出了它的基本工作条件。

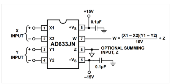
▲ PINs Configuration and Funcadtion Descriptions
工作电压的极限:±18V。
02 测试实验
1.实验电路
下面是在AD633 数据手册上给出的乘法参考电路。

▲ 实验电路参考电路图
2.出现的问题
不知道为什么,当X2=Y2=0V,在X1,Y1引入+5V使得,+5V电源出现几百毫安的灌入电流。引起器件发烫。
由于这个故障,使得下面的性能测试无法进行。
结论
实验中出现了不可解释的故障,所以这个芯片应用中还是存在着不确定性。

编辑:hfy
龙腾半导体SGT MOSFET LSGT085R018在智慧农业无