时间:2018-06-07 00:21
人气:
作者:admin
NXP公司的PCA8538是汽车级102x9段玻璃覆晶(COG)LCD驱动器,和AEC Q100 grade 2汽车应用标准兼容,低功耗,多达114个7段数字和57个14段字符以及多达918个元素的任何图形。工作电压2.5V-5.5V,主要用在汽车仪表盘, 汽车娱乐系统,汽车无线电,工业控制和消费电子,医疗保健,测量设备,白色家电,机器控制系统,和通用显示模块。本文介绍了PCA8538主要特性和优势,框图,I2C和SPI接口的连接图,以及评估板OM13501A 主要特性,电路图和PCB元件分布图。
The PCA8538 is a fully featured Chip-On-Glass (COG)1 Liquid Crystal Display (LCD) driver, designed for high-contrast Vertical Alignment (VA) LCD with multiplex rates up to 1:9. It generates the drive signals for a static or multiplexed LCD containing up to 9 backplanes, 102 segments, and up to 918 elements. The PCA8538 features an internal charge pump with internal capacitors for on-chip generation of the LCD driving voltage. To ensure an optimal and stable contrast over the full temperature range, the PCA8538 offers a programmable temperature compensation of the LCD supply voltage. The PCA8538 can be easily controlled by a microcontroller through either the two-line I2C-bus or a four-line bidirectional SPI-bus.
PCA8538主要特性和优势:
AEC Q100 grade 2 compliant for automotive applications
Low power consumption
Extended operating temperature range from 40 C to +105 C
102 segments and 9 backplanes allowing to drive:
1)up to 114 7-segment numeric characters
2) up to 57 14-segment alphanumeric characters
3)any graphics of up to 918 elements
918-bit RAM for display data storage
Two sets of backplane outputs providing higher flexibility for optimal COG layout configurations
Up to 4 chips can be cascaded to drive larger displays with an internally generated or externally supplied VLCD
Selectable backplane drive configuration: static, 2, 4, 6, 8, or 9 backplane multiplexing
LCD supply voltage
1)Programmable internal charge pump for on-chip LCD voltage generation up to 5 VDD2
2)External LCD voltage supply possible as well
Selectable 400 kHz I2C-bus or 6.5 MHz SPI-bus interface
Selectable linear temperature compensation of VLCD
Selectable display bias configuration
Wide range for digital and analog power supply: from 2.5 V to 5.5 V
Wide LCD voltage range from 4.0 V for low threshold LCDs up to 12.0 V for high threshold twisted nematic and Vertical Alignment (VA) displays
Display memory bank switching in static, duplex, and quadruplex drive modes
Programmable frame frequency in the range of 45 Hz to 300 Hz; factory calibrated with a tolerance of 3 Hz (at 80 Hz)
Selectable inversion scheme for LCD driving waveforms: frame or n-line inversion
Diagnostic features for status monitoring
Integrated temperature sensor with temperature readout
On chip calibration of internal oscillator frequency and VLCD
Laser marking at the back-side of the die for traceability of the lot number, wafer number, and die position on the wafer
PCA8538应用:
Automotive
Instrument clusters
Climate control
Car entertainment
Car radio
Industrial
Consumer
Medical and health care
Measuring equipment
Machine control systems
Information boards
White goods

图1. PCA8538框图

图2. 推荐的I2C接口的ITO连接图

图3. 推荐的SPI接口的ITO连接图
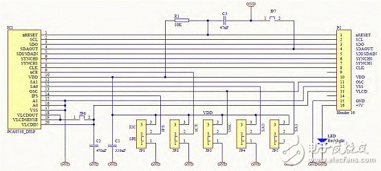
PCA8538评估板OM13501A
This evaluation board can be used to demonstrate and evaluate the PCA8538 segment driver. This is a chip-on-glass LCD driver which can drive up to 918 segments in MUX 1:9. The board contains only the display module, some decoupling capacitors and some jumpers. The jumpers can be used for interface selection (I2C or SPI)。 A pin strip has been provided as well, which makes it easy to connect the board to any microcontroller and power supply, and start developing an application
This user manual describes the PCA8538 evaluation board. The board contains a COG display module, some decoupling capacitors for the power supply and some jumpers to configure the display driver.
The PCA8538 is a peripheral device which interfaces to almost any Liquid Crystal Display (LCD) with low multiplex rates. It generates the drive signals for any static or multiplexed LCD containing up to nine backplanes, 102 segments and up to 918 display elements. The PCA8538 features an internal charge pump with internal capacitors for on-chip generation of the LCD driving voltage. To ensure an optimal and stable contrast over the full temperature range, the PCA8538 offers a programmable temperature compensation of the LCD supply voltage. The PCA8538 can be easily controlled by a microcontroller through either the two-line I2C-bus or a four-line bidirectional SPI-bus. It is AEC Q100 grade 2 compliant for automotive applications. Please refer to the PCA8538 datasheet as well while working with this board.
This board was developed in order to provide a low cost tool for engineers, wishing to demonstrate and evaluate this LCD driver, and to get hands-on experience with writing code for it. Code written using this board can serve as an example for the final application. This enables rapid prototyping. The board can be connected to any existing application with either I2C-bus or SPI-bus interface. This application then needs to provide also the power supply, with the supply voltage ranging from 2.5 V to 5.5 V.
PCA8538评估板OM13501A 主要特性:
Provides tool for evaluating the PCA8538 LCD driver
Features a vertical alignment (VA) COG display module with integrated backlight
Jumpers for interface selection (I2C or SPI)
Jumper for selection of internal or external oscillator
Connector pins for easy connection to external microcontroller or application
图4. PCA8538评估板OM13501A外形图

图5. PCA8538评估板OM13501A电路图

图6. PCA8538评估板OM13501A元件分布图
龙腾半导体SGT MOSFET LSGT085R018在智慧农业无