时间:2018-04-02 09:06
人气:
作者:admin
TL431 并联稳压器或许是隔离式开关电源中最常见的 IC,其可提供低成本的简单方式精确调节输出电压。图 1 是 TL431 及典型应用电路(用于调节隔离式电源输出)的方框图。TL431 在单个三端器件中整合一个内部参考和一个放大器。R3 和 R5 电阻分压器以及 TL431 的内部参考电压可设定输出电压。在 TL431 内部,误差放大器输出可驱动晶体管的基极。晶体管集电器不仅可连接 TL431 的 K (阴极)引脚,而且还可驱动一个光耦合器,其可将隔离边界的误差信号发送至主控制器。反馈环路的频率响应由位于 TL431 阴极与 REF 引脚之间的补偿组件形成。
图 1. 常用于调节隔离式电源输出电压的 TL431 电路。
在转换器输出电压小于 5V 时,该电路开始出现一些局限性。阴极的最小推荐工作电压等于参考电压,标准版 TL431 为 2.5V。光耦合器内部光电发射器支持约 1.5V 的最大正向压降。如果输出电压小于 4V,则光耦合器可能无法完全正向偏置。此外,还需要为偏压电阻器 (R1) 分配额外的电压裕度。这可将标准 TL431 实际使用输出电压限定在 4.5V 以上。TL431 有 TLV431 等低电压版本,可提供 1.25V 参考。这可为采用 3.3V 输出驱动光耦合器提供充足的性能空间。使用该部件调节更低的输出电压,需要对标准电路进行修改。
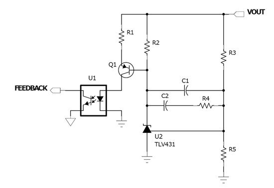
如图 2 所示,只要添加一个 PNP 晶体管,就可使用低电压 TLV431 调节小于 3.3V 的输出电压。在该电路中,TLV431 的阴极可驱动 PNP 晶体管的基极,其可配置为射极跟随器。这允许光耦合器在 PNP 晶体管集电极与接地之间移动,在这里可为光电发射器正向压降提供足够的空间。由于最低阴极电压为 1.25V,基极至发射极典型电势为 0.7V,因此 Q1 发射极的最低电压约为 1.95V。这可使用 2.5V 输出为偏压电阻器留 0.5V 压降。
这种简单修改可扩展 TLV431 稳压电路范围,使其包含 2.5V 电轨。然而对于低于 2.5V 的输出电压而言,标准稳压电路所需的修改就要复杂得多。最终,必须专门生成一个更高电压的辅助电源轨为 TLV431 供电并驱动光耦合器。

图 2. 添加晶体管有助于 TLV431 驱动光耦合器为 2.5V 输出接地。
龙腾半导体SGT MOSFET LSGT085R018在智慧农业无