时间:2017-11-14 14:25
人气:
作者:admin
高阻态这是一个数字电路里常见的术语,指的是电路的一种输出状态,既不是高电平也不是低电平,如果高阻态再输入下一级电路的话,对下级电路无任何影响,和没接一样,如果用万用表测的话有可能是高电平也有可能是低电平,随它后面接的东西定。
高阻态的实质:电路分析时高阻态可做开路理解。你可以把它看作输出(输入)电阻非常大。他的极限可以认为悬空。也就是说理论上高阻态不是悬空,它是对地或对电源电阻极大的状态。而实际应用上与引脚的悬空几乎是一样的。
高阻态的意义:当门电路的输出上拉管导通而下拉管截止时,输出为高电平;反之就是低电平;如上拉管和下拉管都截止时,输出端就相当于浮空(没有电流流动),其电平随外部电平高低而定,即该门电路放弃对输出端电路的控制 。
典型应用:
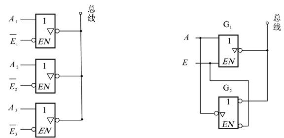
1、在总线连接的结构上。总线上挂有多个设备,设备于总线以高阻的形式连接。这样在设备不占用总线时自动释放总线,以方便其他设备获得总线的使用权。
2、大部分单片机I/O使用时都可以设置为高阻输入,如凌阳,AVR等等。高阻输入可以认为输入电阻是无穷大的,认为I/O对前级影响极小,而且不产生电流(不衰减),而且在一定程度上也增加了芯片的抗电压冲击能力。
高阻态常用表示方法:高阻态常用字母 Z 表示。
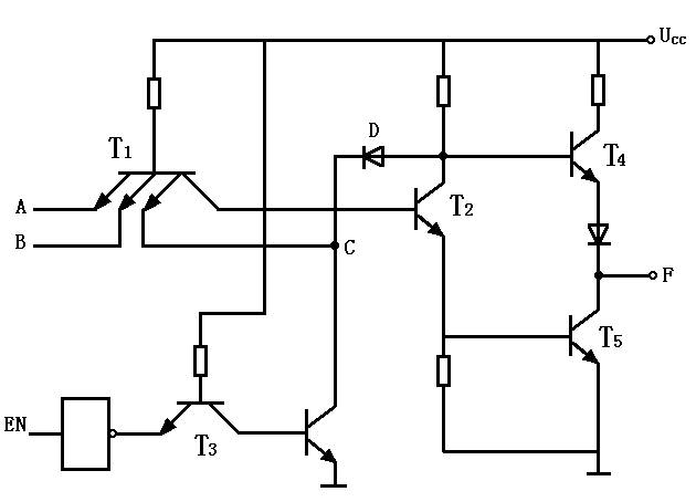
三态门


图1 三态门逻辑符号
三态门,是指逻辑门的输出除有高、低电平两种状态外,还有第三种状态——高阻状态的门电路。高阻态相当于隔断状态(电阻很大,相当于开路)。 三态门都有一个EN控制使能端,来控制门电路的通断。 可以具备这三种状态的器件就叫做三态(门,总线,......)。
计算机里面用 1和0表示是,非两种逻辑,但是,有时候,这是不够的, 比如说,他不够富有,但是他也不一定穷啊;她不漂亮,但也不一定丑啊,处于这两个极端的中间,就用那个既不是+ 也不是―的中间态表示,叫做高阻态。 高电平,低电平可以由内部电路拉高和拉低。而高阻态时引脚对地电阻无穷,此时读引脚电平时可以读到真实的电平值。高阻态的重要作用之一就是I/O(输入/输出)口在输入时读入外部电平用。
高阻态相当于该门和它连接的电路处于断开的状态。(因为实际电路中你不可能去断开它,所以设置这样一个状态使它处于断开状态)。三态门是一种扩展逻辑功能的输出级,也是一种控制开关。主要是用于总线的连接,因为总线只允许同时只有一个使用者。通常在数据总线上接有多个器件,每个器件通过OE/CE之类的信号选通。如器件没有选通的话它就处于高阻态,相当于没有接在总线上,不影响其它器件的工作。
如果你的设备端口要挂在一个总线上,必须通过三态缓冲器。因为在一个总线上同时只能有一个端口作输出,这时其他端口必须在高阻态,同时可以输入这个输出端口的数据。所以你还需要有总线控制管理, 访问到哪个端口,那个端口的三态缓冲器才可以转入输出状态,这是典型的三态门应用。 如果在线上没有两个以上的输出设备, 当然用不到三态门,而线或逻辑又另当别论了。

图2 三态门构成单向总线
上一篇:常用电子元件知识分类及工作原理
下一篇:低成本电流检测电路的核心要点
龙腾半导体SGT MOSFET LSGT085R018在智慧农业无