全球最实用的IT互联网信息网站!
AI人工智能P2P分享&下载搜索网页发布信息网站地图
解读安森美48V-12V DC-DC转换器解决方案
阅读全文2024-11-06
运放电路的闭环增益能大于开环增益吗?1200字搞
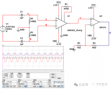
硬件面试难题:差分电路的共模抑制比只看运放
阅读全文2024-11-04
差分放大电路的两个输入端为什么要接上电压跟
用OLED拼接屏制作一个电话,是什么体验?
阅读全文2024-11-01
放大器零点漂移主要原因_放大器零点漂移怎么调
阅读全文2024-10-25
动力电池阻抗特性的仿真方法和应用举例
阅读全文2024-10-24
从原理到计算到设计,1200字手把手教你学会用运
阅读全文2024-10-23
仪表放大器高通滤波的陷阱
阅读全文2024-10-21
用运放搭建的反相放大电路输入为0V,输出居然达
数字电压表设计教程之LTC2308数据手册解读
慧能泰负载开关HUSB305A产品介绍
德州仪器新型单级转换器助力微型逆变器
IGBT短路失效分析
CPU | 内存 | 硬盘 | 显卡 | 显示器 | 主板 | 电源 | 键鼠 | 网站地图
Copyright © 2025-2035 诺佳网 版权所有 备案号:赣ICP备2025066733号 本站资料均来源互联网收集整理,作品版权归作者所有,如果侵犯了您的版权,请跟我们联系。