全球最实用的IT互联网站!
人工智能P2P分享搜索全网发布信息网站地图标签大全
基于C2000内部集成的模拟比较器功能
阅读全文2023-08-24
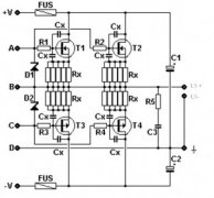
使用MOSFET输出级的放大器电路图
肖特基二极管反向恢复时间如何理解
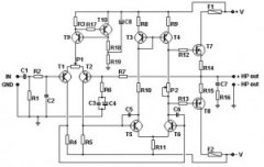
100W MOSFET放大器电路图
浅析多路保护下的5v2.4A充电器芯片U92153
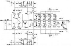
200W MOSFET放大器电路图
功率放大器的主要指标有哪些 运算放大器内部电
二极管怎么测量好坏?
铜电镀应用广泛 光伏方案多元化
贞光科技亮相elexcon 2023 深圳国际电子展
阅读全文2023-08-23
数字电压表设计教程之LTC2308数据手册解读
慧能泰负载开关HUSB305A产品介绍
德州仪器新型单级转换器助力微型逆变器
IGBT短路失效分析
CPU | 内存 | 硬盘 | 显卡 | 显示器 | 主板 | 电源 | 键鼠 | 网站地图
Copyright © 2025-2035 诺佳网 版权所有 备案号:赣ICP备2025066733号 本站资料均来源互联网收集整理,作品版权归作者所有,如果侵犯了您的版权,请跟我们联系。