阅读全文2023-06-15
阅读全文2023-06-15
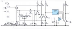
八通道16位200kSPS ADC SC1467在智能电网中的应用
阅读全文2023-06-15
阅读全文2023-06-15
阅读全文2023-06-14
阅读全文2023-06-14
阅读全文2023-06-14